下载后可任意编辑表一:施工准备阶段安全监理工作专项检查表工程名称: 时间:检 查 内 容检查情况及处理结果责任人及检查人施 工 组...
下载后可任意编辑山东煤矿安全监察局煤矿安全监察执法检查表表 1 安全管理 被检单位: 年 月 日序号检查内容及方法监察依据及处罚检...
下载后可任意编辑安全生产责任制度检查表被查单位:序号检 查 内 容 和 标 准检查结果备 注是否1是否已明确:1. 本单位主要负责人...
下载后可任意编辑安全生产责任制度检查表被查单位:序号检 查 内 容 和 标 准检查结果备 注是否1是否已明确:1. 本单位主要负责人...
下载后可任意编辑建设单位安全生产行为监督检查表监督备案号: 工程名称建设单位施工单位监理单位结构层次形象进度序号检查项目检查情况1...
下载后可任意编辑安全生产综合检查表(车间级)检查部门: 检查人: 检查时间: 序号检查项目检查标准检查方法检查评价符合不符合及主要问...
下载后可任意编辑安全生产管理检查表序号检查子项标分扣分得分检查情况摘要1 一、 施工现场用电安全符合“三级配电两级保护”要求;开关...
下载后可任意编辑安全生产目标和指标检查表单位:注塑车间 年 月 日序号安全生产目标和指标完成情况改进与建议1、事故起数、受伤人员、...
下载后可任意编辑公路水运建设工程项目 安全生产监督检查表项目名称:建设单位:监理单位:设计单位:施工单位:检查时间:检查方式:检查...
下载后可任意编辑安全生产监理检查表(准备阶段)项目名称: 年 月 日序号检查项目检查内容备注1施工组织设计编制及执行情况2专项方案编制...
下载后可任意编辑安 全 生 产 现 场 检 查 表 ( 一 般 行 业 )企业名称企业人数法 人电话标准化等级企业地址乡(镇、办、...
下载后可任意编辑安全生产执法现场检查表(通用部分)下载后可任意编辑备注:本记录由检查单位存档。企业名称 主要负责人 企业地址 联系...
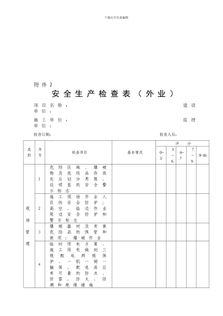
下载后可任意编辑附 件 2安 全 生 产 检 查 表 ( 外 业 )项 目 名 称 : 建 设单 位 :施 工 单 位 : 监 理...
下载后可任意编辑附件 1建设工程安全生产检查表设区市: 县(市):项目名称:建筑面积:工程造价:开工日期:形象进度:建设单位:施工...
安全生产检查及检查表的应用一、安全生产检查 企业的任何生产过程都会伴随一定的不安全因素。为减少生产安全事故的发生,就必须预测可能发...
下载后可任意编辑一 目标项目考评内容考评说明应得分实得分备注1 安全生产目标管理制度;制度是否包含环节:目标与指标的制定、分解、实...
下载后可任意编辑一 目标项目考评内容考评说明应得分实得分备注1 安全生产目标管理制度;制度是否包含环节:目标与指标的制定、分解、实...
下载后可任意编辑安全生产标准化活动考评检查表序号项目名称应得分实得分备注一、安全管理(应得分 280 分,实际得分 分)1安全生产方针...
下载后可任意编辑“三违”行为检查表 编号:BZH-JL-6-05项目检查内容检查结果备注违章指挥1. 允许操作者未经安全教育及岗位技能培训或教...
下载后可任意编辑7.1 安全生产条件检查表根据《安全生产法》、《危险化学品安全管理条例》(国务院令第 591号)、《危险化学品生产企业安...

