石河子电大化工检修钳工“双证”考试实习技能辅导安排日 期班 级实习项目实习地点负责人实习人数负责人4 月 7 日周三现场实习化工设备...
钳工安全轮训教材题库填空题部分:1、生产性建设项目安全设施的“三同步”指的是(同步设计)、(同步施工)、(同步投入生产和使用)。2、...
钳工操作技能考核题库项 目 序 号项 目 名 称工 时项目一制作限位块180 分钟项目二制作凸形块180 分钟钳工训练训练一:制作限位块...
河北省职业学校职业技能竞赛钳工竞赛操作项目阐明一 、 赛 件 名 称 : 圆 弧 燕 尾 镶 配二 、 赛 件 图 样( 一 ) ...
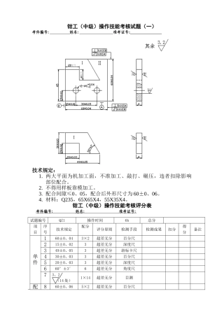
钳工(中级)操作技能考核试题(一)考件编号: 姓名: 准考证号: 技术规定:1. 两大平面为机加工面,不准加工、敲打、碾压,违者扣除影...
注 意 事 项一、本试卷依据 2024 年颁布的《工具钳工》国家职业标准命制.二、请根据试题考核要求,完成考试内容.三、请服从考评人员指...
钳工试题库一、选择题1、物体位置于三面体系中,在水面投影面得到(B)。A.主视图 B.俯视图 C.左视图 D.右视图2、1km 等于(C)m。A.1...
试题部分初级工知识规定一、是非题(是画√,非画×)1.当游标卡尺两量爪粘合时,尺身和游标的零线要对齐。 ( )2.游标卡尺尺身和游标上的...
钳工四级理论试题库基础知识一、判断题(将判断成果填入括号中。对的得填“√”,错误得填“×”)1.零件图中得尺寸标注规定就是完整、对的...
机修钳工(技师)考试题及机修钳工(技师)报名考试1、【单选题】单个齿的更换,可采用()措施。(B)A、镶上齿圈和镶机加工齿B、挫配齿和镶...
钳工试题库一、填空题1、液压泵旳重要性能参数有流量、容积效率、压力、功率、机械效率、总效率.2、液压泵旳种类诸多,常见旳有齿轮泵、叶片...
职业技能鉴定国家题库机修钳工技师理论知识试卷注 意 事 项1、考试时间:120 分钟。2、请首先按规定在试卷旳标封处填写您旳姓名、准考...
钳工培训新题库一、选择题1.按照传热方式旳不同样,化工换热设备可分为(ABC)。A、直接式换热器 B、蓄热式换热器 C、间壁式换热器 D、...
初级钳工试题库(118 页)Good is good, but better carries it.精益求精,善益求善。初级机修钳工试题库@@填空题 请将对的的答案填...
井下钳工工作总结 第一篇:井下电钳工工作总结 井下电钳工培训工作总结 2024 年 6 月 2 日至 18 日在我局安培 中心举办了一期电...
中 级 钳 工 试 卷单位 姓 名 得 分 一、填空题:(每题 1 分,总计 15 分。)1、万能角度尺可以测量(0°~320°)范围的任何...
中级钳工试题及答案 一.单项选择题: 1。 齿轮啮合时的冲击引起机床( B )。 A、松动 B、振动 C、变动 D、转动2.拧紧长方形布置...
1. 在表面粗糙度的评定参数中,微观不平度+点高度符号是(D)。 2. A、Rg B、Ra C、Rx D、Rz 2. 国标规定螺纹的牙底用(B). 3. ...
中级钳工考试题库一、填空题1、目前切削刀具常用的硬质合金有 硬质合金、 硬质合金等.2、磨削所用的砂轮的特性包括:磨料的 、 、 、 ...
填空题 : 1.从板是车辆车钩缓冲装置部分的部件之一。2.球芯折角塞门塞门芯上面开有一个直径为 32.5mm 的贯穿孔。3.车钩缓冲装置的作用...

