电脑桌面
添加小米粒文库到电脑桌面
安装后可以在桌面快捷访问

2025年钳工中级操作题题库

2025年钳工中级操作题题库_第1页
1/24
2025年钳工中级操作题题库_第2页
2/24
2025年钳工中级操作题题库_第3页
3/24
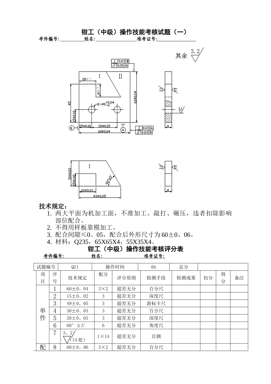
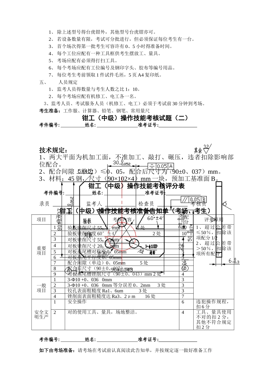
钳工(中级)操作技能考核试题(一)考件编号: 姓名: 准考证号: 技术规定:1. 两大平面为机加工面,不准加工、敲打、碾压,违者扣除影响部位配合。2. 不得用样板靠模加工。3. 配合间隙≤0、05,配合后外形尺寸为 60±0、06。4. 材料:Q235,65X65X4,55X35X4。钳工(中级)操作技能考核评分表考件编号 : 姓名 : 准考证号 : 试题编号QZ1操作时间6h总分项目序号技术规定配分评分原则检测手段检测成果扣分得分备注单件160±0、043×2超差无分百分尺215±0、023超差无分深度尺349±0、053超差无分游标卡尺430±0、033超差无分百分尺520±0、033超差无分深度尺660°±3′6超差无分角度尺73、2(14 处)1×14超差无分目测配860±0、065×2超差无分百分尺合9⊥0、03(2处)2×2每处 2 分直角尺10∥0、03(2处)2×2每处 2 分百分尺11间隙≤0、05(4处)7×4每处 7 分塞尺钻孔1230±0、154每处 4 分游标卡尺1315±0、1(2处)2×2每处 4 分游标卡尺14Φ8(2 处)2×2每处 4 分塞规151、6(2 处)4每处 2 分目测其他规定1安全文明操作扣每违反一次规定扣 2 分,发生重大事故者,取消考核资格2对的使用工、夹、量具扣录员监考人检查员考核人钳工(中级)操作技能考核准备告知单(考场、考生)考件编号: 姓名: 准考证号: 如下由考场准备:请考场在考试前认真阅读此告知单,并按规定逐一做好准备工作一、材料准备 毛坯:Q235, 尺寸 65X65X4mm,55X35X4 mm二、设备、工具、刀具、量具准备 类别 名称型号数量备注设备台虎钳200 mm1 台/考生量具游标卡尺0、02/0-150mm1千分尺0-251千分尺25-501千分尺50-751万能角度尺0-270°1工具锯弓1大平锉1中平锉1什锦锉1三角锉1钻头Φ81毛刷50 mm1 把棉纱若干三、考试时间6h 四、阐明:+0、041、 除上述型号得台虎钳外,其他型号台虎钳亦可。2、 若设备数量有限,考试可分批进行,但必须保证每位考生有一台。3、 首个场次得第一批考生可容许有 0、5 小时得准备时间。4、 每个工位应配有一种工具框供考生摆放工、量具。5、 考场应配有必须得打扫工具。6、 每个考场应配有工位编号及钢印字头、胶布等编号用品。7、 每位考生考前领取 1 件试件毛坯,5 页 A4 复印纸。五、人员规定1、 监考人员得数量与考生人数之比 1:10。2、 每个考场应配有机修工、电工各一名。 3、监考人员、考试服务人员(机修工、电工)必须于考试前 30 分钟到考场。考生准备:工作服...

1、当您付费下载文档后,您只拥有了使用权限,并不意味着购买了版权,文档只能用于自身使用,不得用于其他商业用途(如 [转卖]进行直接盈利或[编辑后售卖]进行间接盈利)。
2、本站所有内容均由合作方或网友上传,本站不对文档的完整性、权威性及其观点立场正确性做任何保证或承诺!文档内容仅供研究参考,付费前请自行鉴别。
3、如文档内容存在违规,或者侵犯商业秘密、侵犯著作权等,请点击“违规举报”。

碎片内容

2025年钳工中级操作题题库

您可能关注的文档

确认删除?
VIP
微信客服
  • 扫码咨询
会员Q群
  • 会员专属群点击这里加入QQ群
客服邮箱
回到顶部