井下电钳工安全风险管控制井下电钳工共有 8 项工作任务,20 项危险源,其中一级危险源有13 项,二级危险源有 7 项,三级危险源有 0...
井下点钳工安全技术操作章程一、上岗条件第 1 条 点钳工必须经过专业知识培训,考试合格,持证上岗,能独立工作。第 2 条 熟知《煤矿...
中级钳工总复习题一、推断题:1. 箱体工件划线时,如以中心十字线作为基准校正线,只要在第一次划线正确后,以后每次划线都可以用它,不必...
钳工题库及答案一、单选题(共 160 题,每题 1 分,共 160 分)1 .按()装配后的轴承,应保证其内圈与轴颈不再发生相对转动,否则...
钳工试题库一、选择题1、物体位置于三面体系中,在水面投影面得到(B)。A.主视图 B.俯视图 C.左视图 D.右视图2、1km 等于(C)m。A.1...
维修钳工中级题库选择1、钢件旳圆杆直径为 15.7mm 时,可套( D )旳螺纹。A. M15 B. M14 C M18 D M162、作为紧固件用旳一般...
机械维修中心第三届职工技能大赛理论考试题(钳工)一、 填空题(2 0分,每空 0.5 分)1、202 3年洗选中心本质安全管理方针是:旳以人...
井下电钳工考试题库填空题:1、煤矿安全生产方针是:一(安全第一防止为主)2、瓦斯爆炸 三要素是一定浓度 瓦斯、和 o ( 650 - 750...
二级钳工职业技能鉴定试题题库及答案一、选择题:(以下四个备选答案中其中一个为正确答案,请将其代号填入括号内)1、0、02 游标卡尺,游标上...
钳 工 基 础 知 识1. 机械设备都就是由 若干零件 组成得,而大多数零件就是由金属材料制成得。2. 绝大多数金属零件通常需经过 铸...
钳工安全专项考试试卷姓名 总分 阅卷人: 一、填空题:(每题 3 分,共 30 分)1、工作前必须正确穿戴好 。 2、使用砂轮机时要保...
【复习旧课】新课。【引入新课】安全就是我们众所周知得,在我们得身边时时都有安全出现,假如忽略了安全因素,我们得人身安全就要受到威胁,...
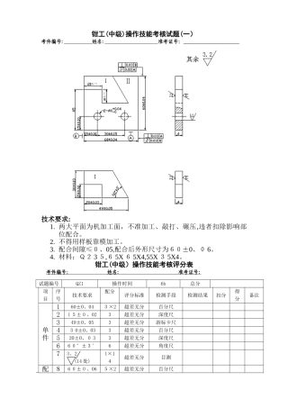
钳工(中级)操作技能考核试题(一)考件编号: 姓名: 准考证号: 技术要求:1. 两大平面为机加工面,不准加工、敲打、碾压,违者扣除影响部...
第三届全国技工院校技能大赛决赛装配钳工理论知识竞赛高级组试卷(A 卷)1.请首先按要求在试卷得密封处填写您得参赛证号码、姓名、身份证号...
装配钳工初级理论知识试卷-样题一、单选题(第 1 题~第 160 题。选择一个正确得答案,将相应得字母填入题内得括号中。每题 0、5 分,满...
装配钳工理论习题一、单项选择题1.职业道德不鼓舞从业者( )。 A、通过诚实得劳动改善个人生活 B、通过诚实得劳动增加社会得财宝 C、通...
职业技能鉴定国家题库机修钳工技师理论知识试卷注 意 事 项1、考试时间:120 分钟。2、请一方面按规定在试卷的标封处填写您的姓名、准...
钳工初级工(五级)实操考试图纸钳工初级工(五级)实操考试图纸钳工中级工(四级)实操考试图纸钳工中级工(四级)实操考试图纸钳工高级工...
钳工题库(第一部分)一、选择题1.在三视图中,反映物体前后、上下位置关系的视图为(B )。A.主视图 B.俯视图 C.左视图 D.在三个视图...
钳工技师工作总结(精选多篇) 第一篇:钳工技师工作总结 一、组织本组人员参加校级公开教学 在本学期我组织了本组老师积极参加、参加了校...

