给排水设计程序和图纸要求11.1设计程序和图纸要求一个建筑物的兴建,一般都需要建设单位(通称甲方)根据建筑工程要求,提出申请报告(或称为...
机械工程系毕业设计图纸CAD规范根据我系有关毕业设计的要求,为统一毕业设计CAD图纸格式,规范毕业设计图纸图面,方便CAD文件的打印输出,...
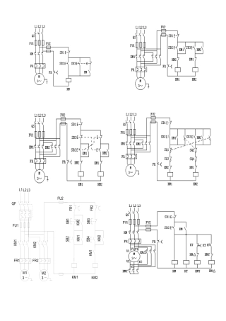
KM2M23~FR2KM1KM2SB3SB4KM2FR2FR1FU1FR1SB2KM1SB1KM1QFL3L2L1~3M1FU2KM2KM1
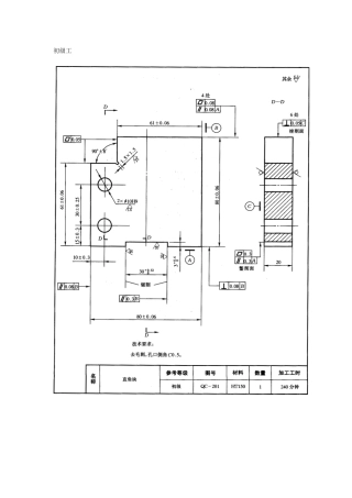
初级工中级工高级工
施工图纸和施工方案会审制度1、施工图纸和施工方案会审程序:、施工图纸和施工方案会审涉及熟悉图纸和方案、初审、内部预审三个阶段。①熟...
施工图纸记录表单体工程:序号图纸名称专业图号收图日期接受人收图人备注
施工图纸自审统计建设单位××县陈东中学教学楼自审时间01月25日工程名称教学楼自审地点公司四楼会议室参加会审人员姓名职称职务部门严明德...
JL30施工设计图纸签发表(监理[]图发号)合同名称:合同编号:致:(承包人)中国水利电力对外公司高峰寺水库除险加固工程项目部本批签发图...
施工图纸自审统计表1-1工程名称晋江市内坑中学学生宿舍楼设计单位福建联盛建筑设计院建设单位晋江市内坑中学监理单位施工单位编号图别、图...
工程施工图纸汇总表序号图纸名称图纸专业/编号保管人来图日期领用人领用日期备注
施工图纸审核意见书工程名称:编号:致业主:贵方委托我部实施施工监理的工程,我部已对其施工图纸进行了核审。现报上各专业核审意见,请贵...
施工图纸现场核对统计编号:工程(项目)名称:表生-07-03审核部门负责人审核图号审核人日期图名核对发现的问题处理建议注:本表格一式三份...
图纸交接单项目名称图纸类型□蓝图□复印图□电子版图纸份数□一份□两份□份送达时间年月日时分送达人接受人备注
施工图纸自审提疑表表1-1工程名称龙泉驿区违章抓拍施设监控项目设计单位四川昊通工程咨询有限公司承建单位四川浩特通信有限公司监理单位施...
施工图纸会审管理方法一、总则为规范施工图纸会审内容和程序,加强施工图纸会审管理,解决施工图纸中存在的问题,提出合理化建议,确保工程...
施工图纸交底及会签制度第一条施工图纸是施工和验收的重要根据。为使施工人员充足领略设计意图、熟悉设计内容、对的地按施工图纸施工,确保...
施工图纸会审统计工程名称共页第页会审地点统计整顿人日期参加人员建设单位:设计单位:监理单位:施工单位:序号图纸编号提出图纸问题图纸...
合同书甲方:乙方:编号:0130510甲方:乙方:甲方委托乙方对********厨房设备布局设计方案,按甲方提供的建筑图纸及规定与乙方所提供的设计...
B1016陕西省建筑工程施工质量验收技术资料统一用表施工质量验收技术资料通用表施工图纸会审统计陕ZTY—0016工程名称煤焦油加氢项目EPC项目...
施工图设计技术交底与图纸会审制度为了使项目监理部与施工承包商理解工程设计特点和设计意图,掌握工程核心部分的质量规定,确保施工质量,...

