第1页共11页编号:时间:2021年x月x日书山有路勤为径,学海无涯苦作舟页码:第1页共11页如何看建筑图纸1.建筑施工图的组成部分结构设计第一...
第1页共8页编号:时间:2021年x月x日书山有路勤为径,学海无涯苦作舟页码:第1页共8页看懂建筑图纸,看懂钢筋首先必须认识钢筋符号比如:钢...
济南市规划局修建性详细规划电子报批方案技术规定(其他区总平面部分)为了加快城市建设的步伐,提高规划审批部门办案的规范性、科学性、严...
跟大家介绍几款新农村户型图,在农村有地的,手头上有二十万要建房的(不含精装修),基本上下面的户型是可以建造的。如果没地的快转户口回...
第1页共3页编号:时间:2021年x月x日书山有路勤为径,学海无涯苦作舟页码:第1页共3页召开图纸会审会,研讨图纸问题监理单位(各专业监理工...
第1页共6页编号:时间:2021年x月x日书山有路勤为径,学海无涯苦作舟页码:第1页共6页图纸更改使用审核管理制度第2页共6页第1页共6页编号:...
图纸会审管理制度1.目的:规范图纸会审的内容和程序,明确图纸会审等级,使工程参建人员领会设计意图,熟悉设计内容,审查施工图纸中存在的...
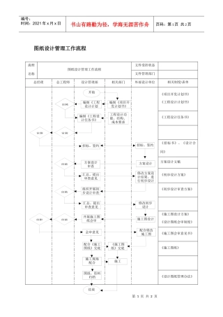
第1页共2页编号:时间:2021年x月x日书山有路勤为径,学海无涯苦作舟页码:第1页共2页图纸设计管理工作流程流程名称图纸设计管理工作流程文...
图纸会审、设计交底制度1、图纸收到后,承包单位、监理单位及建设单位都应抓紧时间熟悉图纸,由监理单位依据各单位实际情况,同有关单位约...
人在囧途网http://新型农村乡房屋设计图纸大全一、新农村住宅户型户型一:地基:12m×12m占地面积:116平米,总建筑面积:213.53平米;户型...
第1页共7页编号:时间:2021年x月x日书山有路勤为径,学海无涯苦作舟页码:第1页共7页1目的为了规范图纸的设计、绘制、校核、修改、分发、...
(一)1.先看现场平面布置图,了解工程概况及周围建筑对本工程的影响。2.再看施工组织,大概了解工程的具体施工情况。3.看施工结构图和建筑图...
跟大家介绍几款新农村户型图,在农村有地的,手头上有二十万要建房的(不含精装修),基本上下面的户型是可以建造的。如果没地的快转户口回...
建筑电气工程图形符号安装工程常用图形符号一、电气工程图形符号1、电气工程图形符号(P2)2、机械控制图形符号(P13)3、操作件和操作方法...
快速看懂国外机械图纸株洲职业技术学院刘培德自改革开放以来,我国引进了不少国外设备、图纸和其它技术资料,有不少发达国家的机械图样投影...
建立符合国家标准的工程图纸格式图纸格式是包括工程图的图幅大小、标题栏设置、表格定位点在内的工程图中保持相对不变内容的文件。在工程图...
第1页共7页编号:时间:2021年x月x日书山有路勤为径,学海无涯苦作舟页码:第1页共7页摘要本文介绍了汽车前灯罩的冲压模具设计。设计内容包...
园林景观施工图设计(可作教材)
图纸会审监理工作流程布置图纸会审工作〔总监理工程师〕整理列出问题〔各专业监理工程师〕问题汇总〔各专业组组长〕问题审核〔总监理工程师...
图纸会审记录质保№4:02(建)工程名称会审日参加人员设计施工建立主持人记录内容设计签章建立签章施工签章图纸会审记录续页图纸会审记录续页

