电脑桌面
添加小米粒文库到电脑桌面
安装后可以在桌面快捷访问

图纸设计管理工作流程VIP免费

图纸设计管理工作流程_第1页
1/2
图纸设计管理工作流程_第2页
2/2
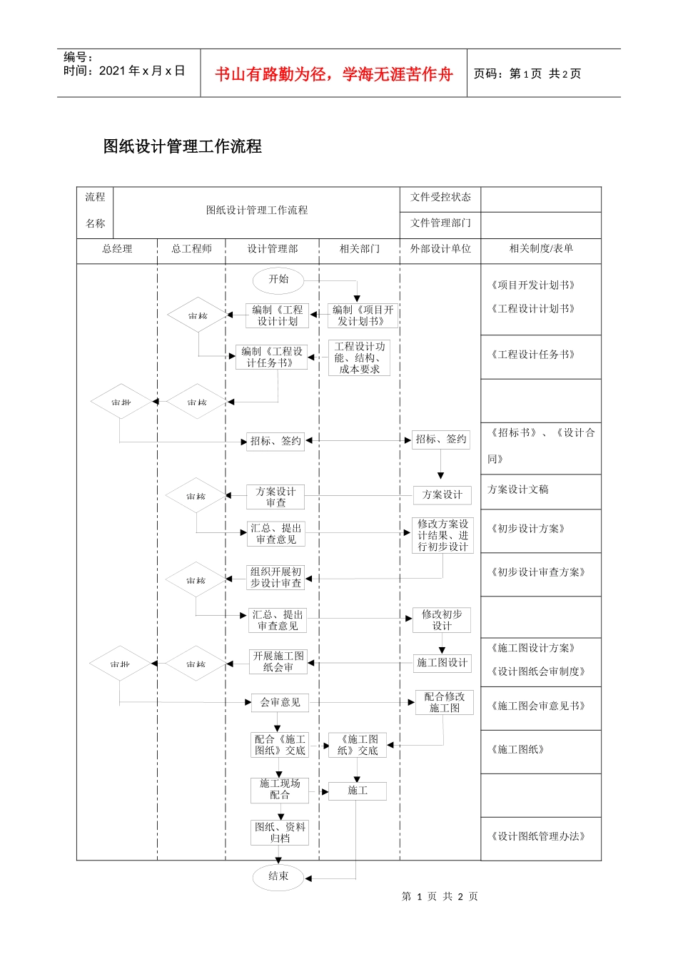
第1页共2页编号:时间:2021年x月x日书山有路勤为径,学海无涯苦作舟页码:第1页共2页图纸设计管理工作流程流程名称图纸设计管理工作流程文件受控状态文件管理部门总经理总工程师设计管理部相关部门外部设计单位相关制度/表单《项目开发计划书》《工程设计计划书》《工程设计任务书》《招标书》、《设计合同》方案设计文稿《初步设计方案》《初步设计审查方案》《施工图设计方案》《设计图纸会审制度》《施工图会审意见书》《施工图纸》《设计图纸管理办法》审核开始编制《项目开发计划书》编制《工程设计计划审核编制《工程设计任务书》工程设计功能、结构、成本要求审批招标、签约招标、签约方案设计方案设计审查汇总、提出审查意见审核修改方案设计结果、进行初步设计组织开展初步设计审查审核汇总、提出审查意见修改初步设计施工图设计审核开展施工图纸会审审批会审意见配合修改施工图配合《施工图纸》交底图纸、资料归档结束施工《施工图纸》交底施工现场配合第2页共2页第1页共2页编号:时间:2021年x月x日书山有路勤为径,学海无涯苦作舟页码:第2页共2页编制日期审核日期生效日期

1、当您付费下载文档后,您只拥有了使用权限,并不意味着购买了版权,文档只能用于自身使用,不得用于其他商业用途(如 [转卖]进行直接盈利或[编辑后售卖]进行间接盈利)。
2、本站所有内容均由合作方或网友上传,本站不对文档的完整性、权威性及其观点立场正确性做任何保证或承诺!文档内容仅供研究参考,付费前请自行鉴别。
3、如文档内容存在违规,或者侵犯商业秘密、侵犯著作权等,请点击“违规举报”。

碎片内容

图纸设计管理工作流程

确认删除?
VIP
微信客服
  • 扫码咨询
会员Q群
  • 会员专属群点击这里加入QQ群
客服邮箱
回到顶部