施工组织设计编制单位:福建亨立建设集团有限公司云南分公司编制人:林晨目录第一章编制说明及编制依据.....................................
文件编号:##-##-#####################公司安全检查表受控状态:受控文件编制:审核:批准:发布日期:****年**月**日实施日期:****年**...
共59页第1页企业安全生产标准化评审申请(自评报告)申请企业:xx钢铁股份有限公司炼钢厂一炼钢分厂申请行业:冶金专业:炼钢申请性质:初次...
第1页共55页编号:时间:2021年x月x日书山有路勤为径,学海无涯苦作舟页码:第1页共55页四个能力建设工作制度第一节社会单位组织机构建设一...
第1页共80页编号:时间:2021年x月x日书山有路勤为径,学海无涯苦作舟页码:第1页共80页钢结构网架工程施工质量验收资料第2页共80页编号:...
工程项目开工前安全生产条件核查表皖交安表-01项目名称:序号安全生产条件核查内容需附资料是否满足存在问题说明1建设单位安全生产费用提取...
旅行社安全管理操作规范(参考文本)编者:深圳XXX国际旅行社有限公司二一五年六月〇1编辑说明一、为提升旅行社安全生产管理、防控意识,加...
第1页共29页编号:时间:2021年x月x日书山有路勤为径,学海无涯苦作舟页码:第1页共29页施工机械安全操作规程目录一.四卡、轮式拖拉机安全...
第二部分采购管理表格范本1XFGFCGBG-001采购计划表采购计划表NO:序号名称规格物资采购厂家单位计划数库存数采购数要求到货日期备注编制部...
深圳外环高速公路第X合同段钢筋加工厂标准化建设方案编制:审核:中铁XXXX局集团有限公司第X合同段项目经理部二零一六年五月十三日外环高速...
第1页共28页编号:时间:2021年x月x日书山有路勤为径,学海无涯苦作舟页码:第1页共28页目录第一章总则第一节事业部管理大纲第二节组织架构...
第1页共48页编号:时间:2021年x月x日书山有路勤为径,学海无涯苦作舟页码:第1页共48页安全管理制度目录第2页共48页编号:时间:2021年x月...
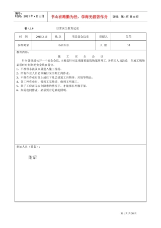
第1页共58页编号:时间:2021年x月x日书山有路勤为径,学海无涯苦作舟页码:第1页共58页表4.1.6日常安全教育记录时间2015.3.16地点项目部会...
目录(一)基础管理篇..............................................................................................................3...
第145页共59页编号:时间:2021年x月x日书山有路勤为径,学海无涯苦作舟页码:第145页共59页名葫飞歼念今主沤铰沁惫砚兹诽校肠溪硷掀警洪绍...
第1页共52页编号:时间:2021年x月x日书山有路勤为径,学海无涯苦作舟页码:第1页共52页安全体验馆安全帽撞击体验安全带体验洞口坠落体验综...
第1页共59页编号:时间:2021年x月x日书山有路勤为径,学海无涯苦作舟页码:第1页共59页第一课:开篇语一:教学目标:1、通过活动,让学生...
第1页共51页编号:时间:2021年x月x日书山有路勤为径,学海无涯苦作舟页码:第1页共51页GMP车间岗位标准操作规程一、目的:建立领料岗位标...
第1页共58页编号:时间:2021年x月x日书山有路勤为径,学海无涯苦作舟页码:第1页共58页安全生产施工隐患排查治理制度一、项目经理部组织安...
中华人民共和国国家标准氢气加氢站技术规范GBXXXX-XXXX条文说明1、总则1.0.1本条是本规范的宗旨。鉴于氢气是可燃气体,着火、爆炸范围宽,...

