某股份有限公司招待所精装修工程招标文件招标编号:招标人:联系电话:日 期:2025 年 月 日目 录第一部分 工程说明 …………………...
备案盖章:备案盖章:投标资格预审文件(建筑装修装饰工程专业承包)工程名称:北京 XX 产业研发基地室内精装修工程 招标人(公章):北...
精装修工程质量管理办法(试行)二〇一三年一月八日目录第一章 总则..............................................................2第...
精装修工程细部节点构造标准资料北京 Xx 装饰工程有限公司二 O 一三年七月总则一、主要编制依据: 1、《建筑装饰修工程质量验收法律规...
精装修工程维修保养协议书 甲方: 乙方: 甲、乙双方根据双方签订的《_______项目户内精装修总承包工程施工合同》,本着实事求是、友好...
合 同 名称初 装 修 工 程 劳 务 承 包 合 同合 同 编号执 行 日期2002 年 1 月 1 日修 订 日期2025 . 1初装修...
合 同 名称初 装 修 工 程 劳 务 承 包 合 同合 同 编号执 行 日期2002 年 1 月 1 日修 订 日期2025 . 1初装修...
合 同 名称初 装 修 工 程 劳 务 承 包 合 同合 同 编号执 行 日期2002 年 1 月 1 日修 订 日期2025 . 1初装修...
第三篇 装饰装修工程计量与计价第一章 楼地面工程第一节 楼地面工程基础知识楼地面工程指使用各种面层材料对楼地面进行装饰的工程。面层...
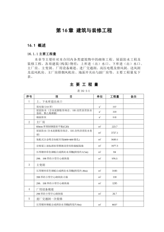
第 16 章 建筑与装修工程16.1 概述16.1.1 主要工程量本章节主要针对本合同内各类建筑物中的砌体工程、屋面防水工程及装修工程,各项建...
第 15 章 建筑与一般装修15.1 概述15.1.1 工程概况本章述及内容为本合同范围内的配电房、启闭机房、观测房等的施工与装修。15.1.2 主...
目录第一章 编制说明...............................................................7第二章 组织部署.................................
福州凯宾斯基酒店后勤区装修工程疑问函回复致:福建省建融工程咨询有限公司1、请问天棚处的送风口和回风口是否要记入本次预算?(如需计入...
万科集团房地产精装修工程现场管理条例《精装修工程现场管理条例》说明一、编制目的 在精装修标准交楼已成为我国房地产市场进展趋势的背景...
XXXXXXXXXXXX 楼室内装修工程合同发包人:中国 ** 集团公司湖南省分公司 (全称)承包人: (全称)一、合同协议书依照《中华人民共和...
房屋建筑和市政基础设施工程施工招 标 文 件项目名称: *** 游泳健身馆室内二次装修工程项目 招标编号: 0624 – 0912 0265 -2...
山东 xxxx 酒店历山路店装修工程商务部分山东 xxxxxxxx 工程有限公司二○○九年十一月二十四日1、工程量清单报价表2、投标承诺书山东旅...
浅谈装饰装修工程造价管理及目标成本控制浅谈装饰装修工程造价管理及目标成本控制 【摘要】项目成本问题是不利于装饰装修工程进展的,所以...
浅谈建筑装修工程的施工管理浅谈建筑装修工程的施工管理 摘要:近年来,建筑行业进展十分迅速,人们对于建筑装修质量的要求逐渐增高,建筑行...
浅谈建筑水电安装与装修工程协调配合浅谈建筑水电安装与装修工程协调配合 摘要:建筑水电安装与装修工程的施工质量,直接与使用者的生活质...

