压铸国家标准对照
山东万合通用机械有限公司 压力容器的国家标准 我公司从事压力容器技术工作,把我单位的标准目录给你,如有什么需要帮助,可以给我留言,...
危险品仓 库 的 国 家 标 准 Prepared on 22 Nov ember 2020 危险品仓库的国家标准 危 化品 仓库国家标准 1 、主题内容...
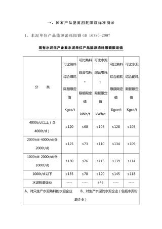
一 、 国 家 产 品 能 源 消 耗 限 额 标 准 摘 录 1、水泥单位产品能源消耗限额 GB 16780-2007 现 有 水 泥 生 ...
1 医保管理工作制度 根据社保局医疗保险管理和医疗管理文件精神,结合我院实际,特制定医院医疗保险、工作的有关规定。 一、认真核对病...
医疗器械强制性国家标准目录
序号标准编号标准名称对应国外标准1 GB/T1.1-2000标准化工作导则第一部分结构和编写规则2 GB 1.2-2002标准化工作导则第二部分结构和编写...
序号标准编号标准名称对应国外标准实施日期代替废止备注1 GB/T1.1-2000标准化工作导则第一部分结构和编写规则6-1-2001国家标准2 GB 1.2-...
号 标 准 编 号 标 准 名 称 实 施 日 期 批 准 日 期 1 YY 0001- 2008 体 外 引 发 碎 石 设 备 技 术 ...
序号标准号中文名称英文名称发布日期实施日期1GB/T 17900-1999网络代理服务器的安全技术要求Security technicalrequirements for proxy...
1 正 式 发 布 的 信 息 安 全 国 家 标 准 清 单 序号 标准编号 标准名称 1. GB 17859-1999 计算机信息系统 安全...
体 育 用 人 造 草 国 家 标 准 GBT20394 体 育 用 人 造 草 国 家 标 准 GB/T20394-2006 详 见 《 中 华 人 ...
1 仪 器 类 专业教学质量国家标准(讨论稿) 1. 概述 仪器科学与技术是以测量和控制理论与技术为主体,研究物质世界中信息获取、处...
标准编号JC/T 880-2001GB 9941-1988GB 9943-1988GB/T 13304-1991GB/T 15574-1995GB/T 15575-1995GB/T 15712-1995GB/T 17505-1998GB...
中国煤炭分类国家标准中各类煤的特征 新制定的中国煤炭分类国家标准,首先根据煤的煤化程度,将所有煤分为褐煤、烟煤和无烟煤。对于褐煤和...
第 1 页,共 42 页 中国汽车国家标准和行业标准 文献号 中文题名 英文题名 GB/T 1332-1991 载货汽车定型试验规程 Trucks--Engi...
序号色卡代码Yxy标准命名RGB11184.26530.32750.3486 9.4Y 9/1.223923521321282.77910.33790.3631 0.6GY 9/1.824023319731377.49680.370...
标准编号GB/T 10790-1989GB/T 10791-1989GB/T 10792-1995GB 12143.1-1989GB/T 12143.2-1989GB 12143.3-1989GB/T 16771-1997GB/T 19...
标准编号HG/T 20508-2000HG/T 20509-2000HG/T 20510-2000HG/T 20511-2000HG/T 20512-2000HG/T 20513-2000HG/T 20514-2000HG/T 2051...
标准编号GB 14048.4-1993GB 14536.1-1998JB/T 5791-2002JB/T 5809-1991JB/T 6317-2002JB/T 6319-1992JB/T 6451-1992JB/T 6452-1992...

