电脑桌面
添加小米粒文库到电脑桌面
安装后可以在桌面快捷访问

单位产品能耗定额和限额国家标准

单位产品能耗定额和限额国家标准_第1页
1/30
单位产品能耗定额和限额国家标准_第2页
2/30
单位产品能耗定额和限额国家标准_第3页
3/30
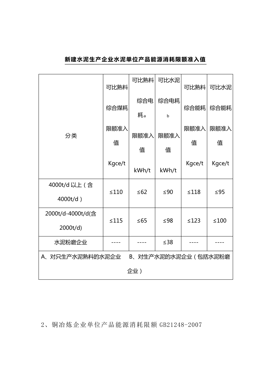
一 、 国 家 产 品 能 源 消 耗 限 额 标 准 摘 录 1、水泥单位产品能源消耗限额 GB 16780-2007 现 有 水 泥 生 产 企 业水 泥 单位产 品能源消耗限额限定值 分 类 可 比 熟 料 综 合 煤 耗 限 额 限 定值 Kgce/t 可 比 熟 料 综 合 电 耗a 限 额 限 定值 kW·h/t 可 比 水 泥 综 合 电 耗b 限 额 限 定值 kW·h/t 可 比 熟 料 综 合 能 耗 限 额 限 定值 Kgce/t 可 比 水 泥 综 合 能 耗 限 额 限 定值 Kgce/t 4000t/d 以 上 ( 含4000t/d) ≤120 ≤68 ≤105 ≤128 ≤105 2000t/d-4000t/d(含2000t/d) ≤125 ≤73 ≤110 ≤134 ≤109 1000t/d-2000t/d(含1000t/d) ≤130 ≤76 ≤115 ≤139 ≤114 1000t/d 以 下 ≤135 ≤78 ≤120 ≤145 ≤118 水 泥 粉 磨 企 业 ---- ---- ≤45 ---- ---- A、对只生产水 泥 熟 料 的水 泥 企 业 B、对生产水 泥 的水 泥 企 业 ( 包括水 泥 粉磨 企 业 ) 新 建 水 泥 生 产 企 业水 泥 单位产 品能源消耗限额准入值 分 类 可 比 熟 料 综 合 煤 耗 限 额 准 入值 Kgce/t 可 比 熟 料 综 合 电耗a 限 额 准 入值 kW·h/t 可 比 水 泥 综 合 电 耗b 限 额 准 入值 kW·h/t 可 比 熟 料 综 合 能 耗 限 额 准 入值 Kgce/t 可 比 水 泥 综 合 能 耗 限 额 准 入值 Kgce/t 4000t/d 以 上 ( 含4000t/d) ≤110 ≤62 ≤90 ≤118 ≤95 2000t/d-4000t/d(含2000t/d) ≤115 ≤65 ≤98 ≤123 ≤100 水 泥 粉 磨 企 业 ---- ---- ≤38 ---- ---- A、对只生产水 泥 熟 料 的水 泥 企 业 B、对生产水 泥 的水 泥 企 业 ( 包括水 泥 粉 磨企 业 ) 2、铜冶炼企业单位产品能源消耗限额 GB21248-2007 铜 冶 炼 企 业单位产品能源消耗限额限定值 工序、工艺 能 耗 限 额 限 定 值 (kgce/t) 工 艺 能 耗 综 合 能 耗 粗 铜 工 艺 ( 铜 精 矿 -粗 铜 ) ≤750 ≤800 阳 极 铜 工 艺 ( 铜 精 矿 -阳 极铜 ) ≤800 ≤850 电 解 工 序 ( 阳 极 铜 -阴 级 铜 ) ≤210 ≤220 铜 冶 炼 工 艺 ( 铜 精 矿 -阴 极铜 ) ≤900 ≤950 粗 铜 工 ...

1、当您付费下载文档后,您只拥有了使用权限,并不意味着购买了版权,文档只能用于自身使用,不得用于其他商业用途(如 [转卖]进行直接盈利或[编辑后售卖]进行间接盈利)。
2、本站所有内容均由合作方或网友上传,本站不对文档的完整性、权威性及其观点立场正确性做任何保证或承诺!文档内容仅供研究参考,付费前请自行鉴别。
3、如文档内容存在违规,或者侵犯商业秘密、侵犯著作权等,请点击“违规举报”。

碎片内容

单位产品能耗定额和限额国家标准

您可能关注的文档

确认删除?
VIP
微信客服
  • 扫码咨询
会员Q群
  • 会员专属群点击这里加入QQ群
客服邮箱
回到顶部