- 1 - 中 国 学 生 体 质 健 康 评 分 表 (小 学 部 分) - 2 - 小学一、二年级男生评分标准(表3 ) 等 级 单...
《国家学生体质健康标准》评分表 (二十九)大学一年级~四年级男生身高标准体重 (体重单位:公斤) 身高段(厘米) 营养不良 较低体...
附录A 建设工程项目监理工作质量检查评分汇总表 表A 建设工程项目监理工作质量检查评分汇总表 项目名称: 年 月 日 检查 分类 监...
《卓越绩效评价准则》内容展开评分表 标准条款 标准内容 初步评价的问题 自我评价 负责部门 4.1 领导(100 分) 用于评价组织高层...
“防渗漏、防开裂”检查评分表
患者损伤严重度评分(ISS)表姓名:性别:年龄:岁就诊日期:简明损伤评分(AIS)—85(I)患者总分:损伤部位AIS 分级(分值)轻度(1分...
1 / 2 佩戴正压式空气呼吸器项目竞赛评分表(正确程序)序号考核项目考核内容及要求配分评分标准扣分备注1 工作准备劳保用品穿戴齐全5...
一、个人 T 台走秀环节分类评分细节分值一号二号三号四号五号六号服装表演展示部分1、整理服装、发型及服饰技巧2、与服装化妆等的配合意...
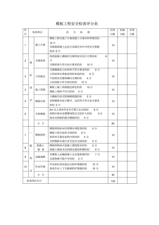
模板工程安全检查评分表序号检查项目扣分标准应得分数扣减分数实得分数1 保证项目施工方案模板工程无施工方案或施工方案未经审批的扣10 ...
表必备项目检查表序号项目台账提供部门环境管理要求饭店在运营管理中应遵守环保、节能、卫生、防疫、规划等方面的法律法规和其他要求。饭店...
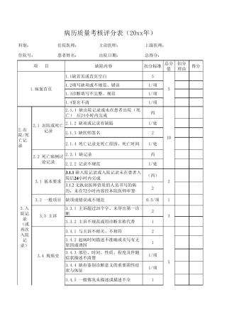
缺陷内容扣分标准总分值扣分理由得分1.1缺首页或首页空白51.2填写缺项或不规范、错误1/项1.3诊断填写不完整、规范1/项1.4签名不清1/项2.1.1...
2017心电图质控评分表
体格检查(A卷)评分表(100分)姓名职称科室得分项目检查内容与评分要点分值得分职业素质10 分1.精神饱满,着装整洁,仪表端庄,举止大方,(每...
下载后可任意编辑附表 1 高速公路建设项目工程质量考核评分表(施工单位)被考核单位: 合同号:考核项目标准分检查内容及扣分标准检查...
下载后可任意编辑重庆市建设工程合同履约诚信评分表施工合同备案 1 全部使用国有资金投资或国有资金投资为主的工程建设项目,未采纳工程...
下载后可任意编辑 附表三 装饰装修工程现场安全文明施工检查评分表(一) 编号: 日期: 项目名称标段名称装修施工单位施工资质评分人...
下载后可任意编辑附件二有色金属工业建设工程质量监督总站 监督站施工现场考评施工安全管理评分表 序号检查项目评 分 标 准一安全管理...
下载后可任意编辑 表 B.0.5 绿色施工检查评分表 序号评 定项目评 分 标 准应 得分扣 减分实得分1管理措施未建立绿色施工管理制度...
附件建筑施工项目安全生产标准化月评价表工程项目名称:自评时间:年月日类别单位名称房屋建筑面积(mJ或市政工程造价(万元)形象进度总计...
6S 检查评分表(1)——生产车间考评项目6S 管理标准要求评分权重不合格项及扣分① 所有可移动工具都进彳丁定位,恰当标识;4② 不同区...

