小班《青蛙躲猫猫》执教:罗敏今天罗老师给大家带来了一个故事,听一听是什么故事。有一只小青蛙要和妈妈玩躲猫猫,它躲进了一个洞,你猜猜...
编号________姓名________性别____年龄____测验日期_________指导语:以下列出了有些人可能会有的问题,请仔细地阅读每一条,然后根据最近...
二级综合医院评审自评报告单位:镇原县第一人民医院填报日期:年月日一、自评结果汇总表第2页共37页编号:时间:2021年x月x日书山有路勤为...
XX集团简介广东省XXXX集团有限公司(以下简称“XX”)是一家股份合作制企业,创建于1990年,主要从事不锈钢管材的生产制造和营销服务,拥有...
Zung氏抑郁自评量表Zung氏抑郁自评量表(SDS)由美国的Zung编制于1965年,因使用简便,应用颇广,是目前精神医学界最常用的抑郁自测量表之一...
下载后可任意编辑控烟工作自评自查报告【篇一】控烟工作自评自查报告自从20xx年卫生医疗卫生单位开展禁烟活动以来,本院制定了一系列的工作...
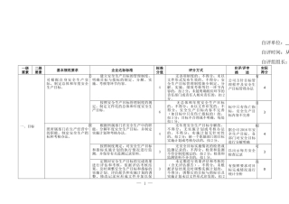
自评单位:自评时间:从自评组组长:一级要素二级要素基本规范要求企业达标标准标准分值评分方式自评/评审描述实际得分一、目标公司根据自...
90项症状自评量表SCL-90性别年龄以下表格中列出了有些人可能会有的问题,请仔细地阅读每一条,然后根据最近一星期以内下述情况影响你的实际...
怎样自评一节课一节课结束时,反问自己下列九个问题:自己都做到了吗?做到了什么程度?就可以自己给自己打分,评价出一节课的优劣。1、明...
下载后可任意编辑单位工作自评报告模板10篇1.单位工作自评报告模板根据潍坊市建设工程质量安全监督站潍建监字[20xx]第x号《关于开展20xx年...
下载后可任意编辑学生综合素养自评报告10篇1.学生综合素养自评报告我是一个学习仔细,上进心强,关怀班集体,与人为善的学生,儒家先师孔子...
中小学教师信息技术应用能力自评工具信息技术应用能力诊断测评报告信息技术应用能力是信息化社会教师必备专业能力,为全面提升中小学(幼儿...
下载后可任意编辑党员先锋模范作用2024自评范文党员先锋模范作用2024范文回顾这一年来,我一直仔细履行工作职责,努力学习不断进取,积极参...
下载后可任意编辑全镇河长制工作自评报告范文材料全镇河长制工作自评报告范文材料一、河湖概况我镇域内河流河段共x条,分别为:x.xx河xx段...
下载后可任意编辑2024年党员个人自评总结2篇合集篇一忙忙碌碌的一年快过去了,我不断反思自己的得失,不断改进自己的不足。现将今年自己的...
此资料由网络收集而来,如有侵权请告知上传者立即删除。资料共分享,我们负责传递知识。自我鉴定大学生自评认识自己,降伏自己,改变自己,...
下载后可任意编辑[领导干部政治素养自评报告五个政治]领导干部政治素养自评报告3篇领导干部政治素养自评报告1X月份以来,XXX教育活动中,听...
西宁市火车站综合改造工程滨河南路地下商业及道路工程Ⅰ标段分部工程验收施工自评报告中铁十五局集团有限公司二零一五年十月十六日道路照明...
1/28财政支出项目绩效评价自评报告项目名称:改薄项目县级配套资金项目承担单位:项目主管部门:闽清县教育局填报日期:年月日2/28年度全面...
1/6财政支出项目绩效自评报告评价类型:□实施过程评价完成结果评价项目名称:对外宣传专项经费项目单位:中共文昌市委宣传部主管部门:中...

