精品文档---下载后可任意编辑NB、Ta 或 W 固溶改性的 Ti3SiC2 作为新型 SOFC连接体材料的性能讨论的开题报告题目: NB、Ta 或 W ...
精品文档---下载后可任意编辑NB2O5 和含 NB 多酸的合成及催化性能讨论的开题报告1. 讨论背景及意义氧化铌(NB2O5)是一种重要的过渡金属...
精品文档---下载后可任意编辑Cr、NB 掺杂原位合成 Al2O3TiAl 复合材料的讨论的开题报告1. 讨论背景2024 年 Al2O3/TiAl 复合材料成为...
精品文档---下载后可任意编辑4Cr13 不锈钢 NB 改性层摩擦磨损及高温氧化性能讨论的开题报告一、讨论背景 随着工业的进展和科学技术的进...
精品文档---下载后可任意编辑36U 支撑钢轧制工艺与 NB 微合金化讨论的开题报告一、讨论背景轧制技术是现代钢铁工业生产中非常重要的一种...
公司管理规章制度第一章员工守则一、遵守公德第一条 公司员工必须遵纪守法、做维护社会公德的模范,公司绝对不允许违背公德、违反法律的现...
-2-附件行业标准目录序号标准编号标准名称代替标准采标号出版机构批准日期实施日期1.NB/T10101-2018风电场工程等级划分及设计安全标准中国...
精挑细选买单反 尼康D5100购买全攻略 D5100是尼康公司于2011年4月5日发布的新一代入门级单反产品。相对于上一代产品D5000而言,D5100在有...
相信这首歌大家都知道吧,但它歌词到底有多牛可能了解的人并不多。分享我看到的一点翻译和点评: 【Steven点评】 法国资产阶级革命爆发后...
下载后可任意编辑翔宇建设用心建筑施工现场常规安全检查手册恩施自治州翔宇建设工程有限公司二 oo 六年九月二十三日(内部资料 注意保存)...
NB物理虚拟实验室使用手册V2
NB在变形高温合金中的作用
YB/T 5353 YB/T 5354
- 2 - 附件 行业 标 准 目 录 序 号 标 准 编 号 标 准 名 称 代 替 标 准 采 标 号 出 版 机 构 批 准 ...
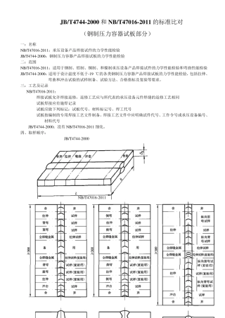
JB/T4744-2000 和NB/T47016-2011 的标准比对 (钢制压力容器试板部分) 一:名称 NB/T47016-2011:承压设备产品焊接试件的力学性能检...
您 的 终 端 方 案 解 决 伙 伴 为健康助跑,为中国加油 ——new balance “ 跑步顾问”全国巡回路演 您 的 终 端 方 ...
NB/T47019.1~47019.8锅炉、热交换器用管订货技术条件全国锅炉压力容器标准化技术委员会12011.09.30目录•起草背景•制订过程•标准结构•...
第15卷第4期Vol.15No.4中国有色金属学报TheChineseJournalofNonferrousMetals2005年4月Apr.2005文章编号:10040609(2005)04054105电脱氧法由...
NT/T47013.7解析山东省特种设备检验研究院李以善2015.08.26一、与JB/T4730.1—2005相比,主要变化•新增章节参考了二、条文解析•不适用表...
NB灯光杂记你有想过到底什么是好的灯光,怎么做才可以打出好的灯光,什么又是好的灯光那?灯光有好坏和对错之分吗/等等类似的问题,我想也...

