电脑桌面
添加小米粒文库到电脑桌面
安装后可以在桌面快捷访问

NB_T470162011与JB_T47442000的标准比对VIP免费

NB_T470162011与JB_T47442000的标准比对_第1页
1/6
NB_T470162011与JB_T47442000的标准比对_第2页
2/6
NB_T470162011与JB_T47442000的标准比对_第3页
3/6
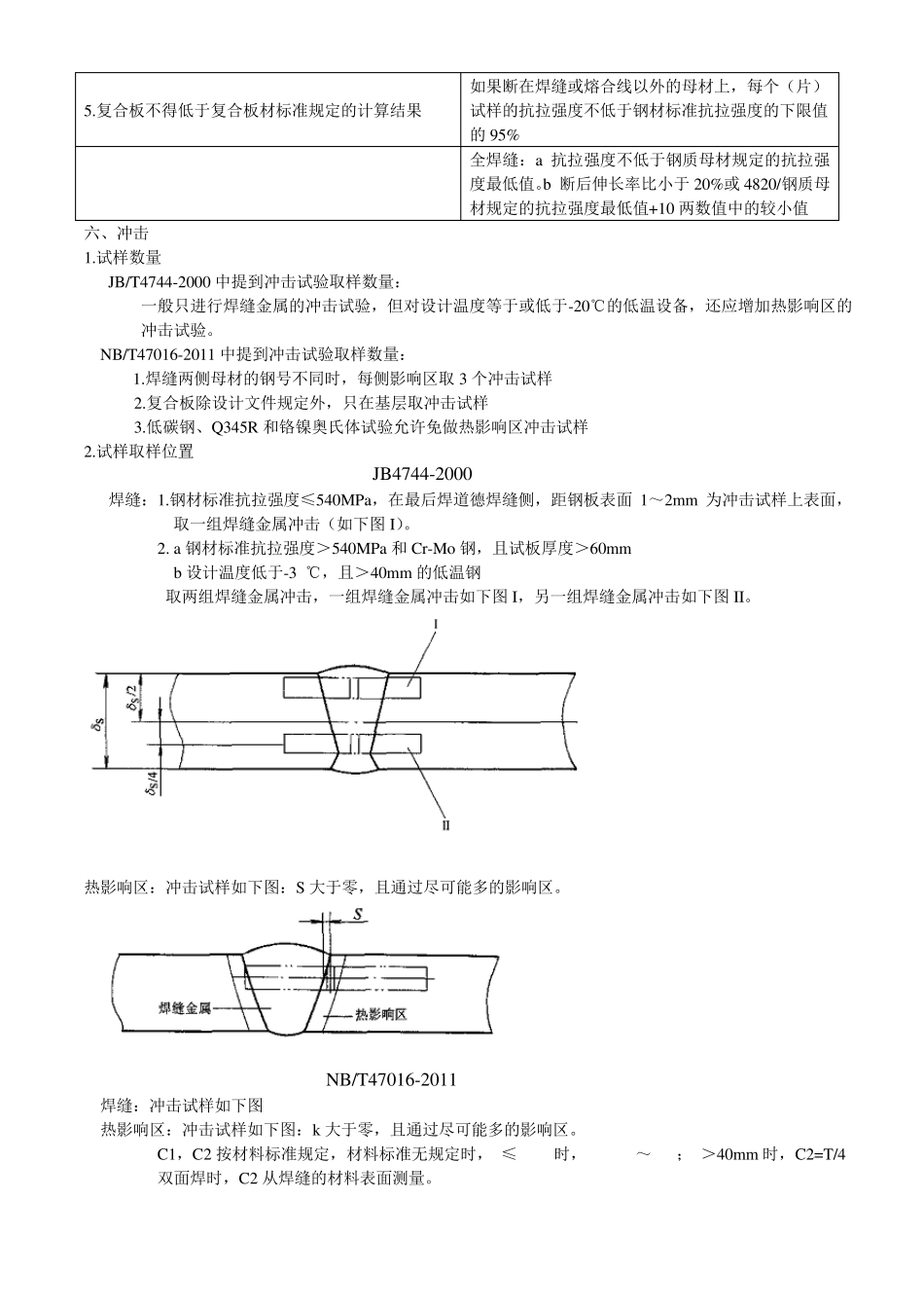
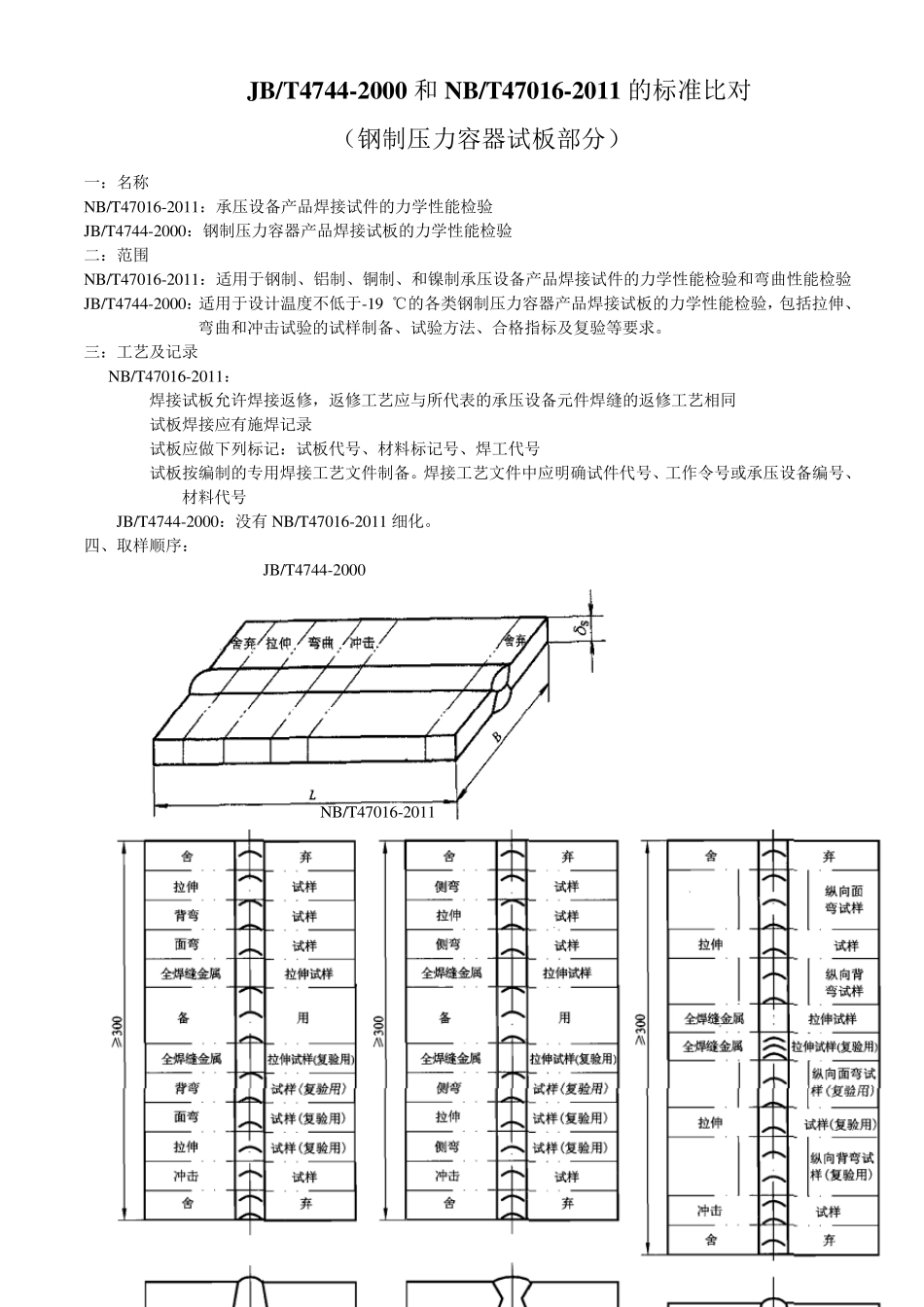
JB/T4744-2000 和NB/T47016-2011 的标准比对 (钢制压力容器试板部分) 一:名称 NB/T47016-2011:承压设备产品焊接试件的力学性能检验 JB/T4744-2000:钢制压力容器产品焊接试板的力学性能检验 二:范围 NB/T47016-2011:适用于钢制、铝制、铜制、和镍制承压设备产品焊接试件的力学性能检验和弯曲性能检验 JB/T4744-2000:适用于设计温度不低于-196℃的各类钢制压力容器产品焊接试板的力学性能检验,包括拉伸、弯曲和冲击试验的试样制备、试验方法、合格指标及复验等要求。 三:工艺及记录 NB/T47016-2011: 焊接试板允许焊接返修,返修工艺应与所代表的承压设备元件焊缝的返修工艺相同 试板焊接应有施焊记录 试板应做下列标记:试板代号、材料标记号、焊工代号 试板按编制的专用焊接工艺文件制备。焊接工艺文件中应明确试件代号、工作令号或承压设备编号、材料代号 JB/T4744-2000:没有 NB/T47016-2011 细化。 四、取样顺序: JB/T4744-2000 NB/T47016-2011 五、拉伸 1.试样尺寸与光洁度不同 JB/T4744-2000:b≥25mm NB/T47016-2011:W≥20mm 2. NB/T47016-2011 增加了全焊缝拉伸试验:只用于锅炉中承受内压的圆筒产品焊接试件,检测参数:抗拉强度,断后伸长率。 3. NB/T47016-2011 规定了复合板的强度计算及试样取样:(1)覆层参与强度计算,拉伸试样包括覆层和基层(2)覆层不参与强度计算,拉伸试样应去除覆层及其焊缝金属。 4. 合格指标变化 合格指标 JB/T4744-2000 NB/T47016-2011 拉伸试样的抗拉强度应大于或等于下列规定之一: 厚度小于等于 30m m 的试样,采用全厚度试样 1.产品图样的规定值 每个(片)试样的抗拉强度不低于钢材标准抗拉强度的下限值 2.钢材标准抗拉强度的下限值 3.不同强度等级的,不低于两种钢材标准抗拉强度的下限值中的较小者 不同强度等级的,每个(片)试样的抗拉强度不低于两种钢材标准抗拉强度的下限值中的较小者 4.分片试样:平均值符合上述要求。如果断在焊缝或熔合线以外的母材上,该组单片试样的最低值:碳素钢不低于钢材标准抗拉强度的下限值的 95%,低合金钢和高合金钢不低于钢材标准抗拉强度的下限值的97% 若规定使用室温抗拉强度低于母材的焊缝金属,每个(片)试样的抗拉强度不低于焊缝金属规定的抗拉强度最低值 六、冲击 1.试样数量 JB/T4744-2000 中提到冲击试验取样数量: 一般只进行焊缝金属的冲击试验,但对设计温度等于或低于-20℃的低...

1、当您付费下载文档后,您只拥有了使用权限,并不意味着购买了版权,文档只能用于自身使用,不得用于其他商业用途(如 [转卖]进行直接盈利或[编辑后售卖]进行间接盈利)。
2、本站所有内容均由合作方或网友上传,本站不对文档的完整性、权威性及其观点立场正确性做任何保证或承诺!文档内容仅供研究参考,付费前请自行鉴别。
3、如文档内容存在违规,或者侵犯商业秘密、侵犯著作权等,请点击“违规举报”。

碎片内容

NB_T470162011与JB_T47442000的标准比对

您可能关注的文档

确认删除?
VIP
微信客服
  • 扫码咨询
会员Q群
  • 会员专属群点击这里加入QQ群
客服邮箱
回到顶部