表8 .5 .1 0 建筑施工现场临时用电电工安装、巡检、维修、拆除工作记录 巡检及处理问题记录:现场1号开关箱跳闸,振动器电源漏电,从...
范文 范例 指导 学习 w ord 版本整理分享 施工现场临时用电标准 施 工 现 场 临 时 用 电 的 基 本 原 则 ; 组 织...
设备名称数量额定(铭牌)功率Pr(KW)额定负载持续率εr需要系数Kx塔吊7036191.540%0.5塔吊501314540%0.5钢筋切断机24100%0.7钢筋调制机2410...
施工现场临时用电施工方案 工程名称:长安紫宸公寓 编制人: 日期: 审核人: 日期: 批准人:期: 施工单位:陕西华弘建筑安装工程...
1 建筑工程项目临时设施 施 工 方 案 编 制 人: 审 核 人: 审 批 人: 编 制 单 位 : 编 制 日 期 : 2 目录 ...
江苏伟丰建筑安装集团有限公司田湾项目部 1 / 8 田湾核电站二期工程CNPE项目现场办公楼工程 施工临时用水专项方案 编制单位:江苏伟...
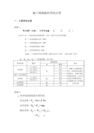
施工现场临时用电计算 一、计算用电总量 方法一: P=1.05~1.10(k1∑P1/Cosφ +k2∑P2+ k3∑P3+ k4∑P4) 公式中:P——供电设备总...
目 录 1、编制依据 ........................................................................................... 1 2、工程概况 ...
目 录 1 、工程概况 ..............................................................................................................
光谷分院项目一期门诊楼 金属护栏网围挡 安 装 施 工 方 案 编制人: 审核人: 审批人: 编制时间:2 0 1 9 年 1 月 2 ...
v 建筑工地临时设施参考指标 v 临时加工厂面积参考指标 说明:资料来源为:中国建筑科学研究院调查报告、原华东工业建筑设计院资料及其...
第1 页 共1 6 页 目录 一、工程概况…………………………………………………………………2 二、施工组织与管理…………………………...
目 录 一、项目概况 二、施工组织机构 三、施工工器具配置 四、施工保证措施 五、作业风险评估 六、施工方法及进度计划 七、安全及...
下载后可任意编辑【 - 企业用工合同模板】★以下是为大家整理的 2024 年企业临时用工合同模板文章,供大家参考![提示]更多合同范本请...
下载后可任意编辑2024 学校临时用工合同正规版模板甲方: 乙方: 签订地点: 签订时间: 编号: 下载后可任意编辑甲方:____________...
下载后可任意编辑2024 临时用工合同样本甲方: 乙方: 签订地点: 签订时间: 合同编号: 下载后可任意编辑2024 临时用工合同样本 ...
下载后可任意编辑20XX 临时劳务用工协议书 根据《_________》的规定,单位(以下简称甲方)因生产、工作需要招用_________同志(以下简称乙...
下载后可任意编辑2024-临时活动场地租赁合同范本甲方: 乙方: 签订地点: 签订时间: 编号: 下载后可任意编辑甲方(出租方): 公...
下载后可任意编辑鹰潭市城区道路临时占道停车收费经营承包合同甲方:乙方:为法律规范鹰潭市城区机动车停放秩序,确保道路交通安全畅通,甲...
下载后可任意编辑劳 动 合 同 书甲方(用人单位):湖南涟邵建设工程(集团)有限责任公司 大顶山 项 目部 ,乙方(劳动者):姓名...

