临时砖围墙施工技术法律规范一、 编制说明 1、工程名称:####地临时砖围墙工程2、 编制目得、宗旨:编制时为业主着想,施工时对业主负...
临时管理规约同示范文本 一、为维护全体业主和物业使用人的合法权益,保障本物业区域内物业的安全与合理使用,维护公共秩序,促进管理有序...
临时租用场地合同书 出租方(甲方):_______________ 承租方(乙方):_______________ 地址:____________________ 地址:______________...
临时租赁合同范本 甲方:______________________ 乙方:______________________ 甲方与乙方经友好协商,现就大学城号地块租用事宜,为明...
临时租车协议 甲方:_________________________ 乙方:_________________________ 一、车型__________________________________________...
临时管理规约(示范文本版物业管理圈)使用说明本示范文本供建设单位制定|临时管理规约时参考使用。建设单位可根据本物业管理区域的具体情...
临时电源停、送电管理规定为了保证长山电厂土建和安装施工期间的用电安全,法律规范人员停送电操作行为,防止因误操作而发生供电事故和人身...
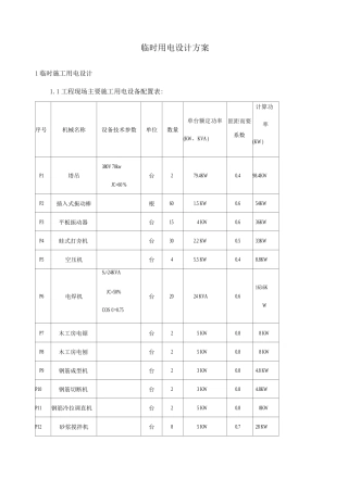
临时用电设计方案1 临时施工用电设计1.1 工程现场主要施工用电设备配置表:序号机械名称设备技术参数单位数量单台额定功率(KW、KVA )匪距...
临时短期员工劳动合同 甲方: 乙方: 甲乙双方根据《宁夏回族自治区外来劳动力就业管理办法》规定,平等自愿、协商一致,签订本合同。 ...
临时电气焊作业安全技术措施为保障井下生产系统安全生产,防止电、气焊(割)引发火灾、瓦斯、煤尘爆炸等事故,根据《煤矿安全规程》等相关...
临时用电设计试题库(47-答案)临时用电设计试题库一、填空1、我们国家新的施工现场临时用电技术法律规范是(2025)年 发布实施的法律规范...
临时用电管理规程(一)用电申请用户应事先向物业管理部以书面形式申请用电,并注明用电单位全称、用 电地点、负荷量、电压等级、相数及时...
临时用电管理办法第一章 总则 第一条 为加强临时用电管理,法律规范用电秩序,确保临时用电客户安全和电网的稳定运行,根据有关电力法律...
临时用电管理规定为了加强楼宇修缮和业主装修工程的临时施工用电管理,确保管理项目电源 线路安全和电气设施设备安全运行,维护管理项目住...
临时用电管理制度及措施为了加强分宜梁场施工用电的安全管理,法律规范用电行为,防止和减 少施工用电的安全事故,保障员工的生命和财产安...
临时用电管理规定为了加强楼宇修缮和业主装修工程的临时施工用电管理,确保管理项目电源 线路安全和电气设施设备安全运行,维护管理项目住...
临时用电管理措施一、接地安全措施1、一般规定(1)建立现场临时用电检查制度,按现场临时用电管理有关规定 对现场的各种线路和设施进行定...
临时用电管理规程1、目的保障大楼法律规范用电、安全用电。2、适用范围大楼商场及地下室各项装修范围。3、职责二次装修管理人员负责临时用...
修订日期:2025 年 01 月 20 日临时用电安全管理制度BFNY-AXGL-016-2025-A/11 总则1.1目的为了加强宁夏宝丰能源集团股份有限公司(以...
六、临时用电为了做到在该工程中“平安第一、预防为主〞的方针临时用电的危险性较大且用电对人员的伤亡具备极大的隐蔽性为了确保在施工现场...

