电脑桌面
添加小米粒文库到电脑桌面
安装后可以在桌面快捷访问

临时用电设计方案

临时用电设计方案_第1页
1/6
临时用电设计方案_第2页
2/6
临时用电设计方案_第3页
3/6
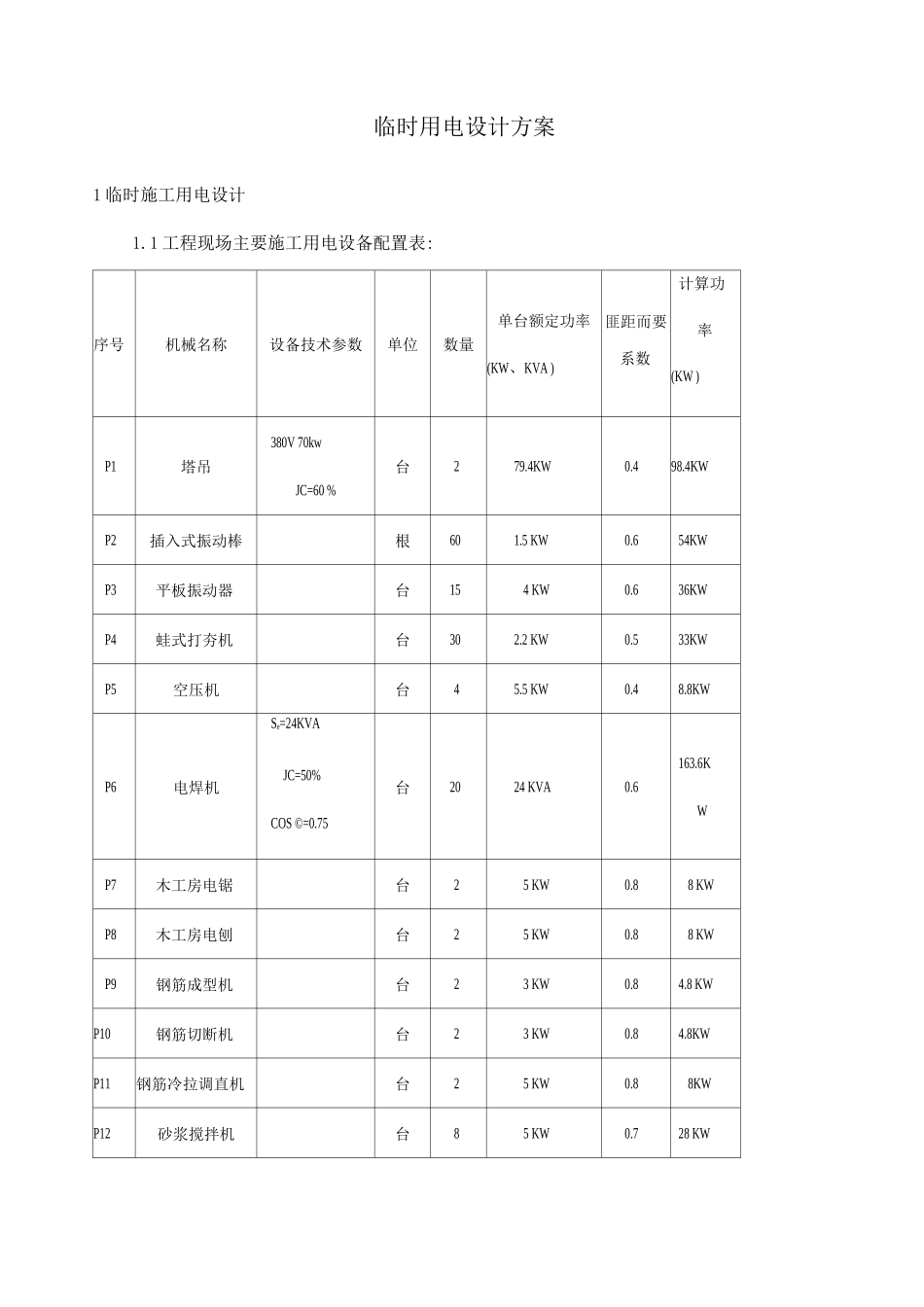
临时用电设计方案1 临时施工用电设计1.1 工程现场主要施工用电设备配置表:序号机械名称设备技术参数单位数量单台额定功率(KW、KVA )匪距而要系数计算功率(KW )P1塔吊380V 70kwJC=60 %台279.4KW0.498.4KWP2插入式振动棒根601.5 KW0.654KWP3平板振动器台154 KW0.636KWP4蛙式打夯机台302.2 KW0.533KWP5空压机台45.5 KW0.48.8KWP6电焊机Se=24KVAJC=50%COS ©=0.75台2024 KVA0.6163.6KWP7木工房电锯台25 KW0.88 KWP8木工房电刨台25 KW0.88 KWP9钢筋成型机台23 KW0.84.8 KWP10钢筋切断机台23 KW0.84.8KWP11钢筋冷拉调直机台25 KW0.88KWP12砂浆搅拌机台85 KW0.728 KWP13加压水泵台118.5KW0.814.8 KWP14龙门架台195KW0.876KWP15办公照明50 KW0.945 KW合计591.2KW1.2 负荷计算塔吊:P1=K*2*2P「JC =0.4*2*2*79.4 JU76=98.4kw电焊机:P6=K*n*S /JC cos 巾=0.6*20*24 廿於 *0.8=163.56kw设备总计算功率:Pj= P]+P 2+...+P 15=591.2kw。设备总计算容量:Sj=P j/COS =591.2/0.75=788KVA注:功率因素取 COS =0.751.3 变压器的选择:因计算设备总计算容量为 788KVA现场选用两台 4KVA 变压器,1.4 电缆选择一级箱电源电缆计算如下:Ij = P/3UcosIj = Pj v/3Ucos =148/ <3Ucos =148/ 3 *0.38*0.8=281A其中 I:回路电流(A )Pj:单台一级配电箱容量(因一台变压器带两台一级配电箱,Pj/4=591.2/4=148KW)cos :设备平均功率因数 0.8U :三相电压 0.38KV计算结果查电缆载流量表可知:电源至 1#、2#、3#、4# 一级箱选用 VV22 —( 3 x185+2x95 ) mm 2 电缆,共计 815 米。二级箱电源电缆计算如下:一级箱设 5 个 250A 开关支路,每个支路电缆至二级箱选用 YC— 3 x70+2 x25 电缆。AL1-1=75 米,AL1-2=125 米,AL1-3=125 米,AL1-4=145 米,AL1-5=210 米,AL2-1=70米,AL2-2=1 米,AL2-3=170 米,AL2-4=110 米,AL2-5=210 米,AL3-1=230 米,AL3-2=2 米,AL3-3=125 米,AL3-4=50 米,AL3-5=130 米,AL4-1=30 米,AL4-2=20 米,AL4-3=30 米,AL4-4=90 米,AL5-1=150 米,AL5-2=210 米,选用 YC —3 x70+2x35 电缆,共计 2615 米。电缆电压降核算:单台变压器供四台一级配电箱计算,每台一级配电箱所带负荷为:Pj/4=591.2/4=148KW, VV22-185 电缆最长为 470 米。E1= AU%=( P*L/C*S ) %= ( 148*470/77*185 )%=4.88%&:电压降,法律规范允许电压降为...

1、当您付费下载文档后,您只拥有了使用权限,并不意味着购买了版权,文档只能用于自身使用,不得用于其他商业用途(如 [转卖]进行直接盈利或[编辑后售卖]进行间接盈利)。
2、本站所有内容均由合作方或网友上传,本站不对文档的完整性、权威性及其观点立场正确性做任何保证或承诺!文档内容仅供研究参考,付费前请自行鉴别。
3、如文档内容存在违规,或者侵犯商业秘密、侵犯著作权等,请点击“违规举报”。

碎片内容

临时用电设计方案

您可能关注的文档

确认删除?
VIP
微信客服
  • 扫码咨询
会员Q群
  • 会员专属群点击这里加入QQ群
客服邮箱
回到顶部