表面装饰方法印字:若需在工程塑料的表面上印字或图案时,有以下几种方法。表面装饰曲面印刷丝网印刷渗透印刷蚀刻印刷电化铝烫印激光印字着...
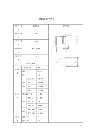
1塑件成型工艺卡塑件名称椭圆瓶盖塑件草图材料牌号ABS单件重量4.16g成型设备型号SZ—60/450每模件数8成型工艺参数材料干燥干燥设备名称烘箱...
~~常州轻功职业技术学院~~毕业实习报告系别:轻化工工程系专业:高分子材料应用技术班级:08塑模331学生姓名:**********学生学号:0813263...
西安航空职业技术学院毕业设计论文1塑料端盖注塑模的设计【摘要】模具工业被称为工业之母,作为模具中重要分支的注塑模具,已成为当今生产...
本科生毕业设计论文中文题目塑料叉子注塑模模具设计英文题目Morethanamoldcavityforkinjectionmold学生姓名谢志敏班级2011241232学号201124...
1/28塑料注塑模具验收标准目的:为确保模具能生产出合格的产品,正常投入生产,保证模具生产使用寿命,满足产品设计的生产使用要求。规范从...
铜陵学院毕业设计-1-第一章工况分析1.1注塑成型动作过程大型塑料注射机目前都是全液压控制。其基本工作原理是:粒状塑料通过料斗进入螺旋推...
塑料注射模具的主要工作内容一塑料注射模具的主要工作内容1.设计前的准备工作(1)熟悉塑件:塑件的几何形状、塑件的使用要求、塑件原料的特性...
江苏斯尔邦石化有限公司地基预处理工程一标段塑料排水板施工专项安全方案编制:审批:南通东亚地基处理工程有限公司2013年6月10日目录第一...
塑料包装材料及其包装容器
供应商质量保证协议书1.目的:为确保原辅料质量符合国家食品安全要求,同时满足本公司产品特殊性需要,保障本公司生产顺利进行,明确供应商...
复习题一一、选择题1、以下塑料中,透光率92%优于普通硅玻璃的是(C)A氨基塑料B硅酮塑料C聚甲基丙烯甲酯D聚碳酸酯2、以下塑料模具,具有高...
潇湘职业学院备课本院系:机电工程学院专业:模具设计与制造科目:塑料模设计教师:陆唐班级:大09模具1、2班时间:2011年上学期2项目一塑...
国内外塑料助剂的发展现状与展望西晓丽王熺曹婷婷大庆化工研究中心1目录1前言.........................................................1...
一、合成材料我们常说的三大合成材料是指:、、。近年发展的合成材料有、。合成纤维塑料合成橡胶涂料黏合剂一、合成材料1、塑料(1)成分:...
高中《化学》新人教版选修1系列课件化学与生活3.4《塑料、纤维和橡胶》教学目标1.列举生活中的常用材料,能通过实例认识化学在发展生活...
2024年ABS塑料市场发展现状概述ABS塑料(AcrylonitrileButadieneStyrene)是一种常见的工程塑料,具有优良的力学性能、耐热性和耐化学性,...
专业合同封面COUNTRACTCOVER20XXPERSONALRESUME甲方:XXX乙方:XXX2024年ABS塑料颗粒购销质量保证合同本合同目录一览第一条定义与解释1.1定...
一、塑料的应用范围现代人的生活离不开塑料,不仅在日常生活中,而且工业、商业、农业等领域中都广泛的使用着塑料制品。塑料的应用范围一、...
学业分层测评知识点一知识点二第4节塑料橡胶纤维1.初步认识有机高分子化合物的结构、性质及其应用。2.学会书写加聚反应的化学方程式。(重...


