下载后可任意编辑志愿者星级评定方案12024 年 4 月 19 日下载后可任意编辑广州中医药大学青年志愿者指导中心星级志愿者评定 策 划 ...
现场管理星级评价申报材料大纲1、 现场简介1.1 公司简介 <控制在 300 字以内)1.2 项目简况 <控制在500 字以内)必须附效果图、立...
先进团支部申请材料福建水利电力职业技术学院建筑工程技术 1132 团支部二 0 一二年三月二十二日( 目录) 前言一、 团支部简介下载后...
下载后可任意编辑星级农家乐申请表申报单位石柱土家族自治县巴盐古道幺店子餐饮有限公司农家乐通讯地址石柱土家族自治县黄水临海路 31 号...
下载后可任意编辑学生”星级少年”激励性评价制度经过对学生进展过程的关注和引导, 在一定目标指引下以”微笑卡”、 ”阳光卡”、 ”星...
下载后可任意编辑发电厂星级班组创建管理标准及考评细则12024 年 4 月 19 日下载后可任意编辑附件 1: 发电厂班组管理标准及考评细...
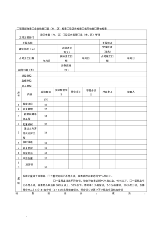
□项目部自查□企业检查□县(市、区)检查□设区市检查□省厅检查□其他检查工程主管部门设区市县(市、区)□设区市直管□县(市、区)管...
下载后可任意编辑仁怀市实验小学星级学生考核评价方案12024 年 6 月 23 日下载后可任意编辑22024 年 6 月 23 日下载后可任意编辑...
1 制造业现场管理星级评价标准 为引导组织建立安全、规范、有序、优质、高效的生产制造现场管理系统,提高组织在产品和服务的质量、成本...
下载后可任意编辑上海大酒店星级服务员考核标准及考评制度12024 年 5 月 29 日下载后可任意编辑22024 年 5 月 29 日下载后可任意...
下载后可任意编辑银行星级网点创建迎检演说介绍词 银行星级网点创建迎检演说介绍词各位领导大家好,欢迎各位领导莅临检查我行网点的创建工...
下载后可任意编辑真情付出受赞扬——星级服务员事迹材料 高彦 刘飞燕,人如其名,漂亮有气质;工作起来动作敏捷,身轻如燕;生活中 ,热...
下载后可任意编辑疾病预防控制中心星级党支部创建工作汇报疾病预防控制中心星级党支部创建工作汇报 疾病预防控制中心星级党支部创建工作汇...
浩沙健身私教部星级评定标准一、 星级分类一星实习健身顾问二星健身顾问三星私人教练四星高级私人教练(运动训练、体重管理、运动康复)五...
下载后可任意编辑星级社团评比之社长演讲稿 亲爱的评委老师、同学们: 大家好,我是常州市实验小学的李有容同学,我非常荣幸可以代表我们...
下载后可任意编辑支行创建星级网点的成果汇报支行创建星级网点的成果汇报 尊敬的各位领导、各位专家,您们好! 欢迎来到我的家乡,漂亮的...
江苏省普通高中星级评估自评表(四星晋评)学校名称现有星级校长姓名电话学校地址学校网址江苏省教育评估院制二〇一八年八月1 填 写 说...
下载后可任意编辑幸福村创建星级文明户总结幸福村创建“十星级文明户”活动工作总结 为扎实推动社会主义新农村建设,更好地发挥农村家庭在...
舞 蹈 培 训 教 材 (适用年龄:3—4 岁) 目 录 1、亲亲我(亲子)… … … … … … … … … … … ..… … ......
下载后可任意编辑收费站星级考核标准资源标准(100 分)项目分项内容标准要求检查方法评分标准得分1.收费区(35分)1.1 收费广场(10分)...

