编号: 合 肥 新 烨 基·未 来 国 际 工 程应 急 救 援 预 案二零一四年二月下载后可任意编辑应 急 救 援 预 案编 制...
下载后可任意编辑安全救援应急预案1下载后可任意编辑目 录第一章 总 则.........................................1第一节 编制目的......
下载后可任意编辑安全事故的应急与救援方案什邡1什邡市廉租房市政工程项目 安全事故的应急与救援方案编制: 审核: 审批: 北京城乡建设集...
下载后可任意编辑安全事故应急救援预案1安全事故应急救援预案为了加强安全生产工作, 提高公司在施工生产过程中突发事件的应变能力, 尽快...
安全事故应急救援制度 第一条为了确保事故救援体系的建立和有效运行,减少和降低事故损失,特制定本制度 第二条项目部成立以项目经理任组...
下载后可任意编辑如何编制救援应急预案模板1下载后可任意编辑如何编制救援应急预案一、 制定救灾应急预案的目的 救灾应急预案是应对灾害...
下载后可任意编辑如何编制救援应急预案1下载后可任意编辑如何编制救援应急预案一、 制定救灾应急预案的目的 救灾应急预案是应对灾害的紧...
第 1 页 共 3 页下载后可任意编辑大面积停电应急救援预案演练总结 临县华烨煤业有限公司,大面积停电、停风事故应急救援预案 演练总...
下载后可任意编辑大酒店施工现场应急救援预案模板1下载后可任意编辑茶都格尼斯大酒店施工现场应急救援预案编 制: 审 核: 批 准: 施工...
下载后可任意编辑县政府重特大安全生产事故应急救援预案一、前言为进一步加强县政府重特大安全生产事故的应急救援工作,提高县政府应对重特...
下载后可任意编辑《危险化学品单位应急救援物资配备标准》标准编制说明一、 编制的必要性随着中国国民经济的快速进展, 危险化学品的需求...
下载后可任意编辑南宁市紧急救援中心综合楼建筑节能监理规划12024 年 4 月 19 日南宁市紧急救援中心综合楼建筑节能工程监理规划广西建...
下载后可任意编辑分公司应急救援方案12024 年 6 月 23 日下载后可任意编辑分公司安全事故应急救援预案为了加强安全生产工作, 提高分...
精心整理特种设备应急救援制度1 目的为避免特种设备事故发生和扩大,减少人员伤亡和财产损失,本着“预防为主、自救为主”的原则,制定本...
v1.0 可编辑可修改1 特种设备应急救援制度总则3.1.1 为避免特种设备事故发生和扩大,减少人员山王和财产损失,本着“预防为主3.1.2事故...
特种设备(叉车)事故应急救援预案姓名: XXX 部门: XXX 日期: XXX 第 2 页 共 5 页特种设备(叉车)事故应急救援预案第一章...
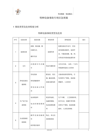
实用文档1 特种设备事故专项应急预案1 事故类型及危害程度分析特种设备事故类型及危害序号设备名称危险因素事故类型影响范围备注1 起重...
仅供参考 [整理 ] 第 1 页 共 3 页安全管理文书特种设备事故应急救援制度日期: __________________单位: __________________仅...
精心整理精心整理应急救援预案为认真做好应急救援工作,提高应急处置能力,随时应对突发事件的发生,确保道路运输生产安全,保证重要物资及...
仅供参考 [整理 ] 第 1 页 共 4 页安全管理文书物体打击事故预防措施及应急救援措施日期: __________________单位: __________...

