液化石油气充装站事故应急救援预案指南 前 言根据《中华人民共和国安全生产法》、《中华人民共和国突发事件应对法》、《特种设备安全监察...
循环封闭式索道事故应急救援预案指南 前 言根据《中华人民共和国安全生产法》、《中华人民共和国突发事件应对法》、《特种设备安全监察条...
应急救援队队长个人先进事迹材料志愿服务显担当 应急救援有力量**,男,41 岁,****应急救援队队长。他既不是部队兵,又不是消防队员,却...
在灭火救援工作例会暨年度灭火救援重点工作推进会上的讲话同志们:这次会议的主要目的是深入贯彻国家消防救援局和总队的最新部署要求,进一...
一、电梯结构二、电梯的八大系统三、电梯应急救援说明四、电梯使用安全守则 一、电梯结构1- 减速箱;2- 曳引轮;3- 曳引机底座;4- 导...
渝蓉高速(四川段)清障救援安全培训 1LOGO什么是高速公路清障救援 ? 2清障救援的工作流程 3 事故现场作业安全防护规范 4清障救援的...
在 2025 年市消防救援支队年轻干部座谈会上的讲话同志们:今天,支队党委组织召开这次年轻干部座谈会,主要目的是深入贯彻落实党的二十大...
在 2025 年全县应急救援力量工作座谈会暨业务培训会上的讲话同志们:今天,我们在这里召开全县应急救援力量工作座谈会暨业务培训会,主要...
加油站职业危害应急救援预案 为了积极应对可能发生的职业危害事故,及时组织和协调各方面救援力量,预防和减少可能发生的职业病危害事故,...
加油站应急救援预案东安县水岭加油站实 施 令为使加油站全体员工了解、熟悉本站在各类事故状态下的应急处置程序,做好应急响应的准备工作,...
xx 县 xx 乡 xx 加油站事 故 应 急 救 援 预 案 2025 年 4 月 10 日发布 2025 年 4 月 10 日实施 xx 县 xx 乡...
XXXXXXXXX加油站生产安全事故应急预案2025 年 月 日发布 2025 年 月 日实施 Xx加油站编制预案编号XXX001预案版本A/2025XXXXXXX 加...
应急救援预案演练记录应急预案名称 事故应急救援预案潜在的紧急状态验证目的1、 验证加油站事故应急救援预案的合理性、有用性、可用性、...
XXXXXXXX 加油站安字[2025]第 4 号关于印发《XXXXXXXX 加油站事故应急救援预案和安全管理制度、安全操作规程》的通知加油站各部门: 根...
苏州市 XXXX 有限公司办公楼装修工程安全事故应急救援预案苏州 XX 建设工程有限公司XX 办公楼装修工程项目部2025 年 10 月 9 日...
制砖厂应急预案体系制砖厂安全生产事故应急救援预案 2025—6—19 发布 2025—6-19 实施制砖厂发布制砖厂安全生产事故应急救援预案批准...
列车脱轨救援应急演练方案一、目的因目前列车脱轨救援实操演练基本在车辆段进行,与隧道环境完全不同,为提高车站应急保障能力,保障运营生...
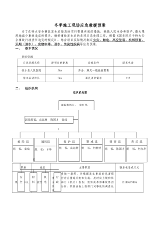
冬季施工现场应急救援预案为了在特大安全事故发生后能及时实行积极有效的措施,抢救人民生命和财产 ,最大限度地减少事故造成的损失,做好...
目 录一、应急预案的方针与目标------------------------------------2二、应急策划------------------------------------------------2(...
冬季施工应急预案一、应急预案的方针与目标坚持“安全第一、预防为主、综合治理”的方针,响应“安全生产、警钟长鸣”的口号。更好地适应法...

