新农村二层住宅全套施工图、效果图及方案说明 12x9图纸预览图及简介:[仅是局部效果预览,详细内容及整套图纸请下载附件查看] 内部功能分...
房屋建筑和市政工程施工图会审常见容----------------------- -----------------------日期:房 屋 建 筑 和 市 政 工 程 施 工...
建设工程施工图审图要点----------------------- -----------------------日期:粤能工程管理企业标准建设工程项目施工图审图要点表2024-0...
第 4 章建筑设备施工图的识读 4.1 建筑设备施工图的内容和特点建筑设备是保障一幢房屋能够正常使用的必备条件,也是房屋的重要组成部分...
建筑结构施工图识读 建筑结构施工图识读§16-1 建筑工程施工图概述一、建筑工程施工图的作用工程图纸是工程界的技术语言, 是表达工程设...
房屋的建造一般需经设计和施工两个过程,设计工作又分为初步设计和施工图设计阶段。但对一些技术上复杂而又缺乏设计经验的工程,还应在初步...
建筑工程结构施工图设计讨论 摘要:分析了建筑工程结构施工图设计中存在的问题,并针对性提出建设工程结构施工图设计的应对策略,为建筑工...
【分享】建筑工程施工图设计文件审查要点建筑工程施工图设计文件审查要点一、总 则(一)为指导建筑工程施工图设计文件审查工作,根据《建...
如何做好投资项目施工图预算工作 【摘要】施工图预算造价是当前项目招投标以及整个项目管理、施工、竣工过程中的关键性文件之一,对整个投...
华润公司施工图评审表----------------------- -----------------------日期: 更多资料请访问.(.....)../ 我的文件夹 /...../ 更多...
剪力墙平法施工图制图规则剪力墙基本概念1.什么是剪力墙? 框架结构中有时把框架梁柱之间的矩形空间设置一道现浇钢筋混凝土墙,用以加强框...
内河航运工程施工图设计文件编制办法目 次总 则航运枢纽工程航道整治工程港口工程修造船厂工程通信工程航标工程附加说明 总 则 1.0.1...
000 兴盛名园-k 座施工图预算的编制摘 要施工图预算是由设计单位在施工图设计完成后,根据施工图设计图纸、现行预算定额、费用定额以与...
中央城市 1-8 楼项目弱电设计深化之施工图分析与建议二〇一五年十月八日目录一、施工图的完整性分析 3二、分项对施工图纸进行分析 31、...
宿迁建筑工程施工图综合审的通知 宿豫区、宿城区人民政府,宿迁经济开发区、市骆马湖示范区、苏州宿迁工业园区,各委、办、局,市各直属单...
上海市公共建筑绿色设计施工图设计文件审查要点上海市建设工程设计文件审查管理事务中心二〇一四年十二月前言受上海市城乡建设和管理委员会...
[xxx 项目] 施工图设计任务书_____________公司设计管理部二零__年__月第一部分 总则 .................................................
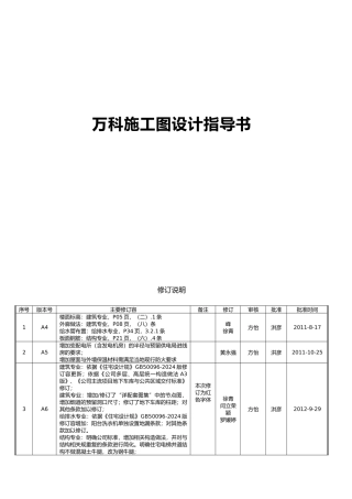
万科施工图设计指导书修订说明序号版本号主要修订容备注修订审核批准批准时间1A4楼面标高:建筑专业,P05 页,(二).1 条外廊做法:建筑...
毕 业 设 计 [论 文 ]题 目 : 洛 宜 一 级 公 路 (A) K10+125-K13+525 标 段 施 工 图 设 计 学 院 : 交 通...
梁施工图设计 YJK 参数:一、绘图参数:1)标注腰筋:仅受扭腰筋二、通用选筋参数:1.最小要筋直径取 10三、框架梁选筋参数:1.下筋放大...

