GB/T2978—2024I目次前言...............................................................................In1范围........................
无缝钢管尺寸规格表讲解TYYGROUPsystemofficeroom【TYYUA16H-TYY-TYYYUA8Q8-无缝钢管尺寸规格表单位:Kg/m壁厚外径34563238424550545760687...
常用法兰标准尺寸表作者:日期:常用法兰标准尺寸表内容来源网络,由“深圳机械展(11万m2,1100多家展商,超10万观众)”收集整理!更多cnc...
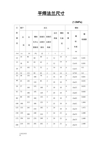
专业技术资料平焊法兰尺寸(1.0MPa)公称通径管子法兰螺栓外径外径螺栓孔中心圆直径连接凸出部分直径连接凸出部分高度法兰厚度螺栓孔直径数量...
M米制粗牙螺纹基本牙型与尺寸和公差带H=^|-P=0,866025PHi=H=0.5r3l-'8H2=二0.61®川2dd2=D2=d-0.64952Pdi=d-2H=d-1t22687P「处—=0J44340代...
尺寸规格钢筋的尺寸规格公称直径/mm公称横截面面积/mm2理论质量/(kg/m)628.270.222850.270.3951078.540.61712113.10.88814153.91.2116201.1...
45。弯头/90。弯头/180。弯头产品系列尺寸表:公称通径端部外径中心至端面中心至中心背面至端面CentertoEndCentertoCenterBacktoFaceNominal...
口规點片电阻懵创总切的骷丿门ya的标笊」寸装必劉匸功率如卜鬲要制御1)公制(mrn)020106031^0U4U21D[)S1-'1B:)6031&[JB1-1(]08052012i,e12...
,.CATIA文字、尺寸与公差标注1范围本标准规定了CATIA三维模型尺寸的标注及CATIA二维图样中文字、尺寸、公差、表面粗糙度等的标注,并给出了...
第169页共2页编号:时间:2021年x月x日书山有路勤为径,学海无涯苦作舟页码:第169页共2页混凝土设备基础外观及尺寸偏差检验批验收记录表GB...
第1页共109页编号:时间:2021年x月x日书山有路勤为径,学海无涯苦作舟页码:第1页共109页住宅工程质量分户验收记录表(1)(室内空间、构...
三视图及其尺寸专题练习根据立体图,请在答卷中补全俯视图和左视图所缺的线条。根据立体图,补全俯视图和左视图中所缺漏的图线。根据立体图...
结构实体位置与尺寸偏差检验汇总表工程名称恒丰中央广场B区(恒丰商务)2#楼A区建设单位濮阳市天伦置业有限公司施工单位河南崛起建设工程有...
标准文档液压缸主要尺寸的确定液压缸是液压传动的执行元件,它和主机工作机构有直接的联系,对于不同的机种和机构,液压缸具有不同的用途和...
视图只能表达形体的形状,而不能视图只能表达形体的形状,而不能反映形体的大小,形体的真实大小是根据反映形体的大小,形体的真实大小是根...
最新无缝钢管尺寸规格表大全热轧无缝钢管每米重量表外径(毫米)壁厚(毫米)2.533.544.555.566.57理论重量(公斤/米)1.822.152.462.763.0...
(一)球场尺寸精品文档,超值下载比赛场地必须是长方形,边线长度必须长于球门线的长度。长度:最长42米,最短25米宽度:最长25米,最短15...
材料篇180万吨/年加氢裂化装置工艺管道施工手册B17THETENTHCONSTRUCTIONCOMPANYOFSINOPEC3.管件尺寸查询表45。弯头、90。弯头、180。弯头及...
电机尺寸全表ND软起动电机系列型号:Y尹132低起动电茄―Ir-iD*_l4t二稲幵涉电呦巾II■机座号[中命高7S1-43A派生吕I出线方式即三端出磯E:六...
,精品文档印刷尺寸及版式设计基础平面设计常用尺寸(绝对实用)名片横版:90*55mm<方角〉85*54mm<圆角〉竖版:50*90mm<方角〉54*85mm<圆角〉...

