电脑桌面
添加小米粒文库到电脑桌面
安装后可以在桌面快捷访问

螺纹尺寸和公差VIP免费

螺纹尺寸和公差_第1页
1/8
螺纹尺寸和公差_第2页
2/8
螺纹尺寸和公差_第3页
3/8
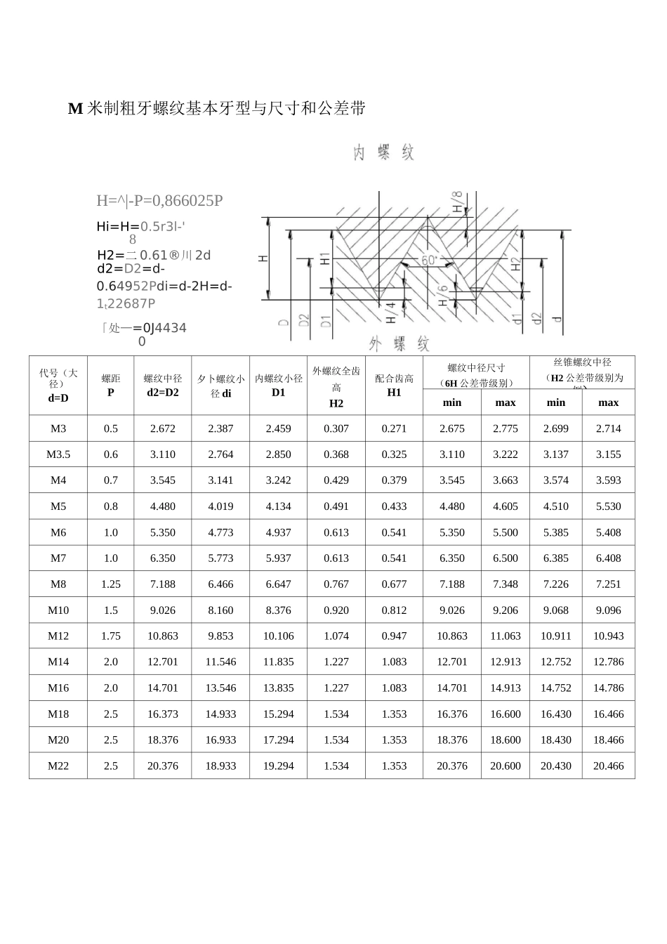
M米制粗牙螺纹基本牙型与尺寸和公差带H=^|-P=0,866025PHi=H=0.5r3l-'8H2=二0.61®川2dd2=D2=d-0.64952Pdi=d-2H=d-1t22687P「处—=0J44340代号(大径)d=D螺距P螺纹中径d2=D2夕卜螺纹小径di内螺纹小径D1外螺纹全齿高H2配合齿高H1螺纹中径尺寸(6H公差带级别)丝锥螺纹中径(H2公差带级别为例)minmaxminmaxM30.52.6722.3872.4590.3070.2712.6752.7752.6992.714M3.50.63.1102.7642.8500.3680.3253.1103.2223.1373.155M40.73.5453.1413.2420.4290.3793.5453.6633.5743.593M50.84.4804.0194.1340.4910.4334.4804.6054.5105.530M61.05.3504.7734.9370.6130.5415.3505.5005.3855.408M71.06.3505.7735.9370.6130.5416.3506.5006.3856.408M81.257.1886.4666.6470.7670.6777.1887.3487.2267.251M101.59.0268.1608.3760.9200.8129.0269.2069.0689.096M121.7510.8639.85310.1061.0740.94710.86311.06310.91110.943M142.012.70111.54611.8351.2271.08312.70112.91312.75212.786M162.014.70113.54613.8351.2271.08314.70114.91314.75214.786M182.516.37314.93315.2941.5341.35316.37616.60016.43016.466M202.518.37616.93317.2941.5341.35318.37618.60018.43018.466M222.520.37618.93319.2941.5341.35320.37620.60020.43020.466MF米制细牙螺纹基本牙型与尺寸和公差带H=^-P=0,866025PHI=4-H=O.;:rjPcH:=吕4:::6刖、卅d2=D2=d-0.649b2Pdi=d-2H=d-k22687Pr匕—=0.-1-13^111b代号(大径)d=D螺距P螺纹中径d2=D2夕卜螺纹小径di内螺纹小径D1外螺纹全齿高H2配合齿高H1螺纹中径尺寸(6H公差带级别)丝锥螺纹中径(H2公差带级别为例)minmaxminmaxM30.352.7732.5712.6210.2150.1892.7732.8632.7942.809M3.50.352.2733.0713.1210.2150.1893.2733.3633.2943.309M40.53.6753.3873.4590.3070.2713.6753.7753.6993.714M50.54.6754.3874.4590.3070.2714.6754.7754.6994.714M60.755.5135.0805.1880.4600.4065.5135.6455.5455.566M81.07.3506.7736.9170.6130.5417.3507.5007.3857.408M101.09.3508.7738.9170.6130.5419.3509.5009.3859.408M101.259.1888.4668.6470.7670.6779.1889.3489.2269.251M121.2511.18810.46610.6470.7670.67711.18811.36811.22611.251M121.511.02610.16010.3760.9200.81211.02611.21611.06811.096M141.513.02612.16012.3760.9200.81213.02613.21613.06813.096M161.515.02614.16014.3760.9200.81215.02615.21615.06815.096M181.517.02616.16016.3760.9200.81217.02617.21617.06817.096M182.016.70115.54615.8351.2271.08316.70116.91316.75216.786M201.519.02618.16018.3760.9200.81219.02619.21619.06819.096内螺纹外螺纹M202.018.70117.54617.8351.2271.08318.70118.91318.75218.786M221.521.02620.16020.3760.9200.81221.02621.21621.06821.096M222.020.70119.54619.8351.2271.08320.70120.91320.75220.786夕卜曝UNC统一粗牙螺纹基本牙型与尺寸和公差带H=^p=0.866025PHI=工H二N541即oH/=4H=0.61343^Z--1d2=D2=cl-Ci.6/1952Pd1=d-2H=d-1.22687P「KtL=O,14434P代号(螺纹直径一25.4m内牙数)螺距P螺纹大径d=D螺纹中径d2=D2内螺纹小径D1夕卜螺纹小径d1螺纹中径尺寸丝锥螺纹中径2B3Bmin2Bmax3BmaxminmaxN0.5—400.6353.1752.7462.4872.3952.7642.8472.8272.7762.789NO.6—320.7943.5052.9902.6472.5322.9903.0843.0583.1053.028NO.8—320.7944.1663.6503.3073.1933.6503.7463.7213.6753.688NO.10—241.0584.8264.1383.6803.5284.1384.2474.2194.9634.176NO.12—241.0585.4864.7984.3414.1884.7984.9104.8824.8234.836UNCl/4〃-201.2706.3505.5244.9764.7935.5245.6465.6165.5755.588UNC5/16〃-181.4117.9387.0216.4116.2057.0217.1557.1207.0717.084UNC3/8"-161.5889.5258.4947.8057.5778.4948.6398.6038.5458.557UNC7/16"-141.81411.1129.9349.1498.8879.93410.08910.0519.9859.997UNC1/2"-131.95412.70011.43010.58410.30211.43011.59511.55211.48111.494UNC9/16"-122.11714.28812.91311.99611.69212.91313.08613.04312.96412.977UNC5/8"-112.30915.87514.37613.37613.04314.37614.559...

1、当您付费下载文档后,您只拥有了使用权限,并不意味着购买了版权,文档只能用于自身使用,不得用于其他商业用途(如 [转卖]进行直接盈利或[编辑后售卖]进行间接盈利)。
2、本站所有内容均由合作方或网友上传,本站不对文档的完整性、权威性及其观点立场正确性做任何保证或承诺!文档内容仅供研究参考,付费前请自行鉴别。
3、如文档内容存在违规,或者侵犯商业秘密、侵犯著作权等,请点击“违规举报”。

碎片内容

螺纹尺寸和公差

确认删除?
VIP
微信客服
  • 扫码咨询
会员Q群
  • 会员专属群点击这里加入QQ群
客服邮箱
回到顶部