电脑桌面
添加小米粒文库到电脑桌面
安装后可以在桌面快捷访问

冲压件尺寸精度质量要求

冲压件尺寸精度质量要求_第1页
1/8
冲压件尺寸精度质量要求_第2页
2/8
冲压件尺寸精度质量要求_第3页
3/8
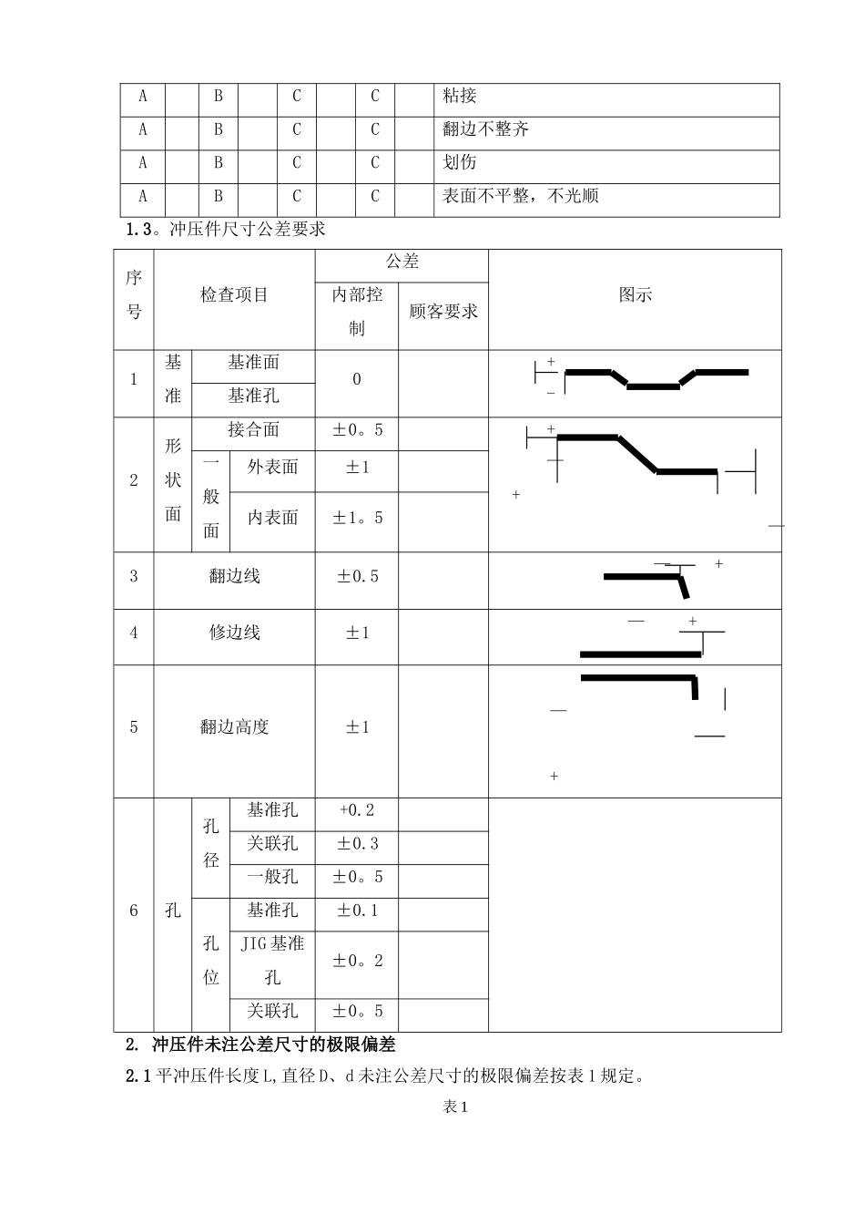
冲压件尺寸精度要求1.冲压件的检查要求1.1.冲压件尺寸测量时,应将冲压件夹紧定位在检具上测量。1.1.1 检具上夹紧位置应与焊接夹具夹紧点一致,无压紧点应在自然状态下测量。1.1。2 两个零件搭接头按同一块样板检测,样板与零件间隙不超过 0.3mm。1。1.3 毛刺高度允许值板料厚度 mm0.5~1.01。0~1.51.5~2.52.5~4。0毛刺高度 mm0.120.180。20.21。2 冲压件表面质量1。2.1 表面区域分类类别冲压件类型一类如前围板、前围角板、左右车门外板、左右后侧围外板、左右前柱外板、保险杠等重要外露表面二类顶盖、后围外板、脚踏板等部位外露表面三类在车门开启时的可见表面、未覆盖的内部表面、配合表面四类平常不可见的表面1.2。2 冲压件表面质量检查表面质量的判定依据:冲压件喷漆后表面缺陷的可见程度,一类和二类表面区域在光照条件下检验(A:无可见缺陷 B:有轻微可见缺陷 C:有可接受的一般缺陷)。表面区域缺陷种类一类二类三类四类内控顾客内控顾客内控顾客内控顾客ABCC压曲ABCC起皱ABCC拉延痕迹ABCC拉延冲击线ABCC圆角和轮廓线不均匀,不整齐ABCC冲压后底部残留压痕ABCC粘接ABCC翻边不整齐ABCC划伤ABCC表面不平整,不光顺1.3。冲压件尺寸公差要求序号检查项目公差图示内部控制顾客要求1基准基准面0+-基准孔2形状面接合面±0。5+— +—一般面外表面±1内表面±1。53翻边线±0.5 — +4修边线±1 — +5翻边高度±1 — +6孔孔径基准孔+0.2关联孔±0.3一般孔±0。5孔位基准孔±0.1JIG 基准孔±0。2关联孔±0。52. 冲压件未注公差尺寸的极限偏差2.1 平冲压件长度 L,直径 D、d 未注公差尺寸的极限偏差按表 1 规定。表 1料厚公差基本尺寸≤3〉3~10〉10≤30.14>3—60.18>6~100.220.36>10-180。270.43>18-300。330.520。84〉30—500。390。621.00〉50-800.460.741.20〉80-1200.540。871.40〉120-1800.631。001。60〉180-2500。721.151。85>250—3150。811。302。10>315—4000。891.402。30〉400-5000.971.552。50〉5001。101.752。80注:上表中假如是孔类其公差取正值;假如是轴类则取负值;若是非孔轴类则取正负值,此时其偏差数值取表中值之半。2。2 未注公差成形尺寸的极限偏差2.2.1 弯曲长度尺寸及拉延深度未注公差尺寸的极限偏差按表 2 规定。表 2基本尺寸偏差(±)基本尺寸偏差(±)≤3±0。35〉6—18±0.8〉3-6±0.5>18±1。22。2.2 加强筋、加强窝高度 h 未注公差尺寸的极限偏差按表 3 规定.表 3基本...

1、当您付费下载文档后,您只拥有了使用权限,并不意味着购买了版权,文档只能用于自身使用,不得用于其他商业用途(如 [转卖]进行直接盈利或[编辑后售卖]进行间接盈利)。
2、本站所有内容均由合作方或网友上传,本站不对文档的完整性、权威性及其观点立场正确性做任何保证或承诺!文档内容仅供研究参考,付费前请自行鉴别。
3、如文档内容存在违规,或者侵犯商业秘密、侵犯著作权等,请点击“违规举报”。

碎片内容

冲压件尺寸精度质量要求

您可能关注的文档

雏圣文化+ 关注
实名认证
内容提供者

欢迎光临,大量办公文档供您挑选。

确认删除?
VIP
微信客服
  • 扫码咨询
会员Q群
  • 会员专属群点击这里加入QQ群
客服邮箱
回到顶部