电脑桌面
添加小米粒文库到电脑桌面
安装后可以在桌面快捷访问

平焊法兰尺寸VIP免费

平焊法兰尺寸_第1页
1/10
平焊法兰尺寸_第2页
2/10
平焊法兰尺寸_第3页
3/10
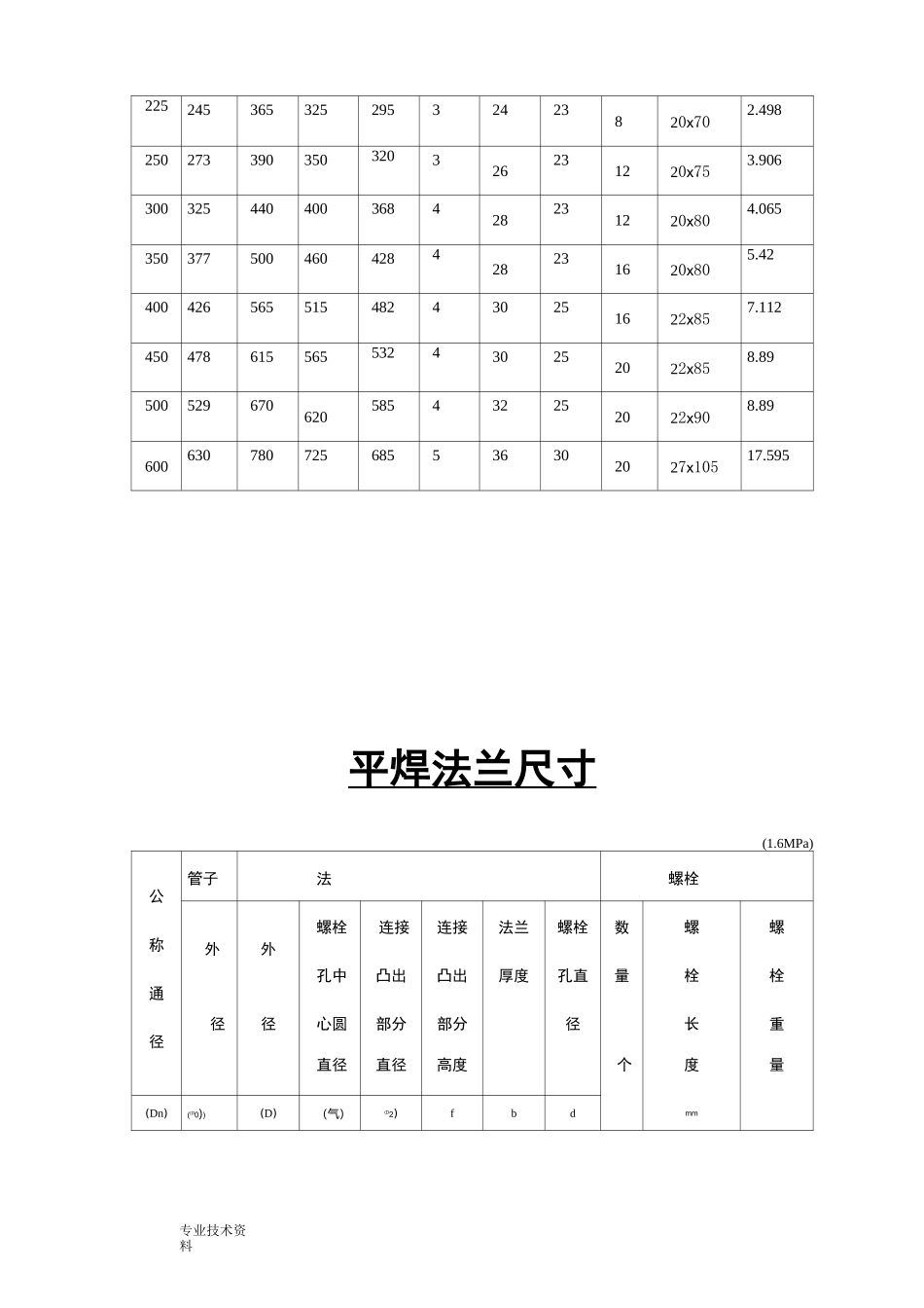
专业技术资料平焊法兰尺寸(1.0MPa)公称通径管子法兰螺栓外径外径螺栓孔中心圆直径连接凸出部分直径连接凸出部分高度法兰厚度螺栓孔直径数量个螺栓长度mm螺栓重量(Dn)((D0))(D)(气)◎fbd101490604021214412x400.281151895654521214412x400.2812025105755521414412x450.32532115856521414412*450.332381351007821618416x500.60140451451108531818416x550.635505716012510031818416x550.635657318014512032018416x600.669808919516013532018416x600.66910010821518015532218816x651.40412513324521018532418816x701.47215015928024021032423820x702.49817519431027024032423820x702.49820021933529526532423820x702.498专业技术资料22524536532529532423820x702.498250273390350320326231220x753.906300325440400368428231220x804.065350377500460428428231620x805.42400426565515482430251622x857.112450478615565532430252022x858.89500529670620585432252022x908.89600630780725685536302027x10517.595平焊法兰尺寸(1.6MPa)管子法螺栓公螺栓连接连接法兰螺栓数螺螺称外外孔中凸出凸出厚度孔直量栓栓通径径心圆部分部分径长重径直径直径高度个度量(Dn)((D0))(D)(气)(D2)fbdmm专业技术资料101490604021414412x450.3151895654521414412x450.32025105755521614412x500.3192532115856521814412x500.31932381351007821818416x550.63540451451108532018416x600.669505716012510032218416x650.702657318014512032418416x700.736808919516013532418816x701.47210010821518015532618816x701.47212513324521018532818816x751.5415015928024021032823820x802.7117519431027024032823820x802.71200219335295265330231220x854.38225245365325295330231220x854.38250273405355320332251222x905.334300325460410375432251222x905.334350377520470435434251622x957.62400426580525485438301627x10514.076450478640585545442302027x11518.56500529705650608448342030x13024.93600630840770718550412030x14026.12专业技术资料平焊法兰尺寸(2.5MPa)公称通径管子法兰螺栓外径外径螺栓孔中心圆直径连接凸出部分直径连接凸出部分高度法兰厚度螺栓孔直径数量个螺栓长度mm螺栓重量(Dn)((D0))(D)(气)(D2)fbd101490604021614412x500.319151895654521614412x500.3192025105755521814412x500.3192532115856521814412x500.31932381351007822018416x600.66940451451108532218416x650.702505716012510032418416x700.736657318014512032418816x701.472专业技术资料808919516013532618816x701.472100108230190160328820x802.7112513327022018833023822x853.556150159300250218330251222x853.556175194330280248332251222x905.334200219360310278332251222x905.334225245395340302334251227x1009.981250273425370332334301227x1009.981300325485430390436301627x10514.076350377550490448442301630x12018.996400426610550505444341630x12018.996450478660600555448342030x13024.93500529730660610452342036x15041.45榫槽面平焊法兰尺寸(1.6MPa)专业技术资料公称通径管子法兰螺栓外径外径螺栓孔中心圆直径连接凸出部分直径连接凸出部分高度法兰厚度螺栓孔直径数量个螺栓长度mm螺栓重量(Dn)((D0))(D)(D』(D2)fbd10144-12*5015144-12*5020164-12*5525184-12*6032184-12*65402016*65502216*70652416*70802416*751002616*801252816*851502820*901752820*902003020*952253020*952503222*1003003222*1003503422*1054003827*1154504227*1305004830*1406005036*150专业技术资料榫槽面平焊法兰尺寸2.5MPa)专业技术资料对焊法兰尺寸专业技术资料常用中低压法兰及紧固件材料名称压力(Mpa)300°C以下350以下400以下425以下450C以下451~520°C521~600C法1.5、2.5A3钢:20、25、15MNV15MNMOVCR5MO12movwbsireCr5mo12cr1mov4.0、6.4螺栓双头1.6、2.5钢:3、4;钢:25、35;40mnvb30crmoA37simn2mov25crmoA37simn2mov25cr2mo1vA4.0、6.4钢:35、4040mnvb30crmoA专业技术资料螺栓35crmoA螺1.6、2.5钢:3、420、3035、45;40mnvb37simn2母4.6、6.425、3540mn35crmomov25cr2movA

1、当您付费下载文档后,您只拥有了使用权限,并不意味着购买了版权,文档只能用于自身使用,不得用于其他商业用途(如 [转卖]进行直接盈利或[编辑后售卖]进行间接盈利)。
2、本站所有内容均由合作方或网友上传,本站不对文档的完整性、权威性及其观点立场正确性做任何保证或承诺!文档内容仅供研究参考,付费前请自行鉴别。
3、如文档内容存在违规,或者侵犯商业秘密、侵犯著作权等,请点击“违规举报”。

碎片内容

平焊法兰尺寸

确认删除?
VIP
微信客服
  • 扫码咨询
会员Q群
  • 会员专属群点击这里加入QQ群
客服邮箱
回到顶部