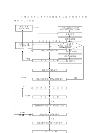
分项工程开工程序(由总监理工程师发布各合同段的开工)框图工序〔工艺〕质量检查程序框图承包人选择开工工程提出分项开工申请〔监表2〕分项...
第1页共60页编号:时间:2021年x月x日书山有路勤为径,学海无涯苦作舟页码:第1页共60页XXXXXXXX公路学院土木工程专业毕业论文低应变力波反...
长安大学国有资产管理中心施工组织设计专业:土木工程班级:1201姓名:朱允浩学号:12231127指导老师:屈原编制日期:20131115目录一、编制...
分项工程开工程序(由总监理工程师发布各合同段的开工)框图工序〔工艺〕质量检查程序框图承包人选择开工工程提出分项开工申请〔监表2〕分项...
承德3类路桥工程施工组织设计A-12初步的施工组织方案申请人:湖南环达公路桥梁建设总公司第Ⅲ类合同目录第一章设备、人员动员周期和设备、...
附件3哈尔滨市城市路桥项目PPP合同(基础范本)二〇一五年六月目录第一节PPP项目合同概述....................................................
附件3哈尔滨市城市路桥项目PPP合同(基础范本)二〇一五年六月目录第一节PPP项目合同概述....................................................
市政和路桥工程序号检测产品/检测项目/参数检测标准(方法)名称及限制范围或说明类别序号名称编号(含年号)十一市政和路桥工程1路基路面1...
第1页共11页编号:时间:2021年x月x日书山有路勤为径,学海无涯苦作舟页码:第1页共11页路桥建设上市公司投资价值分析与投资操作建议引言名...
海昏(旅游景观)大道工程用表汇编江西中昌工程咨询监理有限公司海昏(旅游景观)大道工程监理部南昌市政公用投资控股有限责任公司二〇一七...
安徽省巢湖市路桥工程有限公司安全检查评分表安检表—总巢湖市路桥工程有限公司安全检查评分汇总表表格号表格名称总分比例评定分数汇总分数...
第1页共23页本文格式为Word版下载后可任意编辑和复制路桥建设施工合同范本6篇签订施工合同,必需遵守国家法律,符合国家政策。合同中不能消...
第1页共39页编号:时间:2021年x月x日书山有路勤为径,学海无涯苦作舟页码:第1页共39页中国路桥工程市场发展前景分析与投资战略研究报告20...
1概述1.1项目背景拟建呼和浩特市大庆路桥和光明路制药厂桥跨越扎达盖河平行布置相距496m,大庆路桥位于车站西街(铁路桥下游280m处)、光明...
中山市路桥建设有限公司战略规划报告书(2005——2010年)(最终稿)中山市路桥建设有限公司中长期战略研究第二项目小组二〇二四二〇二四年...
中山市路桥建设有限公司战略规划报告书(2005——2010年)(最终稿)中山市路桥建设有限公司中长期战略研究第二项目小组1二〇二四二〇二四...
编号:_____________施工劳务分包合同土地平整灌溉与排水田间路桥工程劳务分包合同模版甲方:___________________________________________...
附件2**工程项目桩基施工劳务协作合同(范本)合同编号:***-GCHT-***号甲方:**合同段项目经理部(章)乙方:公司(章)**年**月**日**施...
第1页共4页本文格式为Word版下载后可任意编辑和复制路桥工程类实习报告2022年,在这个不平凡的岁月顿点中我在长春明珠小区二期三组团d17号...
竞职演说(路桥工程处财务部部长)竞职演说(路桥工程处财务部部长)文章作者文章加入时间2005年9月20日88竞职演说(路桥工程处财务部部长...

