污水处理厂一期工程试运行方案一、工程概况.............................................................................................
低温天气下 aao 及 MBBR 工艺的应对措施随着我国城镇化进程速度加快,城镇企业和人口数量增加,城镇污水(包括城市生活污水与工业废水)...
污水处理 aao 工艺调试具体方案某镇污水处理厂一期工程试运行方案一、工程概况..........................................................
综合实验(二)城市污水处理系统 A/A/O 系统实验报告学号:_班级:实验时间:、实验目的和要求:1、掌握污水生化处理实验设计的一般方法;...
摘 要本次毕业设计的题目为 xx 市某污水处理厂工艺设计——倒置 aao 工艺。设计主要任务是根据该市污水性质、排污规模的要求完成污水...
摘 要本次毕业设计的题目为 xx 市某污水处理厂工艺设计——倒置 aao 工艺。设计主要任务是根据该市污水性质、排污规模的要求完成污水...
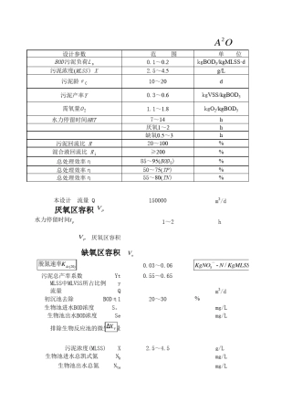
1、缺氧池、好氧池(曝气池)的设计计算:(1)、设计水量的计算由于硝化和反硝化的污泥龄和水力停留时间都较长,设计水量应按照最高日流量计算...
污水处理工艺选择思路 ➢ A2/O 工艺 传统A2/O 法是目前普遍采用的同时脱氮除磷的工艺,它是在传统活性污泥法的基础上增加一个缺氧段和...
1 / 3 8 《水污染控制工程》 课程设计 学院: 专业: 姓名: 学号: 指导老师: 2 / 3 8 目 录 引言 .....................
1 某镇污水处理厂一期工程 试运行方案 一、 工程概况 ..............................................................................
污水处理aao工艺设计计算
《水污染控制工程》 课程设计 学院: 专业: 姓名: 学号: 指导老师: 目 录 引言 .............................................
水污染控制工程课程设计aao 工艺图纸平面图粗细格栅曝气沉砂池鼓风机房图 aao 反应池二沉池浓缩池高程图所有的图纸双击后均可以由 CAD...
精品文档---下载后可任意编辑随着我国社会和经济的高速进展,环境问题日益突出,尤其是城市水环境的恶化,加剧了水资源的短缺,影响着人民群众...
精品文档---下载后可任意编辑HRT 与 SRT 对 aao 系统去除技术级壬基酚的影响讨论的开题报告题目:HRT 与 SRT 对 aao 系统去除技...
精品文档---下载后可任意编辑AO 与 aao 工艺交互运行中试讨论的开题报告一、讨论背景现代微纳技术对于材料的要求越来越高,特别是对于具...
精品文档---下载后可任意编辑aao 模板法制备的一维磁性纳米管及纳米线阵列的结构与磁性的开题报告一、讨论背景及意义随着人们对于纳米材料...
精品文档---下载后可任意编辑aao 辅助多形貌纳米银颗粒的化学法制备及其增强荧光性能讨论的开题报告本文介绍的是针对多形貌纳米银颗粒的化...
精品文档---下载后可任意编辑aao 纳米光栅结构参数对薄膜硅太阳能电池光吸收的影响讨论的开题报告标题:aao 纳米光栅结构参数对薄膜硅太...
精品文档---下载后可任意编辑aao 模板法制备金属纳米点阵及其光学性质的讨论的开题报告摘要:随着纳米技术的不断进展,金属纳米点阵因其独...

