工程资料归档要求大全一.工程档案资料归档责任划分1、工程准备资料(包括开发报建、招投标资料等),由各经办部门直接向监察室归档。2、工...
重庆城乡建立会?重庆政根底设施工程施工技术用表?和?重庆政根底设施工程归档内容一览表?的通知各区自治〕城乡建委各建立、施工、监理:为了...
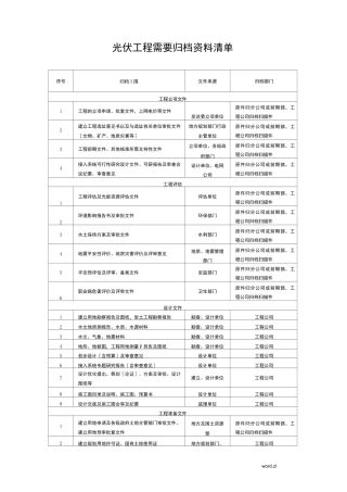
word.zl光伏工程需要归档资料清单序号归档X围文件来源归档部门工程立项文件1工程的立项申请、批复文件,上网电价等文件发改委立项单位原件...
——文章来源网络,仅供个人学习参考道路工程竣工验收资料、归档程序大全第一部分工程准备阶段文件(一)立项文件、项目建议书、项目建议书...
第1页共18页编号:时间:2021年x月x日书山有路勤为径,学海无涯苦作舟页码:第1页共18页蕉岭县环境保护局各类档案立卷归档制度为了加强我局...
第100页共14页编号:时间:2021年x月x日书山有路勤为径,学海无涯苦作舟页码:第100页共14页附录A建筑工程资料(文件)归档组卷目录及保管期...
第1页共10页编号:时间:2021年x月x日书山有路勤为径,学海无涯苦作舟页码:第1页共10页您的位置:档案政务--政策法规*提示:双击鼠标自动...
第1页共19页编号:时间:2021年x月x日书山有路勤为径,学海无涯苦作舟页码:第1页共19页西北有色地质勘查局七一七总队《文书档案归档制度》...
第1页共2页编号:时间:2021年x月x日书山有路勤为径,学海无涯苦作舟页码:第1页共2页商务部销售合同归档汇总登记表(年月)编号:有效合同...
企业归档案卷记录表部门名称:案卷顺序号立卷类目号案卷标题起止日期卷内张数保管期限备注制表人:制表日期:年月日
第1页共16页编号:时间:2021年x月x日书山有路勤为径,学海无涯苦作舟页码:第1页共16页蕉岭县环境保护局各类档案立卷归档制度为了加强我局...
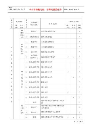
第1页共86页编号:时间:2021年x月x日书山有路勤为径,学海无涯苦作舟页码:第1页共86页案卷分类案卷题名卷内排序表格编号(资料来源)资料...
第1页共9页编号:时间:2021年x月x日书山有路勤为径,学海无涯苦作舟页码:第1页共9页工程竣工资料归档范围表(一)序号归档文件提供单位备注...
第1页共85页编号:时间:2021年x月x日书山有路勤为径,学海无涯苦作舟页码:第1页共85页案卷分类案卷题名卷内排序表格编号(资料来源)资料...
第100页共14页编号:时间:2021年x月x日书山有路勤为径,学海无涯苦作舟页码:第100页共14页附录A建筑工程资料(文件)归档组卷目录及保管期...
第1页共36页编号:时间:2021年x月x日书山有路勤为径,学海无涯苦作舟页码:第1页共36页工程资料分类与归档保存表类别资料名称编号资料来源...
第1页共10页编号:时间:2021年x月x日书山有路勤为径,学海无涯苦作舟页码:第1页共10页关于印发档案管理工作相关制度的通知各科室(部门)...
第1页共19页编号:时间:2021年x月x日书山有路勤为径,学海无涯苦作舟页码:第1页共19页蕉岭县环境保护局各类档案立卷归档制度为了加强我局...
第1页共10页编号:时间:2021年x月x日书山有路勤为径,学海无涯苦作舟页码:第1页共10页您的位置:档案政务--政策法规*提示:双击鼠标自动...
学前教育资助资料归档明细编号项目明细保存年限备注1资助文件资料1.封面及卷内目录(附表9、10)2.幼儿园资助机构成员名单(附表7)3.幼儿...

