工程施工廉政责任书 为加强工程建设中的廉政建设,法律规范工程建设施工委托与被委托双方的各项活动,防止发生各种谋取不正当利益的违法违...
工程建设项目廉政责任书工程项目名称:工程项目地址:建设单位(甲方):施工单位(乙方):为加强工程建设中的廉政建设,法律规范工程建设勘...
XXXXXXXX工程建设部廉政风险点及防控措施一览表编制部门:XXXXXXXXXXXXXXXXXXX工程建设部1、质量控制工作1)流程图 1。1 质量检查工作施工...
基建工程建设廉政管理制度 第一章 廉政建设制度为了加强党风廉政建设和反腐倡廉工作,参加工程建设的工作人员,自律、自爱、廉洁奉公,防止...
工程建设廉政风险点防范措施序号廉政风险点预控目标防范措施责任人一思想风险点1未能树立正确的世界观、人生观、价值观,理想信念松动树立正...
工程建设中廉政风险防范的措施韩旭 刘永平 关键词:工程 廉政 措施1。引言1.1. 工程建设中推行廉政风险防范管理的意义工程建设领域是...
工程计划部廉政风险点及防控措施风险点1、在工程计量及变更上弄虚作假、以少报多2、不按项目完成的实际工程量办理结算资料3、对工程项目结...
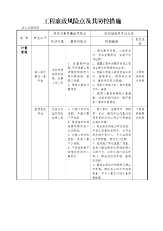
工程廉政风险点及其防控措施表 1:计量管理流 程所处环节所涉对象及廉政风险点防控措施及责任主体所涉对象廉政风险点防控措施责任主体计量...
廉政法律法规知识考试题库案例分析题及答案案例 1:赵某系某市机场工程建设指挥部常务副总指挥。初,机场候机楼(航站楼)开始招标,某建设...
工会 干部廉政风险识别、监督一览表姓名赵安庆 部门队工会职务主席一岗双责岗位职责一是通过职工代表大会的基本形式,组织职工参加民主管...
陕西领导干部任前廉政考试题库一、1—50 题 中国共产党章程二、51—90 题 中国共产党党内监督条例(试行)三、91—180 题 中国共产党...
廉政知识网上考试题库一、单项选择:1. 在《中国共产党党员领导干部廉洁从政若干准则》中,严禁私自从事_A_活动。A.营利性 B。 商业...
岗位廉政风险防控排查表姓 名朱进职 务社公系党总支书记岗 位 主 要 职责 ( 分 工 事项)党务工作、学生管理风险类别廉政风险点...
风险形式岗位风险点自我防控措施思想道德风险1、政治理论学习不够,理想信念不够坚定。2、工作中有消极思想,不够积极进取。3、不能够端正工...
岗位廉政风险防控制度一、各科室要进行思想教育,同时建立和完善相关制度,加强管理和监控,及时纠正不当行为,避开苗头性、倾向性问题演变为...
岗位廉政风险点防控表岗位廉政风险点防控表岗位党总支正、副书记岗位主要职责1. 发挥政治核心作用,保证社会主义办学方向。参加行政领导对...
1、廉政风险排查的方式有哪些?一是点、线、面结合。要以工作岗位为点,找准重点岗位查找廉政风险.仔细组织对本职岗位进行自查,深刻分析重点...
个人岗位廉政风险点查找及防控措施登记表单位(部门)名称:**** 姓 名***岗位名称***职务负责人岗位职责1.负责****;2.书面通知...
岗 位 廉 政 风 险 点 排 查 表单 位 名 称 : 填 表 时 间 :姓名性别年龄职务政 治 面貌职 权 名称运 行 环 节...
廉政风险防控机制建设岗位风险点排查登记表(一)单位:(内容和格式样表)填表时间:2024 年 5 月 24 日姓 名(签名)黄静职 务副队...

