直营管理部经理工作细则附件1直营管理部经理职责销售经理的职责l·市场分析、销售预测。2·确定销售目标。3·制订销售计划。4·确定销售政...
第1页共39页编号:时间:2021年x月x日书山有路勤为径,学海无涯苦作舟页码:第1页共39页石膏管理部运行规程批准:审核:修编:第2页共39页...
直营管理部经理工作细则附件1直营管理部经理职责销售经理的职责l·市场分析、销售预测。2·确定销售目标。3·制订销售计划。4·确定销售政...
质量管理部针车品检员岗位说明书岗位名称针车品检员岗位编号所在部门质量管理部质检科岗位定员直接上级总监职系直接下级无工资等级所辖人员...
质量管理部成型品检员岗位说明书岗位名称成型品检员岗位编号所在部门质量管理部质检科岗位定员直接上级总监职系直接下级无工资等级所辖人员...
质量管理部检测实验员岗位说明书岗位名称检测实验员岗位编号所在部门质量管理部岗位定员直接上级科室经理职系直接下级无工资等级所辖人员无...
质量检验岗位说明书岗位名称质量检验岗位编号QK-09-05所在部门质量管理部岗位定员直接上级质量主管工资等级直接下级薪酬类型所辖人员岗位分...
质量管理部综合科经理岗位说明书岗位名称综合科经理岗位编号所在部门质量管理部岗位定员直接上级质量管理部经理职系直接下级试验员、原辅材...
计划管理部部长职务说明书岗位名称计划管理部部长岗位编号所在部门计划管理部岗位定员直接上级行政副总经理职系管理职系直接下级制度与文化...
职位说明书第1页共2页单位:XX厂职位名称:生产调度签字日期:部门:生产管理部任职人:XX任职人签字:编号:直接主管:生产管理部主任直接...
质量主管岗位说明书岗位名称质量主管岗位编号QK-09-02所在部门质量管理部岗位定员1直接上级质量管理部部长工资等级直接下级检验员薪酬类型...
质量管理部划落料检员岗位说明书岗位名称划落料品检员岗位编号所在部门质量管理部质检科岗位定员直接上级总监职系直接下级无工资等级所辖人...
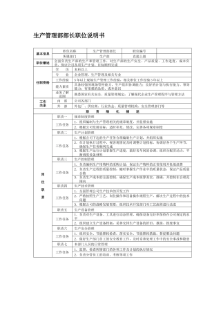
生产管理部部长职位说明书基本信息职位名称生产管理部部长职位编号所属部门生产部直接上级职位概述全面负责生产部的生产和管理工作,对生产...
规划管理部总经理职务说明书岗位名称规划管理部总经理岗位编号所在部门规划管理部岗位定员1人直接上级总裁工资等级直接下级规划设计管理薪...
岗位说明书岗位名称:商品部管理部助理说明书编号:岗位编号03部门商品部部门定员组别直接上级商品部主管直接下属无工资级别月薪标准审核批...
质量管理部品质总监岗位说明书岗位名称品质总监岗位编号所在部门质量管理部质检科岗位定员直接上级质检科经理职系直接下级所辖分厂品检员(...
第二部分部门设置及薪酬绩效考核体系一、部门架构二、与各部门交接流程:需要确认的流程:1、信托计划销售流程:-机构部发送《预发售项目...
岗位名称商务管理部部长岗位编号所在部门商务管理部岗位定员1人直接上级总裁工资等级直接下级采购经理薪酬类型所辖人员2人岗位分析日期2002...
质量管理部经理岗位说明书岗位名称质量管理部经理岗位编号所在部门质量管理部岗位定员直接上级主管副总职系直接下级标准科经理、综合科经理...
渠道动作管理部经理一、附件一(一)岗位职责1、负责制订平台工作计划规范,并审核工作计划是否合理。2、负责制定营销工作中,各项业务规范...

