目录一、编制依据 . ...................................................... 二、工程概况 . .......................................
. WORD 格式 .资料. 专业 .整理蓝天保障房项目三期一标13# 、14# 、17# 、20# 栋外墙涂料装饰工程施工组织设计编制日期: 2018 ...
言简意赅,远见卓识,望君采纳,谢谢!删除水印可,编辑页眉,选中水印,点击删除。蓝天保障房项目三期一标13#、14#、17#、20#栋外墙涂料装...
水包水多彩涂料— (质感打底荔枝面效果)施工组织设计(一)、工程概况:外墙现状:新水泥砂浆墙面工程内容:仿石材水包水多彩涂料(二)...
大连东港 E15、E16、E17 地块项目(首开铂郡)外墙水包水涂料工程施工组织设计编制单位:中铁航空港大连东港项目部编制日期: 2016 年...
外墙抹灰涂料饰面双层网格布系统施工方法1 前言蒸压加气混凝土砌块与传统烧结砖及水泥砖隔墙相比具有施工快捷、质轻、隔热保温、吸声隔音...
池州三江明珠三期一标项目拉毛涂料施工专项方案安徽三建工程有限公司2014 年 11 月 5 日工程名称:池州三江明珠三期一标方案名称:拉...
外墙弹性涂料施工方案时间 : 2014-09-12 09:43来源 : 好词好句网作者 : 好词好句网方案 一: 外墙弹性涂料施工方案一、基体基面要...
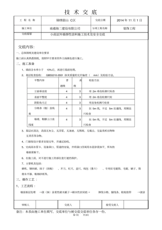
技 术 交 底工 程 名 称锦绣银山 C区交底日期2014 年 11 月 1 日施工单位南通海二建设有限公司分项工程名称装饰工程交底提要小...
外墙工程立邦弹性外墙涂料施工组织设计华南城外墙工程 ( 立邦弹性外墙涂料 ) 施工组织方案中建五局南昌华南城项目2011 年 5 月 8 ...
专业资料word 文档下载可编辑伟业中华御苑外墙施工方案(外墙保温、外墙砖、外墙涂料、外墙找平层)编制人:审核人:审批人:山东聊城天润...
1 / 12 长武西关村安居工程3#楼岩棉板外墙外保温(挂网法)及涂料施工要点一. 编制依据1. 本工程外墙保温设计说明及设计变更文件2. ...
【 tips 】本文由李雪梅老师精心收编整理,同学们定要好好复习!外墙劈开砖、涂料施工工艺标准外墙劈开砖施工工艺标准一、工艺流程1、适...
内蒙古军区经济适用住房建设工程38#楼外墙保温涂料工程施工方案编制:审核 :批准:北京宏翔盛世达科技发展有限公司第一章 编制依据第一...
观澜国际 D1#楼外墙保温及涂料饰面施工方案编制单位:聊城市鑫可达建筑节能技术有限公司编 制 人: 王保伟刘凡光编制日期:2017 年 3...
中万国际广场外墙保温及涂料工程招标文件招标单位:山东中万置业有限公司时间: 2015 年 9 月第一章投标须知一、总则1、工程概述: 1....
外墙保温及涂料投标书目录一、外墙保温及涂料施工报价二、兰州金贝尔公司简介三、公司资质文件1、授权书及营业执照2、税务登记证3、组织机...
第一章 、 编制依据1.1、国家标准序号规范名称编号1 《工程测量规范 》GB50026-93 2 《绝热用模塑聚苯乙烯泡沫塑料》GB/T10801.1-200...
国内外涂料VOCs含量限值标准比较分析一、中国涂料使用VOCs排放估算根据有关资料显示,2012 年中国涂料总产量1272 万吨,其中各行业涂料产...
技术交底记录鲁 JJ 一工程名称德州华禧园工程围墙涂刷技术交底施工单位中铁建设集团有限公司济南分公司交底部位围墙工序名称围墙刷涂料交...

