篇一:减速机技术协议减速机技术协议1.本技术文件为 jzq400-ⅱ 减速机投标技术附件,经甲方同意后可转化为技术协议。2.本技术附件主要依...
S系列SEW减速机样本手册中文版
T SERIESE SERIESH SERIESB SERIESI / 2008TwinSpinTwinSpinCatalogueKatalogTw inSpinTwinSpinTw inSpinTwinSpinContents4iCONTEN...
精密行星齿轮减速机选型手册
精密伺服行星减速机选型精密直角行星减同伺服减速机选型手册
帝人减速机RV中文版
第 1 页 行星摆线针轮减速机维护检修规程 1.总则 1.1 适用范围 本规程适于卧式、立式行星摆线针轮减速机维护与检修。 1.2 结构简...
减速机行业常用英语词汇 1.斜齿轮:bevel gear 2.锁紧盘:shrink disk 3.卧式安装:horizontal installation[,instə'leisən] 4.立...
辽宁大唐国际阜新水务有限责任公司作业指导书 1 减速机检修作业指导书 1 目的 1.1 保证减速机检修符合检修工艺质量要求、安全、文明...
减 速 机 常 见 故 障 合 集 1 基础 1、减 速 机 是一种动力传递机 构,利用齿轮的速 度转换器,将马达的回转数减 速 到...
SEW小型减速机操作手册中文版
SEW减速机11227087说明书
SEW减速机操作手册
减速机装配培训资料一、减速机的工作原理减速机的工作原理是在原动机和工作机或执行机构之间起匹配转速和传递转矩的作用,是一种由封闭在刚...
R系列斜齿轮硬齿面减速机性能参数安装尺寸选型指南
QJ 型起重机减速机类型、特点、应用范围和选用原则(JB/T89051-1999) 详细介绍: 发布时间:2007-6-30 15:15:15 类型、特点、应用范...
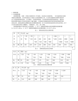
减速机 1 齿侧间隙 1.1安装侧间隙 齿轮侧间隙,是指一对啮合齿轮的非工作表面,沿法线方向的距离,一对安装的啮合齿轮 须留有齿侧间隙...
减速机装配培训资料 一、减速机的工作原理 减速机的工作原理是在原动机和工作机或执行机构之间起匹配转速和传递转矩的作用,是一种由封闭...
减 速 机 的 种 类 减 速 机 是 一 种 相 对 精 密 的 机 械 , 使 用 它 的 目 的 是 降 低 转 速 , 增...
减速机是一种动力传达机构,利用齿轮的速度转换器,将电机(马达)的回转数减速到所要的回转数,并得到较大转矩的机构。在目前用于传递动力...

