电脑桌面
添加小米粒文库到电脑桌面
安装后可以在桌面快捷访问

减速机通用设备维修技术标准VIP免费

减速机通用设备维修技术标准_第1页
1/24
减速机通用设备维修技术标准_第2页
2/24
减速机通用设备维修技术标准_第3页
3/24
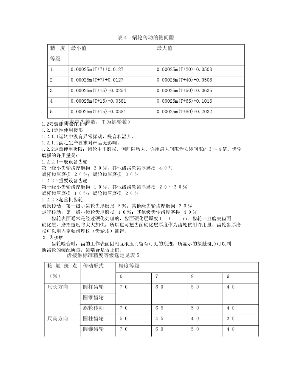
减速机 1 齿侧间隙 1.1安装侧间隙 齿轮侧间隙,是指一对啮合齿轮的非工作表面,沿法线方向的距离,一对安装的啮合齿轮 须留有齿侧间隙,以补偿齿轮由于制造与安装的精度公差,以及传动载荷时的弹性变形和 由于受温度影响的变形,并可储存一定量的润滑油,以改善齿轮表面的润滑状态。通常齿 轮的间隙在确保正常使用的情况下越小越好,在制造时是根据齿轮所使用要求的精度等级 来设定的。齿轮标准保证侧隙是基本的侧间隙范围。对于冶金机构设备的闭式传动采用Dc,对于开式传动则采用较大侧隙De,可根据表1、表2、表3 查取。 齿轮侧间隙也可按经验公式来选取:1)对于7 级精度的圆柱齿轮和圆锥齿轮侧间隙Cn=(0.05~0.08)m;2)对于7 级精度的蜗轮传动的侧间隙Cn=(0.015~0.02)m 1.2安装侧间隙许用量 1.2.1定性使用极限 1.2.1.1运转中没有异常振动,噪音和温升。 1.2.1.2满足生产要求对产品无影响。 1.2.2定量使用极限:齿轮由于磨损,侧间隙增大,许用最大间隙为安装间隙的3~4倍。齿轮磨损的许用量是: 1.2.2.1一般设备齿轮 第一级小齿轮齿厚磨损 20%;其他级齿轮齿厚磨损 40% 蜗杆齿厚磨损 20%;蜗轮齿厚磨损 30% 1.2.2.2重要设备齿轮 第一级小齿轮齿厚磨损 10%;其他级齿轮齿厚磨损 20~30% 蜗杆齿厚磨损 10%;蜗轮齿厚磨损 20% 1.2.2.3起重机齿轮 卷扬传动:第一级小齿轮齿厚磨损 5%;其他级齿轮齿厚磨损 20% 走行传动:第一级小齿轮齿厚磨损 10%;其他级齿轮齿厚磨损 40% 齿轮表面通常是经过硬化处理的,齿面硬化层厚度t=0.1m。齿轮一旦磨去齿面 硬化层,磨损速度将大大加快,所以也可把齿面硬化层厚度作为齿轮试用许用量。齿轮齿厚磨损可以用固定弦齿厚仪(齿轮规)测得。 2 齿接触 齿轮啮合时,齿的工作表面因相互滚压而留有可见的痕迹,所显示的接触斑点可以判 断齿轮的装配质量,齿啮合是否正确。 钢丝绳、卷筒及滑轮 1 钢丝绳 钢丝绳是把电动机旋转运动变为吊钩升降运动并承担全部载荷的重要零件之一,它具有挠性好、承载能力大和传动无噪声且损坏容易发现等优点,一直被广泛使用。钢丝绳的使用寿命主要同卷筒,滑轮的数目,直径大小及使用与维护等因素有关。钢丝绳的润滑往往被忽视,其实这是一件很重要的保养工作,常用的方法是往卷筒上涂抹润滑脂和往钢丝绳上浇机械油。往钢丝绳上浇的机械油,一般为10~15天一次,在受热辐射影响时,每隔5...

1、当您付费下载文档后,您只拥有了使用权限,并不意味着购买了版权,文档只能用于自身使用,不得用于其他商业用途(如 [转卖]进行直接盈利或[编辑后售卖]进行间接盈利)。
2、本站所有内容均由合作方或网友上传,本站不对文档的完整性、权威性及其观点立场正确性做任何保证或承诺!文档内容仅供研究参考,付费前请自行鉴别。
3、如文档内容存在违规,或者侵犯商业秘密、侵犯著作权等,请点击“违规举报”。

碎片内容

减速机通用设备维修技术标准

您可能关注的文档

小辰6+ 关注
实名认证
内容提供者

出售各种资料和文档

确认删除?
VIP
微信客服
  • 扫码咨询
会员Q群
  • 会员专属群点击这里加入QQ群
客服邮箱
回到顶部