关于大雪补气养血的养生食谱 大雪补气养血的养生食谱 大雪补气养血食谱一:十全滋补牛腩 原料:牛腩 500 克、白萝卜 1000 克,当归...
“归脾丸”补气养血“健脾丸”健脾理气+祛湿运脾的经典方剂平胃散+调理心脏“偷停”的炙甘草汤“归脾丸”补气养血“健脾丸”健脾理气“人参...
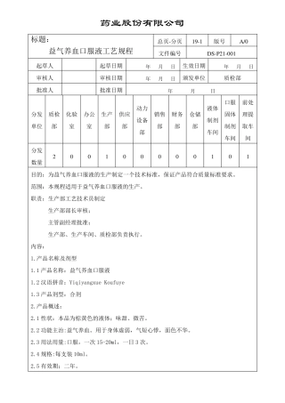
药业股份有限公司 标题: 益气养血口服液工艺规程 总页-分页 19-1 版号 A/0 文件编号 DS-P21-001 起草人 起草日期 年 月 日 ...
中联阿归养血糖浆营销策划 1999 年酷暑未尽,在有众多补血产品的武汉,掀起了一股“阿归养血糖浆”热:打开电视,“阿归养血糖浆”独家点...
此资料由网络收集而来,如有侵权请告知上传者立即删除。资料共分享,我们负责传递知识。养血荣筋丸说明书养血荣筋丸养血荣筋,祛风通络。用...
养血暖宫灸,用“艾”温暖女人花宫寒的危害1、宫寒是手脚冰凉的根源2、宫寒是不孕不育的罪魁祸首3、宫寒的女人腰膝酸软气色差4、宫寒导致女...
活血补血养血的中药材1.当归当归为伞形科植物当归的根,又称千归。当归味甘辛,性温。具有补血活血、调经止痛及润燥滑肠等功效。据药理研究...
包装和思维都要换--中联阿归养血糖浆营销策划案例(更新日期:2000-5-823:52:58)1999年酷暑未尽,在有众多补血产品的武汉,掀起了一股“阿...
包装和思维都要换--中联阿归养血糖浆营销策划案例(更新日期:2000-5-823:52:58)1999年酷暑未尽,在有众多补血产品的武汉,掀起了一股“阿...

