耐火制品及其试验方法标准目录本目录分为十部分,包括2006年3月底以前由国家技术监督局、冶金局、山西省以及我公司批准发布的适用于我公司...
璃钢制品表面涂装的常用材料和基本工艺方法(1)改性丙烯酸-氟树脂涂料配方如表1所示表1改性丙烯酸-氟树脂涂料配方原料配比(重量份)丙烯酸树...
室内装饰装修材料人造板及其制品中甲醛释放限量GB18580-2001中华人民共和国国家标准GB18580-2001室内装饰装修材料人造板及其制品中甲醛释放...
铝合金系列制品制作及安装工艺铝合金是一种发展较快的新型材料,它具有易加工,耐腐蚀,深要受广大群众欢迎,美观高雅华丽的感觉。这取袋子...
环境与健康杂志!""#年$$月第!$卷第%期&’()*+,(-./01234,).56.+!""#37,08!$34,8%文章编号!$99$:;<=#"!99##9%:9#!>:9#工业材料及制品的防霉...
年产2万吨岩棉制品生产线项目简介一、项目概述岩棉是一种天然环保型防火、绝热型保温材料。它是用天然岩石、高炉矿渣作为主要原料,外加一...
新型中空玻璃微球(3M)提升注射制品性能在不损失制品性能的情况下寻找一种使制品更轻的方式,这是注塑成型商们一直都在努力的方向。为了解...
第29卷第3期Vo1.29No.3金属制品SteelWireProducts2003年6月June2003线材制品生产及使用中形变马氏体的产生与防止徐永成曾春霖(江苏沙钢集...
专项处方点评指南二血液制品处方点评指南一、概述血液制品是指从人类血液提取的任何治疗物质,包括全血、血液成分和血浆源医药产品。2010年...
================精选公文范文,管理类,工作总结类,工作计划类文档,欢迎阅读下载==============不锈钢制品生产加工基地立项申请材料不锈...
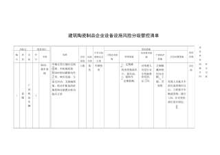
建筑陶瓷制品企业设备设施风险分级管控清单风险点检查项目编类名序名称号型称号1设施厂内机动车辆1制动、刹车系统标准评价级别风险分级不符...
年产吨连续性玄武岩纤维及其制品项目建议书ThefinaleditionwasrevisedonDecember14th,2020.第一章总论、项目概况性质:新建工业园区编制的...
研究开发耐火材料/NAIHUOCAILIAO2002。36l4)190~193影响镁碳耐火材料表面MgO致密层形成的因素口于景坤刘承军东北大学材料与冶金学院沈阳1...
食品生产酱卤制品加工工艺作业指导书一、生肉腌制1、原辅料、包装材料的验收按《原辅材料、产品检验规程》执行,对采购原料肉,查验动物产品...
w’M·zgys·org科技交流减压浓缩至约2ITll,作为供试品溶液。按制剂处方比例与工艺,除去苍耳子,按供试品溶液制备方法制成阴性对照溶液。...
1/5深圳大华水泥制品有限公司、深圳市宝安区土地规划监察局资源行政管理:土地行政管理(土地)二审行政判决书【案由】行政行政行为种类行政受...
第三章果蔬制品工艺•果蔬的保鲜•果蔬的速冻•果蔬的干制•果蔬的糖制和腌制第一节果蔬的保鲜•涂膜保鲜1.涂层的作用——抑制果实的气体交...
第1页共17页编号:时间:2021年x月x日书山有路勤为径,学海无涯苦作舟页码:第1页共17页质量管理体系专业审核作业指导书非金属矿物制品的制...
认识血液成分功能正确合理使用血制品红细胞制品类型悬浮红细胞(红细胞悬液、添加剂红细胞)浓缩红细胞少白细胞的红细胞(去白膜法和过...
中国血液制品供求紧张行业亟需政府扶持引导血液制品供求紧张据悉,近年来,中国的医疗需求出现井喷趋势,医院入院人次增长72.2%,出现一系...

