广播电视设备器材入网认定检测机构检测范围一览表(2005年9月1日更新)产品类别编号产品名称检测机构检测仪器一、有线电视系统前端设备器材1...
FleetBroadband[TTSailor250/500终端]使用说明1、FleetBroadband支持的业务:(1)电路交换:语音、传真或数据的连接。StandardVoice:压缩...
江西盛安城市安全信息发展有限公司客户入网作业指导书文件编号:版本:编制:工程部(邵重景、闵超)审核:邓评韬批准:发布日期:年月日公...
第1页共6页编号:时间:2021年x月x日书山有路勤为径,学海无涯苦作舟页码:第1页共6页华能国际公司级供应商数据库入围申请须知按照华能国际...
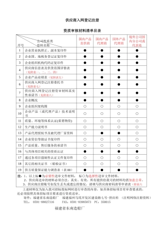
供应商入网登记注册资质审核材料清单目录公司性质类序号资料名称国内产品直供商国内产品代理商国外产品代理商境外公司国内分公司或代表处1...
第1页共9页编号:时间:2021年x月x日书山有路勤为径,学海无涯苦作舟页码:第1页共9页广播影视设备器材入网认定申请书申请单位:申请日期:...
第1页共8页本文格式为Word版下载后可任意编辑和复制移动电话入网协议合同范本合同是一个承诺或一系列承诺,违反该承诺将由法律赐予救济;履...
甲方:乙方:________________________________________甲方在________________________________,协调有关工作,需要乙方提供电信网络服务和...
第3页共8页编号:时间:2021年x月x日书山有路勤为径,学海无涯苦作舟页码:第3页共8页附件临沂市建设信息网会员入网办法一、临沂市建设信息...
第1页共18页本文格式为Word版下载后可任意编辑和复制北京市移动电话入网服务合同范本2篇合同是当事人或当事双方之间设立、变更、终止民事关...
编号:小区开发工程集中供热入网合同甲方:乙方:签订日期:年月日甲方(供热单位)乙方(建设单位)年甲方将对乙方在开发建设的工程进行供...
第1页共9页本文格式为Word版下载后可任意编辑和复制北京市移动电话入网合同(适用于签约后付费项目)合同编号:_________甲方(电信运营商...
第1页共9页本文格式为Word版下载后可任意编辑和复制北京市移动电话入网合同本页北京市移动电话入网合同由我细心为您整理,盼望这篇北京市移...
第1页共8页本文格式为Word版下载后可任意编辑和复制北京市固定电话入网合同本文北京市固定电话入网合同由我细心为您整理,盼望这篇北京市固...
第1页共9页本文格式为Word版下载后可任意编辑和复制北京市固定电话入网合同(适用于签约后付费用户)合同编号:_________甲方(电信运营商...
供热入网合同要点甲方(供暖建设公司)与乙方(建设项目方)进行供暖工程建设合作,甲方按时完成用热区域一次供热管网的工程,乙方按照协议...
第1页共9页本文格式为Word版下载后可任意编辑和复制北京市固定电话入网合同(本合同适用于签约后付费用户)本页北京市固定电话入网合同(本...
第1页共9页本文格式为Word版下载后可任意编辑和复制移动电话入网协议(一)本文是移动电话入网协议(一)的范本,针对移动电话入网协议(一)做了...
第1页共10页本文格式为Word版下载后可任意编辑和复制移动电话入网协议(二)关于移动电话入网协议(二),移动电话入网协议(二)怎么写,我整理了...
移动电话入网协议甲方_________乙方(客户填写)_________为维护甲乙双方利益,根据《中华人民共和国电信条例》精神现就乙方使用甲方提供的...

