下载后可任意编辑别扩大痛苦淡化幸福作文 800 字 人生之中,有那么多不快乐的事,何必一件一件地举出来让自己难过呢?何必让自己活在痛...
生产菌种的扩大培养与保藏目前工业规模的发酵罐容积已达到几十立方米或几百立方米。如按百分之十左右的种子量计算,就要投入几立方米或几十...
下载后可任意编辑中学扩大办学规模申报 中学扩大办学规模申报 《重庆市国民经济和社会进展第十个五年计划教育事业进展重点专项规划》[渝...
桥梁明挖及扩大基础施工方案新建锦州至赤峰铁路综合三标段1 目 录一、工程概述 ........................................................
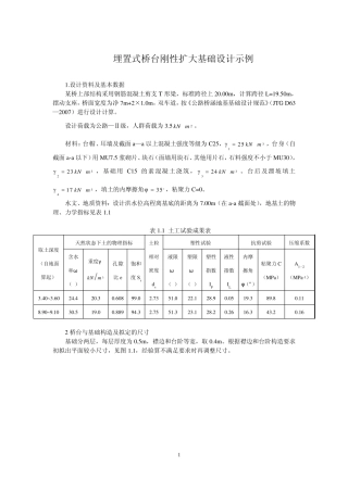
范文范例参考指导word 格式整理扩大基础施工方案一、工程概况1、沙窝东桥概况本桥跨越大石河, 位于左支河道桥中心桩号16+795 ,桥位处...
桥梁扩大基础施工方案2 扩大基础施工方案一、工程概况1、沙窝东桥概况本桥跨越大石河,位于左支河道桥中心桩号16+795,桥位处河道采用梯形...
【 tips 】本文由李雪梅老师精心收编整理,同学们定要好好复习!桥梁扩大基础各个施工细节基础工程在桥梁结构物的设计与施工中,占有极为...
国道 307 线孟雅一级公路建设项目监表 5 检验申请批复单施 工 单 位 : 中 国 建 筑 股 份 有 限 公 司合 同 号 : ...
WORD完美格式..整理分享.. 桥台扩大基础施工技术方案一、工程概况本项目第 26 合同段位于 K163+950 ~K178+140 段全长 14.258公里。...
百度文库- 让每个人平等地提升自我1 桥台扩大基础施工技术方案一、工程概况本项目第 26 合同段位于 K163+950~K178+140段全长公里。该...
合同编号: 号 工程劳务施工合同书 发包人: 承包方: 订立时期: 年 月 日施 工 协 议发包人: (下列简称发包人)承包人: (...
建筑劳务承包合同工程名称:滨州市阳信县政通茗城工程地点:滨州市阳信县 工程分包劳动合同工程总承包单位:济宁国泰君安建筑工程有限公司...
备案号:目录号: 施工企业施工工艺标准 QB QB/LQGS-2024 片石混凝土扩大基础施工工艺标准Rubble concrete expanding construction...
下载后可任意编辑沪昆客专长昆湖南段 CKTJ-Ⅷ 标桥梁工程扩大基础施工方案编 制:_____复 核:_____审 批:_____沪昆...
下载后可任意编辑本页为作品封面,下载后可以自由编辑删除,欢迎下载!!! 精 品文档1【精品 word 文档、可以自由编辑!】明挖扩大基...
下载后可任意编辑施工企业对扩大劳务分包项目核算管理的指引一、[适用范围]:本办法适用于采纳扩大劳务分包方式进行项目管理,确保固定收益...
石武客运专线湖北段 TJ1 标( DK1041+550.14~DK1062+220.07 段)承台、扩大基础安全施工方案 编制: 审核: 中铁二十三局集团第一...
下载后可任意编辑施工作业指导书1、目的对承台和扩大基础施工作业进行控制,使其结果满足设计和施工法律规范的要求。2、使用范围适用于承台...
下载后可任意编辑扩大基础施工方案 1.编制依据1.1 各种标准客运专线铁路桥涵工程施工质量验收暂行标准 铁建设[2024]160 号铁路混凝土施...
下载后可任意编辑S351 六安至舒城段改建二期工程首件工程申请表 合同号:S351-07 承包人:安徽省路港工程有限责任公司首件工程名称 K28...

