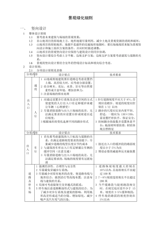
景观绿化细则 一 、 竖 向 设 计 1 整 体 设 计 原 则 1 .1 要 考 虑 未 来 建 筑 与 场 地 的 景 观 效 果...
X 县 2024 年第三季度绿化养护工作开展情况报告一、工作完成情况一是持续做好城区绿化提质改造工作,努力打造错落多彩的道路景观。针对...
农村公路养管及绿化报告 关于全区农村公路养护管理和绿化工作情况的报告 2010 年 9 月 20 日在区三届人大常委会第 28 次会议上 X...
年绿化养护计划 一、全年养护计划。 1、是看管巡查维护保洁等园区绿地的物业性工作。 2、灌溉、施肥、修剪、防治病虫害、除草、防寒等园...
下载后可任意编辑县绿化委员会办公室工作总结自全民义务植树活动开展以来,我县全民义务植树活动得到了县委、县政府的的高度重视,绿化事业...
下载后可任意编辑区委落实造林绿化进展工作方案区委落实造林绿化进展工作方案范文区林业局和各镇办要在森林防火和抗旱保苗上下功夫。此外要...
下载后可任意编辑造林绿化工作方案 4 篇与遇到森林火灾的应急措施汇编造林绿化工作方案 4 篇第一篇一、目标任务1、核桃建园全年核桃建...
山地绿化承包合同篇一:承包山地协议书甲方:乙方:承包山地协议书现 甲 方 经 村 民 大 会 决 议 通 过 同 意 将 位 于__...
目录一、编制依据............................................................ 错误 ! 未定义书签。一、工程概况......................
.可修编.绿化施工组织设计一、乔木绿化1、施工方案:苗木准备―平衡修剪 T 药剂处理―挖掘运输―树穴开挖土壤处理―栽植 I 浇底水 I ...
绿化工程绿化景观工程施工方案1、土方工程提出合理的建议,为配合施工方晚上及节假日进土,我方均现场跟踪,对待施工方以操纵质量及进度为...
界首市大黄镇郭店村一事一议财政奖补绿化项目安徽汇金建筑有限公司2018 年 10 月 20 日、工程概况:建设单位:大黄镇郭店村监理单位:...
景观绿化工程施工方案及顺序 土方工程 (一)准备工作: 查勘施工现场:摸清工程场地情况为施工规划和准备提供可靠的资料和数量。内业计...
深圳常用绿化植物 马占相思 (Acacia mangium) 科属:含羞草科 别名:大叶相思 形态特征: 常绿乔木,主干通直,树型整齐,叶大,生长迅...
整理绿化用地检验批质量验收记录表 编号: 单位(子单位)工程名称 安太堡矿南寺沟排土场复垦工程 分部(子分部)(分项)工程名称 一般性基...
(一)工艺流程 土方回填的一般顺序是: 清理坑底杂物、积水→分层回填→分层夯实→绿地整理、造型 (二)土方回填 1、土方的运输 土...
B9 苏州科技城智慧谷龙虎浜绿化工程 工程质量评估报告 建设单位: 苏州科技城软件园有限公司 设计单位: 苏州筑园设计院有限公司 施...
工 程 设 计 变 更 联 系 单 工 程 名 称 孝 感 槐 荫 公 园 二 期 工 程 ( 绿 化 )001 建 设 单 位 孝...
工程签证单 编号 建设单位 崇明县城桥镇人民政府 工程名称 城桥镇2 0 1 7 侯南村村庄改造工程 施工单位 上海市崇明县鳌山建筑工...
校园绿化美化计划 黄渡完小校园绿化、美化、净化 工作计划 校园应当是一本活的教科书,对校园绿化、美化和净化,就是对学生进行德、智、...

