下载后可任意编辑进场道路施工组织设计 doc 改1目 录目 录一、 施工组织设计…………………………………………………二、 施工平面布...
下载后可任意编辑物资进场验收管理办法12024 年 4 月 19 日下载后可任意编辑物资进场验收管理办法1、依据施工图纸的设计要求国家建筑...
下载后可任意编辑水电工程材料进场验收标准大全12024 年 4 月 19 日 工程材料验收标准 (安装工程) 编制单位:安装公司工程部 编...
下载后可任意编辑水电安装工程材料进场验收标准大全12024 年 4 月 19 日 工程材料验收标准(安装工程)编制单位: 安装公司工程部 ...
下载后可任意编辑材料进场验收要求12024 年 4 月 19 日下载后可任意编辑工程所用的管材、管道附件、构(配)件和主要原材料的进场验收...
下载后可任意编辑机械设备进场验收管理规定12024 年 4 月 19 日下载后可任意编辑项目机械设备进场、验收管理规定(一)机械设备租赁管...
【 tips 】本文由李雪梅老师精心收编整理,同学们定要好好复习!监理进场后至开工前准备工作监理进场后至开工前准备工作在各项目监理人员...
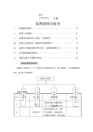
附件一**********工程监理进场交底书一. 监理组织机构⋯⋯⋯⋯⋯⋯⋯⋯⋯⋯⋯⋯⋯⋯⋯⋯⋯⋯⋯⋯2 二. 监理工作依据⋯⋯⋯⋯⋯⋯⋯⋯...
原材料进场报验监理程序申报合格批准使用合格后合格不合格承 包 商原材料产地(厂家)考察总 监 办承包人提供相关试验报告原材料产地(...
监理人员进场工作计划表篇一:监理人员进场安排表监理人员进场安排表篇二:监理人员进场工作计划表篇一:监理人员进场安排表监理人员进场安...
合同编DBHY (2014-3-28 )进场协议书配 合方 (甲方 ): 浙江海天建设集团有限公司专业承包方(乙方):广东世纪达装饰工程有限公司工...
甲供材料设备进场验收记录工程名称记录编号供应单位进场日期序号材料/ 设备名称规格型号使用部位计量单位数量抽检情况备注1 2 3 4 5 ...
下载后可任意编辑工程项目原材料进场检验制度1下载后可任意编辑1 总则 为了有效地指导对各种原材料的检验工作, 以使原材料的各类要求符...
下载后可任意编辑工人进场建筑工程三级安全教育及安全技术交底模板12024 年 4 月 19 日下载后可任意编辑建筑工程三级安全教育内容工人...
下载后可任意编辑北京SKP品牌施工管理流程北京 SKP 品牌施工管理流程下载后可任意编辑目录1、 总则......................................
特种人员进场监理审查制度****************************************项目特种人员进场监理审查制度编制:批准:*********************监理...
中国建筑项目管理表格物资(设备)进场验收计划表表格编号CSCEC-PM-1301工程名称及编码保利达翠堤湾二期B 工程项目基本情况本工程包含 ...
物 资 进 场 日 记年物 资名 称规格单位物资数量供货单位装货地点卸货地点车种吨位车次车号备注月日应收实收盈 亏( + )(-)
3.2.劳动力计划表 主要工种劳动力计划表 时间 工种 桩头底板外墙 6月25日至7月25日 屋面9月25日至10月5日 卫生间楼面2018年3月15日...
劳动力计划、主要机械设备使用及进场计划 第一节 劳动力安排计划 一、劳动力来源 根据本工程的施工总体部署和工期计划的要求,在我公司...

