高等教育电子音像出版社高等教育出版社3.3收发电子邮件申请和使用免费邮箱1.搜索免费邮箱网站2.邮箱注册3.浏览器设置使用客户端邮件工...
25/1/101、电子邮箱地址很难记,我该怎么才能很熟悉的记住呢?想一想2、妈妈怕耽误我的学习只有周末才给我用网络,我该怎么更好的用邮件和...
VC++程序设计报告电子邮件发送和接收程序的开发班级:B电子051姓名:周庆学号:0510620118指导老师:惠为君日期:2007年...
利用电子邮件收发信息(1)一、教学目标:1、学会在网上申请免费邮箱2、知道电子邮箱的固定格式3、学会通过电子邮件收发信息二、教学重点:...
快递收发管理规定(试行)第一章总则第一条为规范公司收、发货物,降低风险,控制物流成本,统一规范公司快递管理,特制定本规定.第二条适用...
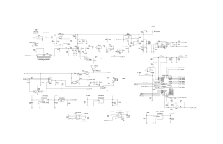
基于RX5000TX5000的无线收发电路摘要5000和5000分别是公司专为小范围单向无线通信设计生产的接收器和发射器芯片。它们体积小,功耗低,价格...
第48课收发电子邮件[教学目的与要求](1)进一步掌握浏览器的操作方法。(2)了解电子邮箱和E-mail地址。(3)初步掌握收发电子邮件的操作方法。[...
第2课收发电子邮件教学目的1、学会进入自己的电子邮箱。2、学会发电子邮件。3、学会回复电子邮件。4、通过发电子邮件的实践活动,让学生学...
下载后可任意编辑公司办公室计划生育兼收发工作竞职演讲稿假如我能竞聘上这个岗位,我一定不辜负领导和同志们的信任;假如我能竞聘上这个岗...
文件名称《医院文件收发传阅制度》文件归属《管理制度与标准规范汇编》发文部门院办公室文件编号RK-XK-XZB-004职责部门制定日期1月29日2010...
单片射频收发芯片的原理及应用课件$number{01}目•单片射频收发芯片的基本原理•单片射频收发芯片的应用领域•单片射频收发芯片的发展趋势...
涉密测绘资料建账制度1.保密测绘成果档案在建立台账前,应根据《中国档案分类法》采取的体系分类原则编制,从总到分,层层隶属,构成具有隶...
XXXX公司利器领用记录表领取日期部门领用人姓名领取物品数量用途收回时间发放人
。。1收发快递管理规定1.目的规范公司收、发快递管理,防止快递丢失,降低运行风险,控制物流成本。确保公司快递的收发工作及时、准确、高...
第三课收发电子邮件【教学目标】1、知识和技能:①认识电子邮件地址的组成。②学会收发电子邮件。③培养学生使用电子邮件的技能,增强学生...
收发电子邮件【教学目的与要求】(1)进一步掌握浏览器的操作方法。(2)了解电子邮箱和E-mail地址。(3)初步掌握收发电子邮件的操作方法。【教...
第1页共17页编号:时间:2021年x月x日书山有路勤为径,学海无涯苦作舟页码:第1页共17页用OutlookExpress收發電子郵件施翰澤89.07.31.一、...
(3.0V150mA)(2.8V100mA)(2.5V100mA)(3.0V150mA)(2.8V100mA)R429C45410NF16VC452150PFQ4071256G34L417BLM10A102SGPTSI3443DV-T1NCR41247NFC4...
收发电子邮件认识认识电子邮件电子邮件申请申请电子邮箱电子邮箱收发收发电子邮件电子邮件掌握掌握阅读电子邮件的方法阅读电子邮件的方法主...
人保局公文收发管理制度一、发文办理(一)拟制公文,要根据本部门职权范围并取得一致意见方可行文。进行工作检查或要求所属单位上报情况、...

