文档获得我国检验检疫准入的新鲜水果种类及输出国家/地区名录(2017年10月13日更新)输出国家/地区水果种类泰国罗望子(Tamarindusindica;...
各护坡方案允许不冲流速及方案比较1.草皮护坡(含三维土工格网、耕植土)≤2m/s;造价:26元/m2;2.浆砌块石护坡(含砂石反滤层)≤4m/s;...
《湖南省首批允许临床应用的第二类医疗技术管理规范(试行)》各市、州卫生局,省部直各医疗机构:为贯彻落实《医疗技术临床应用管理办法》,...
精品文档精品文档注:干湿球温度计的准确度等级可不写,最大允许误差为:±2℃/2%压力表允许误差计算值一览表(JJG52-1999)单位:MPa准确...
各护坡方案允许不冲流速及方案比较1.草皮护坡(含三维土工格网、耕植土)≤2m/s;造价:26元/m2;2.浆砌块石护坡(含砂石反滤层)≤4m/s;...
混凝土工程一.监理准备1.熟悉有关图纸、技术资料、操作规程和质量标准。2.检查承包单位在混凝土浇灌前的以下各项准备工作:1》检查水泥...
第1页共11页本文格式为Word版下载后可任意编辑和复制土石方施工允许劳务分包关于土石方施工允许劳务分包的文章由我细心为您整理,盼望这篇土...
第1页共4页本文格式为Word版下载后可任意编辑和复制请允许我悄悄的爱你你是一曲动听的夜曲,我只是其中低沉的旁奏;你是一条明媚活泼的小溪...
第1页共2页本文格式为Word版下载后可任意编辑和复制雅安地震诗歌父亲,允许我抱着你雅安地震诗歌父亲,允许我抱着你:黄曙辉父亲,允许我抱...
关于要求允许立即全面复工的紧急请示中铁隧道集团有限公司隧工程函"20XX"325号关于立即开展城市轨道交通工程项目全面整改的紧急通知各施工...
允许进口肉类产品的国家或地区以及相应的品种和用途名单(2006年7月18日更新)输出国家/地区产品种类及议定书签署时间用途备注美国猪产品(...
《请允许我有一个秘密》读后感我继续汤旭的读后感《请允许我有一个秘密》,谈谈我的看法。首先我觉得每个人都可以拥有一个属于自己的秘密。...
办理濒危物种允许出口许可证是在濒危管理办公室办理,需要的资料:1、书面申请。2、野生动植物及其产品《野生动植物允许出口证明书》申请表...
附件首次进口需风险分析的植物源性食品及已有输华贸易的国家或地区目录(2013年7月修订)序号产品名称HS编码已有贸易的国家或地区1鲜或冷藏...
允许进口饲料和饲料添加剂国家(地区)产品名单(更新至2017年5月19日)国家(地区)产品名称境外加工生产企业注册登记情况亚洲1印度尼西亚...
允许进口饲料和饲料添加剂的国家与地区及产品名单(2009年10月28日更新)地区与国家产品境外生产、加工企业注册登记情况亚洲印度尼西亚麦麸...
贵州赤天化能源有限责任公司桐梓县花秋二矿允许掘进通知单2018年度允许掘进通知单巷道名称:10903回风巷根据探放水设计,探水队于2018年6月...
诉讼中,允许当事人对司法鉴定意见申请重新鉴定和补充鉴定的适用情形?诉讼中,允许当事人对司法鉴定意见申请重新鉴定和补充鉴定的适用情形...
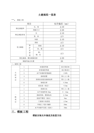
土建规范一览表一、钢筋工程项目允许偏差(mm)绑扎钢筋网长、宽±10网眼尺寸±20绑扎钢筋骨架长±10宽、高±5受力钢筋间距±10排距±5保护...
基金法修改拟允许从业人员买股票私募纳入监管基金法的修订取得实质性进展。基金公司人士昨日透露,《证券投资基金法(修订草案)》征求意见稿...

