中心化验室分析方法允许差的管理制度一、允许差在分析室内应用5在分析过程中,平行样之间的差值大于允许差但小于二倍允许差时,此平行样可以...
不锈钢管标准及外径与壁厚尺寸允许公差表尺寸 标准 外径(mm) 壁厚(%)切割长度(mm) 尺寸 公差尺寸(mm) 公差尺寸公差GB/T14975-0...
不锈钢板允许偏差(GB) 单位:mm 宽度厚度厚度允许偏差较高精度(A)一般精度(B)>600~1000>1000~1250>600~12500.05~0。10——--——...
一般抹灰质量允许偏差(mm)项目允许偏差(mm)检验方法普通抹灰高级抹灰立面垂直度43用 2 米垂直检测尺检查表面平整度43用 2 米靠尺和塞尺...
砌体允许偏差及检查方法项次项目允许偏差值(mm)检查方法国家法律规范标准结构长城杯标准1轴线位移1010尺量2标高基础顶面±15±10水准仪或...
现浇结构尺寸允许偏差和检验评分 栋号:47#项目允许偏差(mm)检验方法检查点轴线位置点数合格率轴线位置墙、柱、梁8钢尺检查956731112686...
单层钢柱外形尺寸允许偏差检查记录表 GB50205-2001 GD2301057□□单位(子单位)工程名称 分部(子分部)工程名称 验收部位抗风柱施工...
电力变压器运行中允许温度的规定电力变压器在运行中,电能在铁芯和绕组中的损耗转变为热能,会引起各部位发热,使变压器温度升高。当热量向...
各岗位允许报考专业类别目录(本科)附件 3 2025 年周村区事业单位公开招聘人员 各岗位允许报考专业类别目录(本科) 一、汉语言文学...
建筑地基基础设计法律规范5. 3. 2 地基变形特征可分为沉降量、沉降差、倾斜、局部倾斜5 . 3. 3 在计算地基变形时,应符合下列规定:...
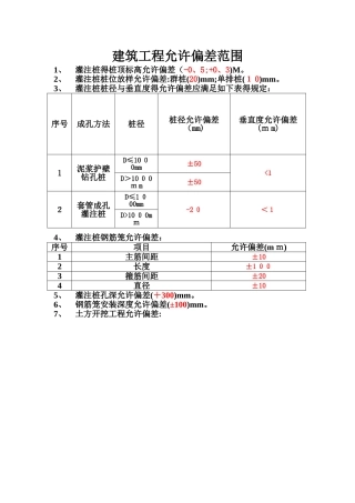
建筑工程允许偏差范围1、灌注桩得桩顶标高允许偏差(-0、5;+0、3)M。2、灌注桩桩位放样允许偏差:群桩(20)mm;单排桩(1 0)mm。3、灌注桩桩...
常用钢材允许使用温度(3页)Good is good, but better carries it.精益求精,善益求善。常用钢材使用温度范围钢 号钢 材 标 准受...
室内允许噪声级建筑类型房间名称允许噪声级(A 声级,dB)住宅建筑卧室<45 (昼),<37 (夜)起居室(厅)<45学校建筑语音教室、阅览室...
允许放宽医疗服务价格整体调控目标的若干情形序号放宽情形放宽幅度适用范围1经济发达、人力成本高、腔种植 技术领先的地区20%非定向2国家...
变压器允许温升(5 页)Good is good, but better carries it.精益求精,善益求善。变压器允许温升 变压器各个部门有不同的允许温升...
南京广线路允许速度(17 页)Good is good, but better carries it.精益求精,善益求善。线名行别区段起止地点线路允许速度车站过岔速...
RF1、2、3-1 预埋件与预留孔洞允许偏差验收记录表序号项目允许偏差(mm)实测偏差值(mm)123456789101预埋钢板中心线位置52预埋管、预留孔中...
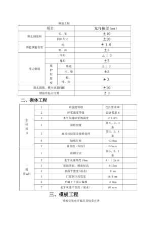
钢筋工程项目允许偏差(mm)绑扎钢筋网长、宽±10网眼尺寸±20绑扎钢筋骨架长±10宽、高±5受力钢筋间距±1 0排距±5保护层厚度基础±1...
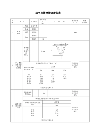
脚手架搭设检查验收表项次项 目技术规定容许偏差Δ(mm)示 意 图检查措施与工具实测及结论1地基基础表面坚实平整--观测排水不积水垫板...
[请允许我宁静的爱你的爱情故事]请允许我爱你 二 女孩,第一次给你打电话了,电话那头是浪花一样的嘈杂,而且令人生趣的是首先接电话的并...

