允许高校教师兼职,那中小学教师呢?近日,中共中央办公厅、国务院办公厅印发了《关于实行以增加知识价值为导向分配政策的若干意见》,意见...
预制构件尺寸的允许偏差及检验方法项目允许偏差( mm )检验方法长 度板、梁+10 ,-5钢尺检查柱+5, -10墙板± 5薄腹梁、桁架+ 15 ...
通用橡套软电缆长期允许载流量导线工作温度: 65°C 环境温度: 25°C 导 线 面积mm2空 气 敷 设 长 期 允 许 载 流 量 A...
关于要求允许立即全面复工的紧急请示 尊敬的 xxxx(区市)安监局(站)领导同志(分别称呼,分别呈报)。 我院由职工集资新建的“施工许...
临 床 实 验 室 评 价 项 目T E A 可 接 受 范 围 ( 表1 )项目TEA可接受范围血液学红细胞计数靶值± 6%血细胞容积靶...
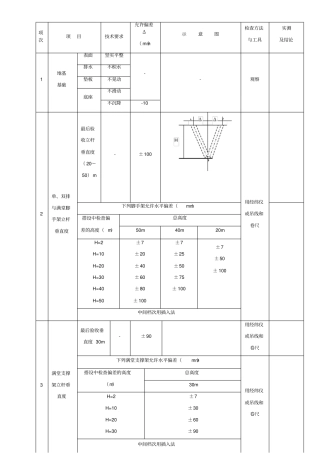
v1.0 可编辑可修改1 一、 钢筋工程项目允许偏差( mm)绑扎钢筋网长、宽±10网眼尺寸±20绑扎钢筋骨架长±10宽、高±5受力钢筋间距±10...
精品文档。1欢迎下载一般抹灰的允许偏差和检验方法项次项目允许偏差检验方法普通抹灰高级抹灰1 立面垂直度4 3 用 2 m 垂直检测尺检查...
SIR50-PTCH-00B 日期:2007.09.12 1 概 述 R5000 是一种采用32 位ARM 处理器和10.4 英寸640×480TFT 彩色液晶显示屏的多功能无纸...
GB 50210-2018《建筑装饰装修工程质量验收标准》 一般抹灰的允许偏差和检验方法 项次 项目 允许偏差(m m ) 检验方法 普通抹灰 ...
建 筑 地 基 基 础 设 计 规 范 5 . 3 . 2 地 基 变 形 特 征 可 分 为 沉 降 量 、 沉 降 差 、 倾 斜...
排气筒高度(m)二级 三级监控点浓度(mg/m3)960152.63.5二(硫、二氧化硫、硫酸和其它含硫化合物生产)204.36.6氧301522化402538*周界...
项次项目技术要求允许偏差Δ( mm)示意图检查方法与工具实测及结论1地基基础表面坚实平整--观察排水不积水垫板不晃动底座不滑动不沉降-10...
爆破振动安全允许距离6.2.1 评价各种爆破对不同类型建(构)筑物和其他保护对象的振动影响,应采用不同的安全判据和允许标准。6.2.2 地面...
. . 离心泵的气蚀现象与允许吸上真空高度( 一) 离心泵的气蚀现象由离心泵的工作原理可知,在离心泵叶轮中心( 叶片入口 ) 附近形成低...
电缆外径芯数 X 导体标称截面积 (mm2) 电缆外径 UYQ-0.3/0.5 芯数 X倒替标称截面积 (mm2) 电缆外径 UYQ-0.3/0.5 最小值最大值最...
如何实现只允许有限的人使用网络打印机? 背景: HP LaserJet 系列激光打印机通过打印服务器连接到网络上,如何才能让某些人可以使用,...
现浇结构尺寸允许偏差和检验方法项目允许偏差(mm) 检验方法轴线位置基础15 钢尺检查独立基础10 墙、柱、梁8 剪力墙5 垂直度层高≤5m ...
工程名称 : 焦作易生元养生国酒庄工程工程部位:序号项 目允许偏差(mm)检查方法实际偏差(mm)1 轴线位置柱、墙、梁5 尺量2 底模上...
现浇结构位置和尺寸允许偏差及检验方法项目允许偏差检验方法轴线位置整体基础15经纬仪及尺量独立基础10经纬仪及尺量柱、墙、梁8尺量垂直度...
利用IS A 允许用户加入到域 实验准备: 三台VM 虚拟机 分别为:Client、ISA 两台台虚拟机的 IP: Client IP:1.1.1.2 DNS:1.1.1....

