电脑桌面
添加小米粒文库到电脑桌面
安装后可以在桌面快捷访问

脚手架搭设的技术要求、允许偏差与检验方法

脚手架搭设的技术要求、允许偏差与检验方法_第1页
1/5
脚手架搭设的技术要求、允许偏差与检验方法_第2页
2/5
脚手架搭设的技术要求、允许偏差与检验方法_第3页
3/5
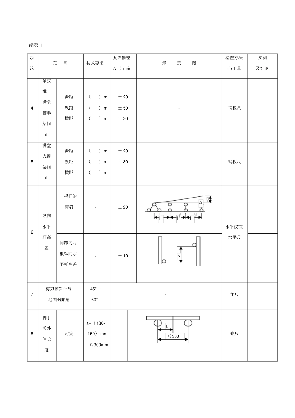
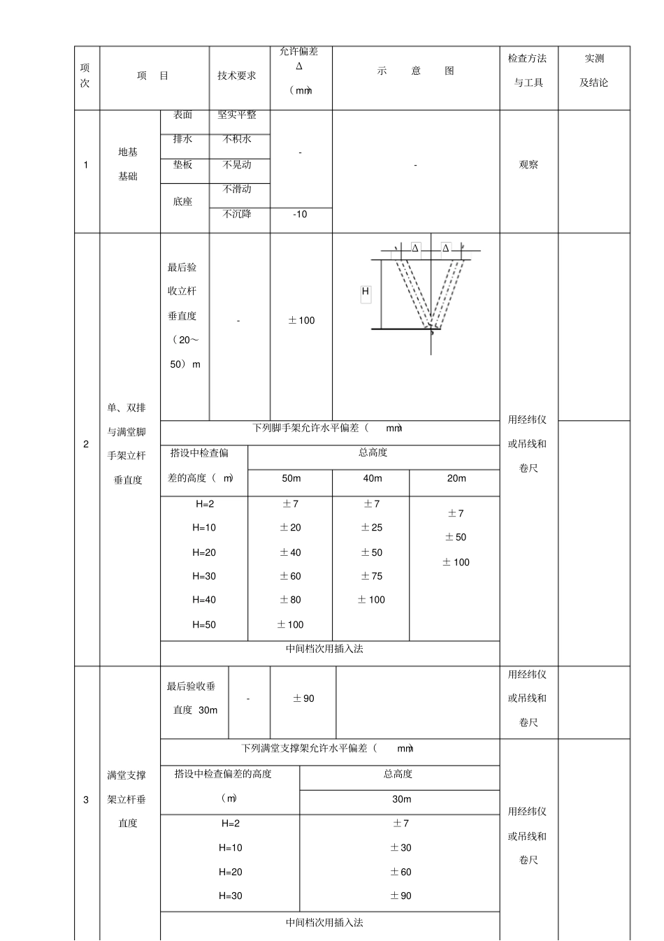
项次项目技术要求允许偏差Δ( mm)示意图检查方法与工具实测及结论1地基基础表面坚实平整--观察排水不积水垫板不晃动底座不滑动不沉降-102单、双排与满堂脚手架立杆垂直度最后验收立杆垂直度( 20~50)m-±100用经纬仪或吊线和卷尺下列脚手架允许水平偏差(mm)搭设中检查偏差的高度( m)总高度50m40m20mH=2H=10H=20H=30H=40H=50±7±20±40±60±80±100±7±25±50±75± 100±7±50± 100中间档次用插入法3满堂支撑架立杆垂直度最后验收垂直度 30m-±90用经纬仪或吊线和卷尺下列满堂支撑架允许水平偏差(mm)用经纬仪或吊线和卷尺搭设中检查偏差的高度(m)总高度30mH=2H=10H=20H=30±7±30±60±90中间档次用插入法ΔΔH续表 1项次项目技术要求允许偏差Δ ( mm)示意图检查方法与工具实测及结论4单双排、满堂脚手架间距步距纵距横距()m()m()m± 20± 50± 20-钢板尺5满堂支撑架间距步距纵距横距()m()m()m± 20± 30-钢板尺6纵向水平杆高差一根杆的两端-± 20水平仪或水平尺同跨内两根纵向水平杆高差-± 107剪刀撑斜杆与地面的倾角45°-60°-角尺8脚手板外伸长度对接a=(130-150) mml ≤300mm-卷尺Δl ≤ 300alΔlllllΔ搭接a≥100mml ≥200mm-卷进尺续表 2项次项目技术要求允许偏差Δ ( mm)示意图检查方法与工具实测及结论9扣件安装主节点处各扣件中心点相互距离a≤150mm-钢板尺同步立杆上两个相隔对接扣件的高差a≥500mm-钢卷尺立杆上的对接扣件至主节点的距离a≤ h/3ah123a2142aa13al ≥200纵向水平杆上的对接扣件至主节点的距离a≤ l a/3-钢卷尺扣件螺栓拧紧扭力矩(40-65)--扭力扳手续表 3项次项目技术要求检查方法与工具实测及结论10安全防护防护栏杆上栏杆上皮高度为,中间栏杆居中设置钢卷尺挡脚板高度不小于180 ㎜安全网外侧满挂密目式安全网,不留间隙,施工层以下每隔 10m的防护设施11连墙件布设脚手架高度竖向间距(h)水平间距(la )每根连墙件覆盖面积(㎡)钢卷尺双排≤ 503h3la≤40>502h3la≤27单排≤ 243h3la≤4012斜道运料斜道宽度不小于,坡度为1:6钢卷尺人行斜道宽度不小于,坡度为1:3al a21验收意见:签名:年月日整改复查结论:签名:年月日备注:一、图中1- 立杆; 2- 纵向水平杆;3- 横向水平杆4- 剪刀撑。二、脚手架及其地基基础应在下列阶段进行检查与验收: 1 基础完工后及脚手架搭设前;2 作业层上施加荷载前;3 每搭设完6m~8m高度后; 4 达到设计高度后;5 遇有六级强风及以上风或大雨后;冻结地区解冻后;6 停用超过一个月。三、检查每项允许偏差时每项要有10 个实测数据,结论为合格或不合格,其中实测数据70%在允许偏差范围内为合格,否则为不合格。

1、当您付费下载文档后,您只拥有了使用权限,并不意味着购买了版权,文档只能用于自身使用,不得用于其他商业用途(如 [转卖]进行直接盈利或[编辑后售卖]进行间接盈利)。
2、本站所有内容均由合作方或网友上传,本站不对文档的完整性、权威性及其观点立场正确性做任何保证或承诺!文档内容仅供研究参考,付费前请自行鉴别。
3、如文档内容存在违规,或者侵犯商业秘密、侵犯著作权等,请点击“违规举报”。

碎片内容

脚手架搭设的技术要求、允许偏差与检验方法

爱的疯狂+ 关注
实名认证
内容提供者

该用户很懒,什么也没介绍

确认删除?
VIP
微信客服
  • 扫码咨询
会员Q群
  • 会员专属群点击这里加入QQ群
客服邮箱
回到顶部