电脑桌面
添加小米粒文库到电脑桌面
安装后可以在桌面快捷访问

H型钢尺寸外形及允许偏差

H型钢尺寸外形及允许偏差_第1页
1/85
H型钢尺寸外形及允许偏差_第2页
2/85
H型钢尺寸外形及允许偏差_第3页
3/85
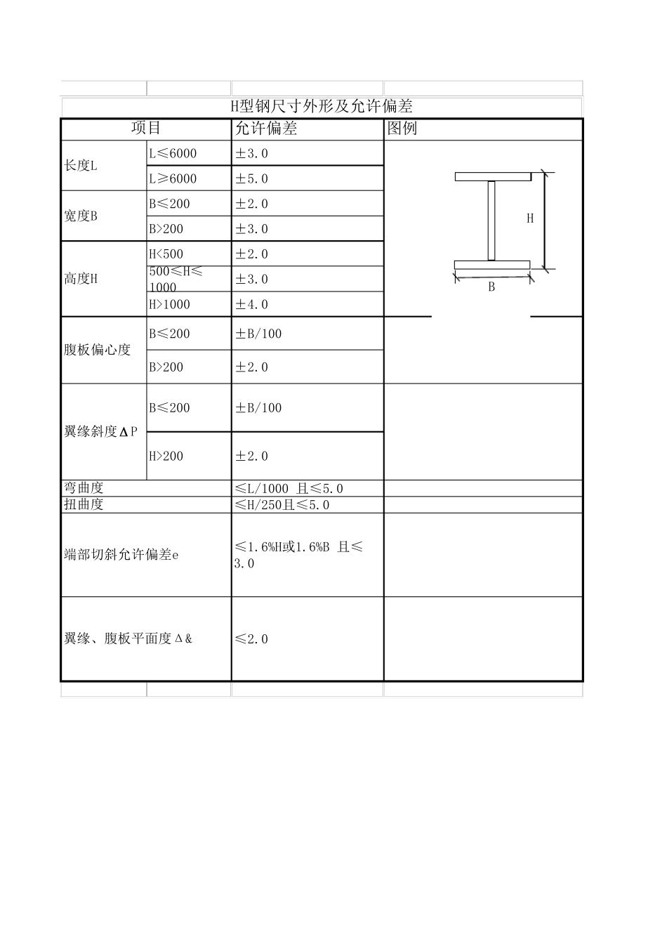
允许偏差图例L≤6000±3.0L≥6000±5.0B≤200±2.0B>200±3.0H<500±2.0500≤H≤1000±3.0H>1000±4.0B≤200±B/100B>200±2.0B≤200±B/100H>200±2.0≤L/1000 且≤5.0≤H/250且≤5.0≤1.6%H或1.6%B 且≤3.0≤2.0端部切斜允许偏差e翼缘、腹板平面度Δ&H型钢尺寸外形及允许偏差弯曲度扭曲度项目高度H腹板偏心度翼缘斜度Δ P长度L宽度BHB

1、当您付费下载文档后,您只拥有了使用权限,并不意味着购买了版权,文档只能用于自身使用,不得用于其他商业用途(如 [转卖]进行直接盈利或[编辑后售卖]进行间接盈利)。
2、本站所有内容均由合作方或网友上传,本站不对文档的完整性、权威性及其观点立场正确性做任何保证或承诺!文档内容仅供研究参考,付费前请自行鉴别。
3、如文档内容存在违规,或者侵犯商业秘密、侵犯著作权等,请点击“违规举报”。

碎片内容

H型钢尺寸外形及允许偏差

您可能关注的文档

确认删除?
VIP
微信客服
  • 扫码咨询
会员Q群
  • 会员专属群点击这里加入QQ群
客服邮箱
回到顶部