.WORD. 格式 . 专业整理资料分享一、 钢筋工程项目允许偏差( mm )绑扎钢筋网长、宽±10 网眼尺寸±20 绑扎钢筋骨架长±10 宽、...
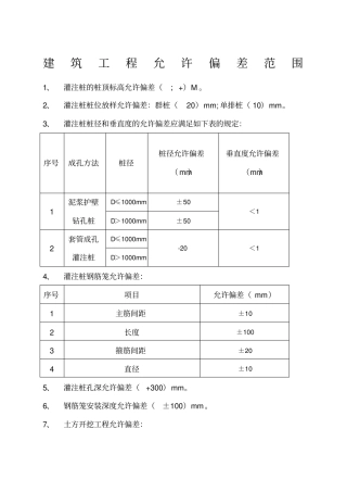
建筑工程允许偏差范围1、灌注桩的桩顶标高允许偏差(;+)M 。2、灌注桩桩位放样允许偏差:群桩(20)mm; 单排桩( 10)mm。3、灌注桩桩...
第条建筑物的地基变形允许值,按表规定采用。对表中未包括的建筑物,其地基变形允许值应根据上部结构对地基变形的适应能力和使用上的要求确...
1 规范允许结构偏差 混凝土结构工程施工质量验收规范 一、模板分项工程 预埋件和预留孔洞的允许偏差 项 目 允许偏差(m m ) 预...
新闻背景:你办卡了吗? 最近一段时间以来预付费消费模式受到大家的青睐,各种各样的年卡、季卡、月卡、次卡、储值卡、花样繁多,在游泳、...
土方路基实测项目 表203-1 项 次 检 查 项 目 规定值或允许偏差 检查方法和频率 高速公路 一级公路 其他公路 1 压 实 度 ...
第九章 地下水允许开采量的计算方法 计算地下水允许开采量是地下水资源评价的核心问题。计算地下水允许开采量的方法,也称为地下水资源评...
序号中文名 CAS No. 英文名TWA*STEL白云石粉尘Dolomite dust 总尘 Total dust81048呼尘 Respirable dust2 玻璃钢粉尘(总尘)Fib...
新闻背景:你办卡了吗?最近一段时间以来预付费消费模式受到大家的青睐,各种各样的年卡、季卡、月卡、次卡、储值卡、花样繁多,在游泳、美...
曲全长 25m 以上电缆最小允许弯曲半径序号电缆种类最小允许弯曲半径1无铅包钢铠护套的橡胶绝缘电力电缆10D2有钢铠护套的橡胶绝缘电力电缆...
、钢筋工程项目允许偏差(mm)绑扎钢筋网长、宽土 10网眼尺寸土 20绑扎钢筋骨架长土 10宽、高土 5受力钢筋间距土 10排距土 5保护层厚...
序号成孔方法桩径桩径允许偏差(mm)垂直度允许偏差(mm)1泥浆护壁DW1000mm土 50V1钻孔桩D>1000mm土 502套管成孔DW1000mm-20V1灌注桩D>1...
欧盟允许梨果类水果中残留的农药种类及其最高残留限量(2002 年 3 月 12 日, 草案)农药英文名称中文名称最高残留限量(MRL,mg/kg) 苹...
学校是允许犯错误的地方教育心得体会工作是要求做正确的事、正确地做事,而学习则是允许做错误的事和错误地做事。学校和社会应该是有本质的...
允许孩子的不进步——读《翻转人生的教育》南门小学上城国际分校杨咸玲班级管理刊物杂志、教育名家专著上总会出现这样的案例:某个班级学风...
允许当事人断绝父子关系吗具有血缘关系的亲生父母子女是最近的直系血亲,其亲属关系是基于血缘形成的。自然血亲的亲属关系因出生而产生,因...
例外允许偏离申请表No.________申请日期样品名称检测/校准方法标准编号检测/校准项目检测/校准日期偏离原因及内容试验员:年月日审核意见技...
序号项目允许偏差(mm)实测偏差值(mm)123456789101预埋钢板中心线位置52预埋管、预留孔中心线位置53插筋中心线位置5外露长度+10,04预埋...
尺寸允许偏差热轧钢板和钢带尺寸允许偏差(GB/T709-1988)钢板的厚度允许偏差(一)mm公称厚度在下列宽度时的厚度允许偏差(钢板和钢带)600750∽...
任务驱动型“杭州图书馆允许拾荒者、无业游民入馆”考场作文18.阅读下面的材料,根据要求写一篇不少于800字的文章。(60分)杭州图书馆允许...

