电脑桌面
添加小米粒文库到电脑桌面
安装后可以在桌面快捷访问

土方路基允许偏差表203VIP免费

土方路基允许偏差表203_第1页
1/11
土方路基允许偏差表203_第2页
2/11
土方路基允许偏差表203_第3页
3/11
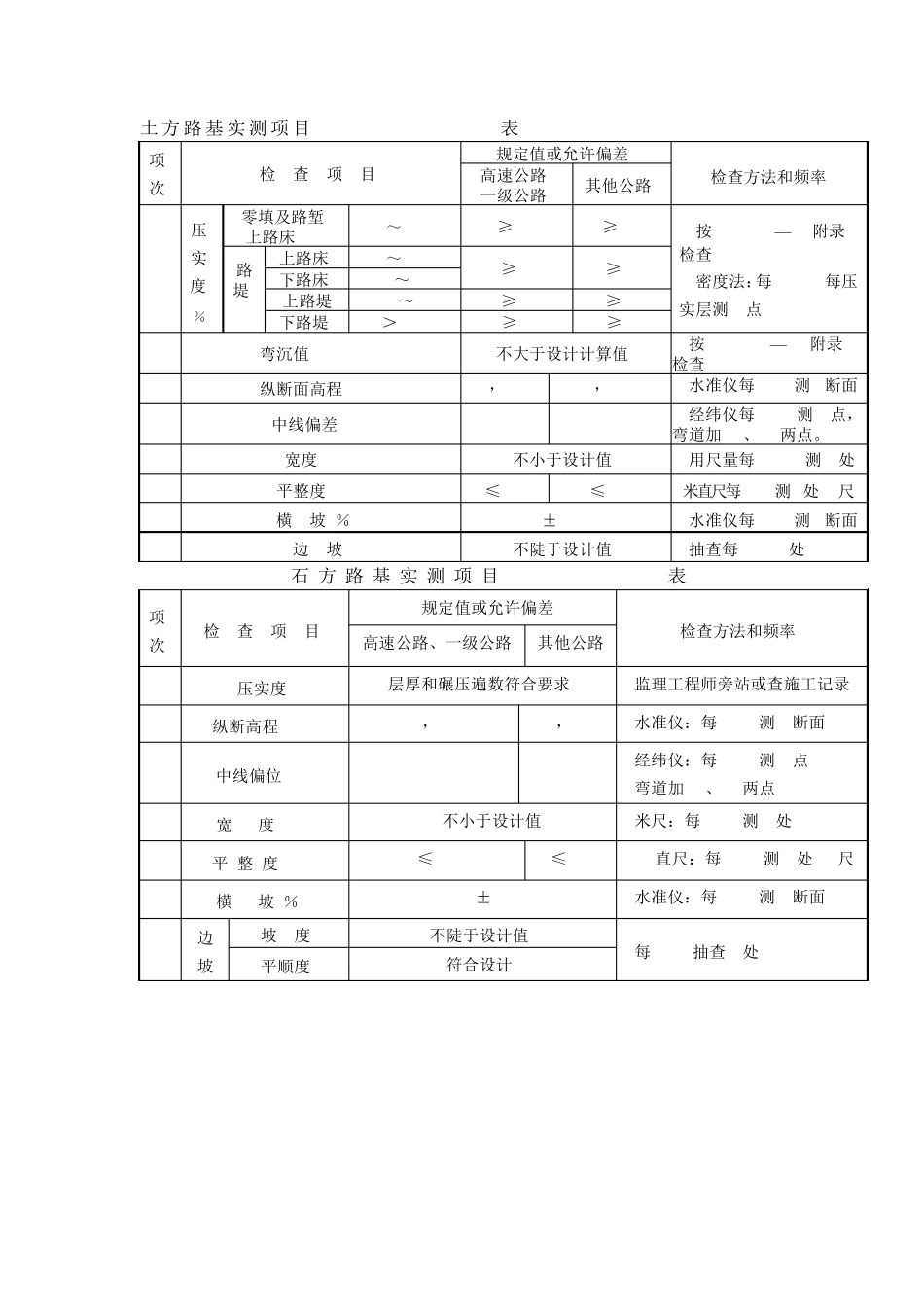
土方路基实测项目 表203-1 项 次 检 查 项 目 规定值或允许偏差 检查方法和频率 高速公路 一级公路 其他公路 1 压 实 度 (%) 零填及路堑 上路床(m) 0~0.3 ≥95 ≥93 按JTJ 071—98附录B检查 密度法:每2000m2每压实层测4点 路 堤 (m) 上路床 0~0.3 ≥95 ≥93 下路床 0.3~0.8 上路堤 0.8~1.5 ≥93 ≥90 下路堤 >1.5 ≥90 ≥90 2 弯沉值(0.0lmm) 不大于设计计算值 按JTJ 071—98附录I检查 3 纵断面高程(mm) 10,-15 10,-20 水准仪每200m测4断面 4 中线偏差(mm) 50 100 经纬仪每200m测4点,弯道加HY、YH两点。 5 宽度(mm) 不小于设计值 用尺量每200 m测4处 6 平整度(mm) ≤15 ≤20 3米直尺每200m测4处x3尺 7 横 坡(%) ±0.5 水准仪每200m测4断面 8 边 坡 不陡于设计值 抽查每200m4处 石 方 路 基 实 测 项 目 表203-2 项次 检 查 项 目 规定值或允许偏差 检查方法和频率 高速公路、一级公路 其他公路 1 压实度 层厚和碾压遍数符合要求 监理工程师旁站或查施工记录 2 纵断高程(mm) +10,-20 +10,-30 水准仪:每200m测4断面 3 中线偏位(mm) 50 100 经纬仪:每200m测4点 弯道加HY、YH两点 4 宽 度(mm) 不小于设计值 米尺:每200m测4处 5 平 整 度(mm) ≤20 ≤30 3m直尺:每200m测4处x3尺 6 横 坡(%) ±0.5 水准仪:每200m测4断面 7 边坡 坡 度 不陡于设计值 每200m抽查4处 平顺度 符合设计 路堤填料最小强度和最大粒径要求 表204-1 项目分类 (路面底面以下深度) 填料最小强度(CBR) (%) 填料最大粒径 (mm) 高速公路、一级公路 二级及二级以下公路 路堤 上路床(0~0.3m) 8.0 6.0 100 下路床(0.3~O.8m) 5.0 4.0 100 上路堤(O.8~1.5m) 4.0 3.0 150 下路堤(>1.5m) 3.0 2.0 150* 零填及路堑路床(0~0.3m) 8.0 6.0 100 注:①*适用于填石路堤。 ②黄土、膨胀土及盐渍土的填料强度,分别按相应章节的规定办理。 粉煤灰路堤检查项目 表2 0 4 -2 项次 检查项目 规定值或允许偏差 检验方法和频率 高速公路、一级公路 其他公路 1 纵断高程(mm) +10,-20 +10,-30 水准仪:每200m测4点 2 中线偏位(mm) ≤50 ≤100 经纬仪:每2OOm测2点 (弯道加测ZY、YZ) 3 宽度(mm) 不小于设计值 米尺:每200m测4处 4 平整度(mm) ≤20 ≤30 3m直尺:每200m...

1、当您付费下载文档后,您只拥有了使用权限,并不意味着购买了版权,文档只能用于自身使用,不得用于其他商业用途(如 [转卖]进行直接盈利或[编辑后售卖]进行间接盈利)。
2、本站所有内容均由合作方或网友上传,本站不对文档的完整性、权威性及其观点立场正确性做任何保证或承诺!文档内容仅供研究参考,付费前请自行鉴别。
3、如文档内容存在违规,或者侵犯商业秘密、侵犯著作权等,请点击“违规举报”。

碎片内容

土方路基允许偏差表203

您可能关注的文档

确认删除?
VIP
微信客服
  • 扫码咨询
会员Q群
  • 会员专属群点击这里加入QQ群
客服邮箱
回到顶部