电脑桌面
添加小米粒文库到电脑桌面
安装后可以在桌面快捷访问

电缆最小允许弯曲半径..VIP免费

电缆最小允许弯曲半径.._第1页
1/16
电缆最小允许弯曲半径.._第2页
2/16
电缆最小允许弯曲半径.._第3页
3/16
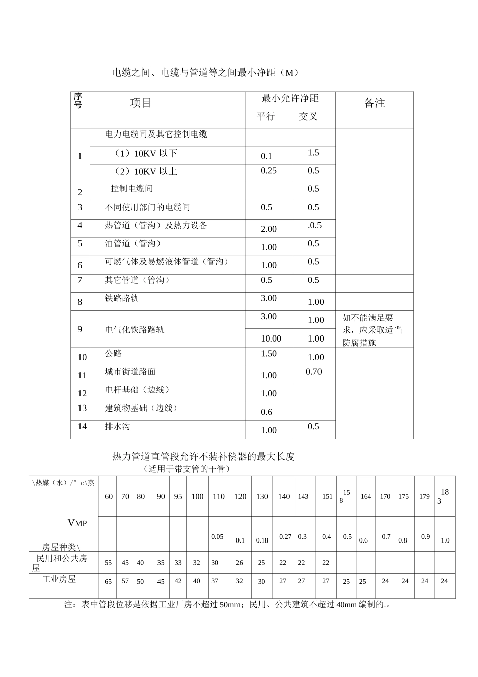
曲全长 25m 以上电缆最小允许弯曲半径序号电缆种类最小允许弯曲半径1无铅包钢铠护套的橡胶绝缘电力电缆10D2有钢铠护套的橡胶绝缘电力电缆20D3聚氯乙烯绝缘电力电缆10D4交联聚氯乙烯绝缘电力电缆25D5多心控制电缆11 住,—一",亠,宀亠「丨 110D聚氯乙烯绝缘电力电缆桥架与管道的最小净距表(M)管道类别平行净距交叉净距一般工艺管道0.40.3易燃易爆气体管道0.50.5热力管道有保温层0.50.3无保温层1.00.5电缆固定点间距表(mm)电缆种类固定点的间距电力电缆全塑型1000除全塑型外的电缆1500控制电缆1000电缆之间、电缆与管道等之间最小净距(M)序号项目最小允许净距备注平行交叉1电力电缆间及其它控制电缆(1)10KV 以下0.11.5(2)10KV 以上0.250.52控制电缆间0.53不同使用部门的电缆间0.50.54热管道(管沟)及热力设备2.00.0.55油管道(管沟)1.000.56可燃气体及易燃液体管道(管沟)1.000.57其它管道(管沟)0.50.58铁路路轨3.001.009电气化铁路路轨3.001.00如不能满足要求,应采取适当防腐措施10.001.0010公路1.501.0011城市街道路面1.000.7012电杆基础(边线)1.0013建筑物基础(边线)0.614排水沟1.000.5热力管道直管段允许不装补偿器的最大长度(适用于带支管的干管)\热媒(水)/°c\蒸6070809095100110120130140143151158164170175179183VMP房屋种类\0.050.10.180.270.30.40.50.60.70.80.91.0民用和公共房屋554540353332302625222222工业房屋655750454240373230272727252524242424注:表中管段位移是依据工业厂房不超过 50mm;民用、公共建筑不超过 40mm 编制的.。室外给水管道安装的允许偏差和检验方法项次项目允许偏差(mm)检查方法1座标铸铁管埋地100拉线和尺量检查敷设在沟槽内50钢管、塑料管复合管埋地100敷设在沟槽内或架空402标咼铸铁管埋地±50拉线和尺量检查敷设在地沟内±30钢管、塑料管复合管埋地±50敷设在地沟内或架空±303水平管纵横向弯曲管中心线至柱面直段 Q5M 以上)走己占终占ALi;八、、八、、40拉线和尺量检查钢管、塑料管复合管直段(25M 以上)走己占终占ALi;八、、*--、30管道防腐层种类防腐层层次正常防腐层加强防腐层特加强防腐层(从金属表面)1冷底子油冷底子油冷底子油2沥青涂层沥青涂层沥青涂层3外保护层加强包扎层加强包扎层(封闭层)(封闭层)4沥青涂层沥青涂层5外保护层加强包扎层6(封闭层)沥青涂层7外保护层防腐层厚度不小于(mm)369热力管道固定支架最大间距(m)补偿器形式管道敷设方...

1、当您付费下载文档后,您只拥有了使用权限,并不意味着购买了版权,文档只能用于自身使用,不得用于其他商业用途(如 [转卖]进行直接盈利或[编辑后售卖]进行间接盈利)。
2、本站所有内容均由合作方或网友上传,本站不对文档的完整性、权威性及其观点立场正确性做任何保证或承诺!文档内容仅供研究参考,付费前请自行鉴别。
3、如文档内容存在违规,或者侵犯商业秘密、侵犯著作权等,请点击“违规举报”。

碎片内容

电缆最小允许弯曲半径..

您可能关注的文档

确认删除?
VIP
微信客服
  • 扫码咨询
会员Q群
  • 会员专属群点击这里加入QQ群
客服邮箱
回到顶部